Hirdetés
- GoodSpeed: Te hány éves vagy?
- Real Racing 3 - Freemium csoda
- sziku69: Szólánc.
- hcl: Amúgy mi a terv?
- Luck Dragon: Asszociációs játék. :)
- sziku69: Fűzzük össze a szavakat :)
- Geri Bátyó: Agglegénykonyha különkiadás – Bors
- koxx: A bajnokok egere? Lamzu Maya Champions Edition 8K gamer egér
- Sub-ZeRo: Euro Truck Simulator 2 & American Truck Simulator 1 (esetleg 2 majd, ha lesz) :)
- eBay-es kütyük kis pénzért
-
LOGOUT
Opel topik
Új hozzászólás Aktív témák
-
Tamagocsi123
tag
válasz
mohabá 007
#101297
üzenetére
Valószínűleg igazad lehet ,hát akkor nincs más mint autovillamosági szerelő keresése
-
bul07
nagyúr
-
mohabá 007
aktív tag
válasz
Tamagocsi123
#101296
üzenetére
A fűtőbetétnek nem találtam külön biztit, csak a hűtő ventinek, de az működik, és a motortömbből kilépő vizhőmérséklet jeladó is jó.
Igen, akkor nem kap áramot a fűtőbetét, és a régi termosztát is valszeg jó. -
Tamagocsi123
tag
válasz
mohabá 007
#101295
üzenetére
Bocsi nem is néztem hogy tőled kaptam. Akkor a termosztátrol huzzam le a csatit és ha ugyan az a szitu akkor nem kap áramot a termosztát a fütés hez? Van ennek a füttésnek mármint a termosztát fütésnek biztositéka?Köszönöm a segítséget és sorry a figymetlenségemért
-
mohabá 007
aktív tag
válasz
Tamagocsi123
#101293
üzenetére
Azt az olvasnivalót én írtam neked a jól működő fűtött termosztátról. Köszönöm szépen, hogy megtiszteltél azzal, hogy elolvastad.

Valszeg azért indul el a ventillátor,, mert nem kap áramot a fűtőbetét. Ha nem fűt, a termosztátba hideg marad a víz, nem nyit a hűtő felé. Így csak a kis hűtőkör működik, ami hamar túlmelegszik, a jeladó adja a hőfokot az Ecu-nak az meg kapcsolja a ventit.
Nem mindenhez kell műszer. Ha nincs műszered, csak annyit kell csinálnod, hogy lehúzott csatival, figyelve teszel egy kört. Ha a szitu ua mint rádugott csatival, meg lesz a hiba helye.
-
Tamagocsi123
tag
válasz
mohabá 007
#101292
üzenetére
Sajnos nem tudk méricskélni mert nincs müszerem hozzá
viszont azt olvastam hogy ez a termosztát 105 f kezd el nyitni és 120f nyit ki teljesen ,de akkor ha ez igy van miért indul e a hüttö ventilátor? -
mohabá 007
aktív tag
válasz
Tamagocsi123
#101289
üzenetére
Az új termosztáttal is ugyanaz a hiba mint a régivel, vvalszeg azért, mert nem kap áramot a fűtőbetét.
Ellenőrizd. Termosztátról a csatit kihúzod, gyújtást ráadva egyik sarun feszültségnek lell lennie. (kb 5volt)
Indítsd be az autót.Kíváncsi vagyok hogy reagál az autó a lehúzott csatira.(lesz e hibaüzenet.)Mivel kéznél van a kiszerelt termosztát, ellenőrizni tudod, hogy működőképes e.
"…A kiszerelt termosztát ellenőrzésénél a termosztátot fogóval megfogva peremig behelyezzük egy kb. 50 °C-os hűtőfolyadékkal töltött edénybe. A villamos csatlakozóba bekötött segédvezetékeken keresztül akkumulátorfeszültséget kapcsolunk a fűtőbetétre, majd 10 perc elteltével ellenőrizzük, hogy a nagy szeleptányér minimálisan 7 mm-t emelkedett-e az alaphelyzetéhez képest. Ezt az ellenőrzést szabadlevegőn nem tanácsos elvégezni, mivel így a tágulóelem károsodhat! …"
-
M0ng00se
őstag
válasz
mohabá 007
#101290
üzenetére
igazából megpróbáltam kevesebb ideig "ráindítani", bejött, nem kerreg xd
-
Tamagocsi123
tag
válasz
Tamagocsi123
#101288
üzenetére
Szerintetek okozhatja ezt a hibát a högomba vagy semmi köze hozzá?
-
-
FoLey-v
addikt
válasz
Tamagocsi123
#101286
üzenetére
Esetleg ha nem sikerülni és cserére készülsz. Akkor termoszta csere csak is gyárira és nekem ez lesz a tippem.
Vízhőmérséklet jeladó gyári vagy febi.
14 XER motorkódnál nem tudom,hogy van,de nálam Z16XEP-nél 105-nél nyit termoszta és 113-nál ventilátor bekapcsol. -
Tikakukac
titán
válasz
Tamagocsi123
#101284
üzenetére
Megfogtál, motorkódra meg kell keresni mi mit csinál és mit vezérel.
-
Tamagocsi123
tag
válasz
Tamagocsi123
#101283
üzenetére
Van ez a vezeték ami a termosztátba megy, van a motorban lévö hömérséklet jeladó és van a hüttö aljában is egy jeladó. Azt nem tudom hogy melyik jeladót cseréljem a motorban lévöt ( högomba) ?
-
Tikakukac
titán
válasz
Tamagocsi123
#101280
üzenetére
Na most azt kellene előkapni, hogy hogyan néz ki a te motorodban a hűtés mielőtt vaktában kikukázunk egy fél motort.
-
Tamagocsi123
tag
válasz
Tamagocsi123
#101280
üzenetére
Igy néz ki
-
Tikakukac
titán
válasz
Tamagocsi123
#101278
üzenetére
Van mondjuk 30 fokos vized, a szenzorod ad 110 fokos jelet az ECU felé, nyilván elkezdi veretni a ventit, mert neki ezt kell csinálnia. Ettől még a szenzor lehet rossz. Ez megmagyarázná, hogy miért nem nyit az új termoszát sem. Szimplán azért, mert amúgy nem is lenne rá oka.
-
Tikakukac
titán
válasz
Tamagocsi123
#101273
üzenetére
Láttunk már kuka termosztátot gyárilag. De. Én kezdek arra tippelni, hogy neked amúgy kuka a szenzorod vagy a vezetéked és azért látsz annyit, amennyit és azért nem nyitott az előző termoszát sem, mert amúgy sem volt melege.
-
gban
veterán
válasz
Tamagocsi123
#101275
üzenetére
A termosztát maga dönti el hogy nyit vagy se.
-
Tamagocsi123
tag
válasz
Tamagocsi123
#101273
üzenetére
A termosztát honnan kapja a jelet hogy nyisson ? Az lehetséges hogy a blokban lévő högomárol és lehet az a rossz és az nem ad jelet? Köszönöm a segítséget
-
M0ng00se
őstag
válasz
Markizmark
#101271
üzenetére
gyorsan rakerestem "Önindító szabadonfutó (bendix)", ezt kell cserelni benne?
lehet vele igy jarni vagy hanyagoljam? -
M0ng00se
őstag
Udv hello
hideg inditasnal a kocsi (g astra) egy furcsa "reccseno" hangot ad ki, menet kozben semmi gondot nem veszek eszre
kb 2-3 napja vettem eszre mikor bejottek a hidegek
[link] 6-7 masodpercnel
szerintetek? -
válasz
Tamagocsi123
#101268
üzenetére
Akkor csere.
-
válasz
Tamagocsi123
#101266
üzenetére
mennyi idő után nézted? a hőfokot is nézted közben?
-
Tamagocsi123
tag
válasz
Tamagocsi123
#101265
üzenetére
Na megnéztem a hüttö hideg a termosztátbol cső ami megy a hüttöbe hideg , nem nyit a termosztát igy már 99%.
-
bul07
nagyúr
-
Gaga_30
tag
válasz
Tamagocsi123
#101252
üzenetére
Igaza van az előttem szólónak , nézd meg a hűtő melegszik-e.
Esetleg cseréld/cseréltesd le a hűtőfolyadékot, lehet benne szennyeződés, stb amitől nem az igazi a keringése. De ha a hűtő is felmelegszik, akkor alapvetően jól működik, ezeknek a 105 fok körüli az normál üzemi hőfok, enyémben is kb ennyi.
Arra gondolok inkább, hogy eddig is így működhetett, csak a ventillátorod lett hangosabb valamitől. Az enyém pl rezonál eléggé hűtőcsere óta, szóval az is lehet hogy csak hangosabb lett és most tünt csak fel. -
válasz
Tamagocsi123
#101252
üzenetére
Kezdésnek nézd meg hogy meleg-e a hűtő. Ha 106 fokos a víz, akkor a hűtőnek is melegnek kell lennie. Azért kapcsol a ventillátor. Ha hideg, akkor beszorult a termosztát zárt állásban.
-
zsoca29
tag
Üdvözletem!
Olyan problémán lenn a H astrával,hogy a hátsó fékek mind két oldali szokott nyikorogni súrlódni,de nem mindig van mikor folyamatosa,de akkor melegszik is.
De van mikor egy darabig nincs semmi.Kanyarodáskor kanyarba szokott előjönni...
Hol jó hol nem.
Mi lehet a gond?
Kerékcsapágy? -
válasz
peet137
#101255
üzenetére
Próbáld ebay-en keresni, ebay.de oldalon is. Hátha lesz valahol bontott, esetleg új, vagy felújító készlet.
Én itt szoktam alkatrészt vásárolni, a fiúk segítőkészek és az egyiküknek opel Astra van. Egy próbát ez is megér, keresd Perintfalvi Zsoltot. -
Tamagocsi123
tag
Mi a véleményetek kezdjem a termosztát cserével? Köszönöm a segítséget
-
peet137
tag
Nem tud valaki véletlenül olyan helyet, ahol jó eséllyel lehet beszerezni Z16XE1 motoros H Astrahoz twiport mozgató vákuumgömböt, vagy esetleg membránt a belsejébe? Szombathely közeli érdekelne elsősorban, de lehet postázós is. Sajna mindenhol csak szívósorral együtt adnák, FB-os H csoportban eddig nem sikerült... Szereztem XEP-hez valót (szerintem Z14, de ez nem tuti), de az abban lévő membrán nem jó sajna.
A pirossal bekarikázott alkatrész az.
-
válasz
nyemi
#101246
üzenetére
De jó, ez jól jött.
Olvastam, hogy a földkábelt (árnyékolás) meg kell nézni, mert ha nem megfelelő, zavart szedhet össze.
Szóval elvileg ki kellene tudni mérnem a motortérből jövő kábelt az ecu csatlakozójáig.
Eh...Én még a P35-ös főtengely jeladó esetleges rögzítésére, vagy a jeladó tárcsa sérülésére gondolnék.
Ez merőben új, de hétvégén, amikor még világos lesz, megnézem, hogy ott van-e bármi is. Persze tudnom kéne, hogy mit is nézzek.Szóval a teljes történet régmúltra tekint vissza.
Mentem autópályán 100-as benzin tankolása után, és hirtelen felkapcsolt a check enginge lámpa. Hazaértem, kivillogtattam, és a kopogásérzékelő hibát dobta. Azóta ezzel élek/élünk.
Csak terheléskor, és 2000-es fordulat felett jelentkezik (mivel kicseréltem az óracsoportot fordulatszámmérős verzióra, ezért próbáltam megfigyelni az esetleges jelenség-összefüggéseket). Bár már régen próbáltam, de álló helyzetben nem jelentkezik a hiba.
Ma úgy jöttem haza, hogy 2k alatt tartottam a fordulatszámot, és hibajel nélkül értem haza. Aztán mentem egy kört normál módon, és másfél km után már ott volt a hibajel a műszerfalon.
Most már érzem, hogy mikor jön a check engine, mert egy rántás elég, hogy tudjam: 3mp múlva jön a lámpa. És nem szoktam tévedni (sajnos). Olyankor erőtlenebbnek érzem.
Az is érdekes, hogy mintha bemelegedés után kezdené ezt a jelenséget - erről azért nem vagyok meggyőződve. -
nyemi
csendes tag
-
válasz
mohabá 007
#101236
üzenetére
Megnéztem, leszedtem (+ kontakt spray, visszatettem, de nem segített), de sajna azt látom, hogy a gyújtótrafónak a gm száma 1103872.
Van egy beépülő (ragasztott(?)) alkatrésze a hátulján, ami pedig a 10487489
Aztán itt meg találtam egy ilyet:
16174339 - ezen látszik, hogy ott a GM 16174339, viszont (ahogy Besenyő Anti bácsi mondá),
"az a baj, hogy fingom sincs róla", hol lehet. Vagy hogy kell-e nekem ilyen egyáltalán.Olyan vagyok lassan, mint a McDonad's-os légy: két shake-be esek.
-
Gaga_30
tag
válasz
Tamagocsi123
#101224
üzenetére
Fene tudja, ki kellene deriteni a valos vizhofokot az segitene.
-
-
mohabá 007
aktív tag
válasz
cappa72
#101229
üzenetére
"...A kérdésem, hogy ami a 16-os alkatrész (16174339) az hol lehet?.."
A GM szám szerint az maga a gyújtótrafó.


Nekem is csak ennyi van. [kép]
Meg kellene nézni, hogy a motor fixen van erögzítve, nincs e fellazulva, és ezért magasabb fordulaton ráz, beremeg, és azért jelez a kopogáshatároló (csak egy tipp)
-
Integrale
veterán
válasz
mohabá 007
#101231
üzenetére
Azért ott más a szíj is, a gyártó előáll egy igénnyel, amire a beszállító ajánl egy terméket.
Szelepbütyköktől, motor kiegyensúlyozottságától kezdve minden számít. -
ArthurShelby
addikt
válasz
vzsryl
#101228
üzenetére
2012-es zafira C, 250ezer km, 2.0cdti:
-Gyújtógyertya csere (idővel mind a 4, 2 ebből elég drága, mert valami szenzor lehet bennük) (drága=50ezer ft az a gyújtógyertya)
-2db hátsó szélső oldalsó radar csere a holttérfigyelőhöz (valószínű beázott alulról, fölverte oda a vizet a kerék) (5ezer ft aliról 2db)
-váltóolaj csere
-kopó alkatrészek (féktárcsa, fékbetét) cseréje, olaj csere, szűrő cserék, gumi csere (új, téli-nyári)-futóművel eddig semmi nem volt (pedig flexride-os), motorral eddig semmi nem volt
-parkolási sérülések (emiatt ködlámpa csere)Összességében szerintem megbizható autó.
-
-
mohabá 007
aktív tag
válasz
vzsryl
#101215
üzenetére
"... az Opelek alkatrészei sosem voltak arról híresek, hogy sokáig bírják,.."
Állításod ebben a formában félrevezető, mert:
- Melyik autógyártó gyártja magának az alkatrészeket? Eggyik se! A beépítendő alkatrészeket megrendeli a gyártóktól, pl:leng csillapító, vezérmű szíj, vízszivattyú,..stb. Azaz, az alkatrész minősége autógyártótól független.
- A vezérműszíj márka pl Gates. Ha ezt a márkát a g astrába teszem 4év/60000km, a superb-be 7év/210000km. A különbség nem a minőségben van, hanem a szíj igénybevétele teljesen más. A g satrában a vez szíj hajtja a vízpumpát is, nagyobb az igénybevétel, ezért gyakrabban kell cserélni. A Z16XEP motorban már nem hajtja a vízpumpát, kisebb az igénybevétel, nem is kell csak 10év/150000km-enként cserélni. -
manoarc
senior tag
Sziasztok!
H Astra csomagtèrajtó teleszkópot szeretnèk cserèlni mert a gyári elfáradt már.
A környèkemen van egy Opel bontó ahol a srác szerint kerüljem az olcsó utángyártott újakat.
Vajon csak hazabeszèl vagy tènyleg nagyon rosszak?Anno vettem G-hez már ilyet ès semmi baja nem volt bár csak pár hónapot használtam.
Köszi ès Szèp napot
! -
válasz
mohabá 007
#101214
üzenetére
Köszönöm!
Akkor tehát még van plusz egy gyújtáselektronika is a képletben, ahogyan azt sejtettem. Csak nem tudom, hogy ez a bizonyos gyújtáselektronika hol is van.
Mert akkor a gyújtáselektronika adja a gyájtáselosztónak a jelet, ugye?
Valahogy blokkvázlat szintjén kéne megértenem.
kopogásérzékelő -> ecu -> gyújtáselektronika -> gyújtáskapcsoló (+ kábelek)?
és akkor az utolsó 2 egység is lehet ludas? (esetleg a gyújtókábelek is?)
Amit összefoglaltál 1 képen, ott az alsó maga a motorra csavarozott gyújtáselosztó, amiből jönnek ki a gyújtókábelek, és mennek a gyújtógyertyákra.
A kérdésem, hogy ami a 16-os alkatrész (16174339) az hol lehet?Amit még észrevettem, hogyha megyek vele, akkor a check engine megjelenése előtt már tudom, hogy megkapom a sárga lámpát: az autó óvatos gyorsításnál is már alig érezhetően, de rángat egyet. Ekkor már tudom, hogy jön a hibajel, és 2-3 mp múlva világít is... Mindez csak 2k RPM felett, jellemzően 1900 alatt nem.
Ha lehúzom a csatlakozót, akkor (menet közben) azonnal jön a hibajel, tehát valahol mégis ad jelet a kopogásérzékelő (már korábban megnéztem szkóppal, hogy valami jel jön ki belőle), és valamelyik egység feldolgozza azt. -
vzsryl
nagyúr
válasz
#24845312
#101220
üzenetére
A 90-es évekbeli Opelek tényleg megbízhatóak voltak, és szinte csak a rozsda tudott problémát okozni. De ez akkoriban kb. minden márkára igaz volt.
A mondás komolyan vételét még mindig nem tudom feldolgozni. Ha te ezt tényleg elhiszed, akkor túlzottan elfogult vagy.
A Suzukik még a 2010-es években is nagyon megbízhatóak voltak, az újabbak meg még nem tudtak eleget bizonyítani.
Opelből azért adtak el többet, mint amiért több Samsungot és Xiaomit adnak el az Apple-nél. Sokkal több típust árultak. Ettől függetlenül az utóbbi pár évben brutálisan vezetik az eladási listákat, mert most a legnépszerűbb kategóriában két típusuk is van (Vitara, SX4 Scross). A felszereltségük is magasabb már, és azok is jól működnek. -
bul07
nagyúr
-
Gaga_30
tag
válasz
Tamagocsi123
#101221
üzenetére
A hőfokmérő nem mutat pontos erteket, hogy ne ess panikba mikor 100 fok fole megy a vizhomerseklet. Olvastasd ki a valos vizhofokot mielott feleslegesen cserelsz barmit.
A tulnyomasos rendszerek ib mind igy mukodnek, szerintem csak ez teveszt meg. -
Tamagocsi123
tag
válasz
Markizmark
#101205
üzenetére
Most kezdte régen nem csinálta,hidegen nem hüt teljes gázon se.Megyek vele 10km és utánna amikor meg állok megy a ventilátor de a viz höfok teljesen normális tartományba van. Tehát szerintem a hüttöben lévő hőfok jeladó ami kapcsolja a ventilátort az kapcsol be úgy hogy a víz nem melegedett tul.
-
#24845312
törölt tag
válasz
vzsryl
#101219
üzenetére
Az én tapasztalatom, és szintén sok más emberé is pedig az, hogy az "Opel, sosem kop el." mondás nagyon is igaz. Igaz én csak a 90-es évek Opeljeivel kapcsolatban tudok nyilatkozni (F Astra, G Astra, B Vectra, Calibra, Omega), mert ezeket használtam, illetve láttam rokoni, haveri körökben, de ezek híresen sokat kibírtak, az említett mondás is gondolom ekkoriban születhetett. A márka újabb autóiról nem tudok nyilatkozni, mivel nincs velük személyes tapasztalatom.
A korabeli Suzukikat inkább hagyjuk, autónak sem merném nevezni őket. Volt a rokonságban Swift nem is egy, ültem is bennük eleget, annál ganébb autót én még életemben nem láttam. A megbízhatósága is mindössze annyiból állt, hogy nem volt benne semmi, így a semmi nem tudott elromlani sem. Ja, így könnyű ám megbízhatónak lennie. ABS, kipörgésgátló, ülésfűtés, fűthető elektromos tükrök, oldallégzsák, elektromos napfénytető, automata elektromos ablakok (napfénytető is automata) és mind érzékeli az útjában lévő akadályt is, 5 db hárompontos öv, 5 db fejtámla, belső tér mozgásérzékelő, stb., stb., csak néztek a Suzukis rokonok, azt se tudták, mik ezek. Tartós mondjuk nem volt egyikük autója sem, a váltótól kezdve a franc tudja mit nem cseréltettek már bennük, de mindig volt valami, amivel foglalkozniuk kellett. Mondjuk fillérekből fenntarthatóak voltak azok is, akárcsak egy Opel. Viszont a két márka autói között mintha lett volna vagy 20 évnyi különbség az Opel javára, holott kb azonos évjáratokról beszélünk.
Itt Magyarországon soha nem volt annyi Suzuki forgalomban, mint Opel, szóval én nem mondanám, hogy valaha is annyira népszerű lett volna a Suzuki, mint az Opel. Akik újonnan megvették, ők is csak nyomorukban vették meg, mert nem futotta nekik jobbra.
-
vzsryl
nagyúr
válasz
#24845312
#101216
üzenetére
A gyári alkatrészeik valóban nagyrészt tartósabbak, de persze ott is van kivétel. Ettől függetlenül a tapasztalatom - és sok más emberé is - azt mutatja, hogy az "Opel sosem kop el" mondás ugyan nagyon cuki, de véletlenül sem igaz.
Egy nagyon egyszerű példát hozok fel. Magyarországon annak idején (még most is valamennyire) a Suzuki és az Opel volt a két legnépszerűbb márka. Ez teljesen egyértelműen a hazai gyártás miatt alakult így. Ettől függetlenül az évek alatt körvonalazódott, hogy a két márka közül melyik a megbízhatóság szinonimája, és melyik a szeretett, vicces mondásokkal ellátott autómárka.
Félreértés ne essék, nekem is van egy "agysérülésem", és rá vagyok kattanva az Opelekre. Volt F Astra-m, és most emiatt vettem 2. autónak egy G Astra-t, ami városban literekkel is többet fogyaszt, mint néhány erre alkalmasabb kisautó. De más szóba sem jöhetett, nekem újra Astra kellett. Ezt is nagyon kedvelem, de attól még tudom objektíven nézni a dolgot.
-
#24845312
törölt tag
Igen, természetesen kuplung és váltó nálam is még a gyári legelső van az autóban, semmi baja egyiknek sem. Nekem a legnagyobb meglepetést amúgy a gyári CD-rádió jelenti, hogy ennyi idősen, még működik a CD-lejátszó része. Pedig amikor járt a motor az autóban, mindig szólt a zene is (írt CD-lemezekről).
-
gban
veterán
válasz
#24845312
#101216
üzenetére
F Astrámat a gyári eredeti kuplunggal, lengéscsillapítóval adtam el 16 évesen, 250k km-rel, és nem azért nem cseréltem mert lexartam, hanem mert nem volt baja a kuplungnak, a lengéscsillapító meg előtte ment át a vizsgán, az igazsághoz hozzátartozik hogy azért gyengélkedett.
Csak azért ezeket emelem ki, mert ezeknél ezek az értékek különösen sokatmondóak.
A J az már sajnos nem ilyen. -
#24845312
törölt tag
válasz
vzsryl
#101215
üzenetére
"az Opelek alkatrészei sosem voltak arról híresek, hogy sokáig bírják"
Persze, biztos ezért született meg az "Opel, sosem kop el." mondás is, mert nem bírták sokáig az Opelek alkatrészei.
Nekem a közel 24 éves B Vectrámban gyakorlatilag még mindenből a gyári legelső alkatrész van benne. Gyújtótrafó, kerékcsapágy, lengéscsillapító, EGR, légtömegmérő, összes jeladó és érzékelő, ABS, kormánymű, elektromos tükrök, elektromos napfénytető, ülésfűtés, kipörgésgátló, stb., stb., sorolhatnám vég nélkül, semmi nem ment még benne tönkre, semmi nem szorult még cserére. Egyedül féktárcsa meg betétek voltak eddig cserések (meg persze a szokásos olajcsere, szűrők, gyertyák, stb.).Vezérléscsere gyári előírása nálam is 60ezer km/4 év, de mivel a vezérlésszett csak kb 15ezer Ft (szíj+görgők), vízpumpa meg mondjuk 8ezer Ft, így igazából semmi jelentősége neki. Azt nem tudom, hogy mennyit bírna a szíj, de nem is igazán érdekel, mert nálam minden a gyári előírás előtt cserélve van (ránézésre ilyenkor a szíj, görgők, gyertyák stb. teljesen újszerűek még).
-
vzsryl
nagyúr
-
mohabá 007
aktív tag
válasz
cappa72
#101198
üzenetére
"...Az a baj, hogy nem tudom, tehát míg nem bizonyosodik be egyik vagy másik, addig csak feltételezésekbe tudok bocsátkozni.
A két szerelő, aki eddig látta, az nem tudott mit mondani rá..."Nekem is volt egy feltételezésem, de biztos akartam lenni, ezért a keresőbe beírtam a GM számot. Egyszercsak beugrott egy Lengyel oldal, lefordítottam, a biztonság kevéért felmentem az oldalra,és örültem, mert az lett amit gondoltam.

A fent leírtak egy képbe sűrítve.
kép (gyújtótekercs/gyújtásmodul
-
bul07
nagyúr
Opel Astra J 1.7 cdti lesz a következő
Fotelnepper: német, dízel, kombi, Renault-árban – Opel Astra J 1.7 cdti
-
Sanki
addikt
Mennyire szerencsés leszedni G Astra belső középkonzol egy részéről azt a bevonatot?
Hamutartó elég gatyán néz ki, arra gondoltam leszedem róla, csak magába nem tudom milyen lesz/lehet.
Így néz ki most: [kép] -
vzsryl
nagyúr
válasz
JSandor
#101206
üzenetére
A vezérlés a tűzfalnál van, ezért csak motor kiemeléssel lehet cserélni, és bőven fél millió felett van a költsége, ráadásul 60k km-enként elfogyaszt egyet. Elvileg csak márkaszervizben tudják megoldani a cserét, és csak gyári szett van hozzá, de ez lehet változott.
Illetve a 160 lovas már biturbós ha jól rémlik, szóval több a hibalehetőség is.
Ilyen nyalánkságok miatt borzasztó jó áron lehet őket kifogni, de inkább ne csábulj el. -
JSandor
tag
Sziasztok!
Opel astra k 2016 1.6 CDTI 160Le kombiról általánosságban mi a vélemény ? Típushibák, költségek stb ?
-
Markizmark
addikt
válasz
Tamagocsi123
#101200
üzenetére
Régóta csinálja vagy most kezdte? Teljes gázon hűt már hidegen is?
-
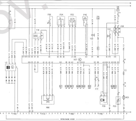
mohabá 007
aktív tag
válasz
Tamagocsi123
#101200
üzenetére
Fűtött termosztátod van. A működését sikerült egy oldalba sűrítenem. [kép]
Ha szerinted nem működik megfelelően, akkor a motortömbből, és a hűtőből kilépő vízhőmérséklet jeladót tudod egyenként, vagy egyszerre mindkettőt cserélni. Ha a cserék után a helyzet változatlan, megtudtad, hogy a termosztátnak ez a normál üzemmódja, és lesz tarcsiba két vízhőfok jeladód. -
csoszogi
tag
Üdv. Most volt műszakin a kocsi, J-Astra (A16XER) 100000km, és a szerelőm azt mondta túl zajos a kerék (gumi márkája, pár éves:General altimax one s). Az első kerekek.Tényleg zajos, ha jobban belegondolok. Adtam levegőt a kerekekbe, de szar volt a kúton a pumpa, ezért nem vagyok biztos a nyomásban. Elvileg 2.4 de lehet több. Azt mondta, hogy lehet kerékcsapágyat kell cserélni. Mi egyéb utalhat még arra, hogy egy kocsi kerékcsapágyas a zajon kívül? Lehet valahogy tesztelni? A másik Astra (F) dupla ennyit futott de nem kellett cserélni... Kösz előre is a válaszokat.
Új hozzászólás Aktív témák
- Sütés, főzés és konyhai praktikák
- CES 2026: a mechanikus billentyűzet és a Stream Deck házassága amerikai módra
- Wuthering Waves
- Milyen okostelefont vegyek?
- AliExpress tapasztalatok
- MIUI / HyperOS topik
- SSD kibeszélő
- Tőzsde és gazdaság
- exHWSW - Értünk mindenhez IS
- Home server / házi szerver építése
- További aktív témák...
- HIBÁTLAN iPhone SE 2020 64GB White -1 ÉV GARANCIA - Kártyafüggetlen, MS4307, 100% Akksi
- BESZÁMÍTÁS! MSI Katana15 HX B14WEK notebook - i7 14650HX 16GB DDR5 1TB SSD nVidia RTX 5050 8GB WIN11
- ÁRGARANCIA!Épített KomPhone i7 14700KF 32/64GB RAM RTX 5070 12GB GAMER PC termékbeszámítással
- ÚJ Lenovo ThinkPad T16 Gen 4 - 16" WUXGA - Ultra 7 255U - 32GB - 1TB SSD - Win11 - 3 év garancia
- Keresünk dokkolókat
Állásajánlatok
Cég: PCMENTOR SZERVIZ KFT.
Város: Budapest
Cég: Laptopszaki Kft.
Város: Budapest





