- Fórumok
- Egyéb hardverek
- Hobby elektronika
- (kiemelt téma)
- sziku69: Fűzzük össze a szavakat :)
- Luck Dragon: Asszociációs játék. :)
- sziku69: Szólánc.
- GoodSpeed: MacBook egy kis gikszerrel.
- lkristóf: Prohardver fórum userscript – hogy lásd, mikor neked válaszoltak
- Meggyi001: Áram nélkül....méltóság nélkül.....
- eBay-es kütyük kis pénzért
- Parci: Milyen mosógépet vegyek?
- creation: Elég lett abból, hogy a nagy gépeim nem képesek behúzni a filamentet
- Sub-ZeRo: Euro Truck Simulator 2 & American Truck Simulator 1 (esetleg 2 majd, ha lesz) :)
-
Fórumok
LOGOUT - lépj ki, lépj be!
LOGOUT reakciók Monologoszféra FototrendGAMEPOD - játék fórumok
PC játékok Konzol játékok MobiljátékokPROHARDVER! - hardver fórumok
Notebookok TV & Audió Digitális fényképezés Alaplapok, chipsetek, memóriák Processzorok, tuning Hűtés, házak, tápok, modding Videokártyák Monitorok Adattárolás Multimédia, életmód, 3D nyomtatás Tabletek, E-bookok Nyomtatók, szkennerek PC, mini PC, barebone, szerver Beviteli eszközök Egyéb hardverek PROHARDVER! BlogokMobilarena - mobil fórumok
Okostelefonok Mobiltelefonok Okosórák Autó+mobil Üzlet és Szolgáltatások Mobilalkalmazások Tartozékok, egyebek Mobilarena blogokIT café - infotech fórumok
Infotech Hálózat, szolgáltatók OS, alkalmazások SzoftverfejlesztésFÁRADT GŐZ - közösségi tér szinte bármiről
Tudomány, oktatás Sport, életmód, utazás, egészség Kultúra, művészet, média Gazdaság, jog Technika, hobbi, otthon Társadalom, közélet Egyéb Lokál PROHARDVER! interaktív
-
Frissítve: 2025-12-11 20:26 Téma összefoglaló
Új hozzászólás Aktív témák
-
laed
senior tag
-
Reggie0
titán
-
Dr. Szilikát
őstag
Valamelyik francia autónál voltak arra utaló jelek, mivel indítás után 15-16 V-ra is felhúzta a feszültséget, amit később vett vissza, ennek lehetséges magyarázata, hogy gyakori indítózás, rövid városi utak esetében mihamarabb kompenzáljon. Vagy másképp fogalmazva, ne menjen át negatívba az egyenleg (töltéshiány).
Ki tudja, túl sok értelme nincs, hiszen a klasszikus feszültségszabályzó is ellátta / ellátja máig a feladatát. Ez ugyebár a végfeszültség azonnali beállítására törekszik, ami az akkun mérve lehet 14,2 V, az is normális, vagy másiknál 14,4 V, ami már a vízbontási küszöb (25 °C-ra vonatkoztatva), bár ez is függhet az akku adalékanyagaitól.
De nem feltétlenül alakul ki extrém töltőáram, ha az akkut hirtelen felrántjuk 14,4 V-ra. Ha valakinek vagy egy 10-20 A-os töltője, akkor tapasztalhatja, hogy elég hamar elérhető ez a szint, ráadásul a lemerült akku belső ellenállása megnő, ami korlátozza a lehetséges áramot. Később, ahogy magához tér, csökken a belső ellenállás, nőhet az áram, de akkorra már ott a feszültségkorlát, így megint csökkenőbe megy az áram.
-
tordaitibi
veterán
Nincs olyan hogy "analóg" töltésvezérlő.
Sőt már a dinamós korszakban is "digitális" volt a fesz.szabályzás, egy rezgőnyelves mechanikus érintkező vagy zárta a gerjesztőkört vagy szakította pár10-pár100 Hz nagyságrendben. Ezt a mai elektronikus szabályzók kHz nagyságrendben teszik. Ékes bizonyítéka a rosszul kábelezett autóhifiben gyönyörűen hallható kapcsolófrekvencia a fordulatszám függvényében.
Igen-nem, 1-0 vagyis nem analóg.
Az ezeréves hagyományos feszültségszabályzó mint a neve is mutatja feszültségre, 14,2-14,4 voltra szabályoz. Azaz mikor ezt eléri a rendszerfeszültség, visszaszabályozza generátor gerjesztést hogy ne menjen feljebb, ez a rendszer nem tud áramra is szabályozni, lehetetlen.
Az egyedüli áramkorlát a generátor fizikai és elektromos felépítése, és a fordulatszáma, semmi más.
Azaz ha pl. van egy szinte csontra lemerült akku ami már nem indít, de a gyújtást még képes ellátni, és betolod az autót, majd a bevett magyar szokás szerint ilyenkor üveghangon kell pörgetni szerencsétlen motort...
akkor annyival tölt amennyivel a generátor képes. Ha a generátor 45amperes akkor ennyivel, ha 160 amperes akkor 160 amperrel. -
laed
senior tag
-
ekkold
Topikgazda
Vannak olyan akku szériák amelyek gyárilag eleve nem sikerültek túl jól. Nekem pl. volt olyan Banner akksim ami majdnem 8 évet bírt, de amikor tönkrement és másikat kellett venni, azt láttam hogy akkor éppen mindenki szidja a Banner akksikat, és rengeteg a negatív vélemény róla. Így nem mertem ugyanolyan tipust venni, ugyhogy lett Exide helyette, ami már sacc/kb. 4. éve szolgál... A felségem autójában szintén Banner van kb. 7...8 éves lehet az is, hidegben már kicsi éreztem, hogy nehezebben indít, de most, hogy nincsenek mínuszok pöccre indít. De számítok rá, hogy bármikor feladhatja. Szóval van bika kábel bekészítve, és megy ameddig megy.
Viszont ilyen cellazárlatos akkuval biztos nem küszködnék, mert akár mit csinálsz vele, sosem lesz olyan mint előtte volt. Ki kell cserélni, és akkor néhány évig remélhetőleg nem lesz vele gond.
Újabb autóknál amúgy már ez sem ilyen egyszerű - akku csrénél fel kell tanítani az ECU-t, ill. be kell állítani hogy új akku került bele - mert ha ez elmarad akkor kinyírhatja a bekerült új akksit!!
Megtanulja a kapacitását, és hogy milyen fesz. tartományban üzemel, ahogy öregszik az akksi, és az új akkut nem tölti rendesen ha nincs beállítva a típus/kapacitás. A modern autók pl. nem töltik 100%-ra az akksit, játszanak a töltéssel is. Padlógázas gyorsításkor elveszi a generátor gerjesztését, hogy jobban gyorsuljon az autó (ilyxenkor egyáltalán nem tölt). Normál menetben nem tölt 100%-ig, hogy tudjon felesleges energiát betölteni amikor van, pl. motorfék üzemben rágerjeszt a generátorra, és ha (Ca, Ag) adalékolt akksi van beállítva, olyan ami bírja a 15...16V-ot, akkor meg is tolja annyival, amennyit csak bír a generátor. Ezzel teljesítményt nyer, és csökkenti a fogyasztását az autónak, cserébe hamarabb döglik meg az akksi, de az a gyártónak/szerviznek igazából még jó is... -
tordaitibi
veterán
Tépd le a felső díszmatricát, nagyobb összegbe fogadnék hogy alatta a hagyományos 6 darab cellakupakot találod.
Kibányászod a cella kupakokat majd megkeresd a cellazárlatos cellát. Ezt a sav fajsúly mérő készülekeddel megtalálod. Ha nincs akkor veszel egyet.
Beöltözöl rendesen meg védőszemüveg, álarc, saválló kesztyű. Kiöntöd az elektrolitot a rossz cellából. A régi hagyományos módszerrel kimosod a cellából az iszapot, minden vissza majd töltés.
Mivel 5 cella maxon, 1 meg mélykisütve van, ez bő 2 nap lesz 0,04-0,03C-vel. A jó cellák eközben deszt.vizet veszítenek mert forrnak, azt pótolod. És meg is vagy.Ha nagyon szűkösen van a cellába a rácsszerkezet akkor eléggé esélytelen és nem lesz meg sose már az eredeti kapacitás mert az aktív anyag nagyrésze már levált a rácsszerkezetről. És semmi biztosíték nincs hogy holnap nem megy tönkre egy másik cella.
Kérdés, megéri-e, meg sikerül-e egyáltalán.
-
Dr. Szilikát
őstag
Korábban generáltam egy ilyen AI-tartalmat, ami érdekes lehet, a te esetedben is:
"Ha egy autóba való indítóakkut nem használnak nagy terhelésre, indításra sem, ugyanakkor soha nem volt túltöltve vagy túlmerítve, ennek ellenére túl hamar tönkremehet?"
Válasz: https://iask.ai/q/aut-akkumul-tor-lettartam-r-vid-l-s-okai-t-lt-s-n-lk-l-qfup15g
-
ekkold
Topikgazda
Hidegben nagyobb feszültség kell a gyújtáshoz - vagy elő kell fűteni a csövet. Mindkét megoldás működhet ha az elektronika bírja, én általában 1600V-os kondikat használtam, néha pedig 2kV-os kondit. Gyújtáskor a FET-ek is jó nagy áram-impulzust kaphatnak, adott esetben érdemes lehet korlátozni valamilyen módon a max áramot.
-
ekkold
Topikgazda
Csak a gyújtáskor kell a nagyfesz. A soros L-C kör viszonylag nagy feszültséget állít elő rezonancián (akár 1kV felettit is) és ilyenkor nagy áram is folyik rajta. Tehát célszerű nagyfeszültségű kondit használni (1000....2500V) ha hosszú élettartamot szeretnél.
Amikor a cső begyújt, akkor vezetővé válik, lecsökken az ellenállása, emiatt az LC kör rezonanciája sem lesz olyan meredek, lecsökken a feszültség is. De továbbra is folyik áram az LC körön (tehát a kondin is) csak kevesebb mint gyújtáskor.A fénycső gázterében (higanygőz + argon) az ionizáció sokáig fennmarad (amíg a gáz és az elektródák elég melegek), tehát az áram nullaátmenete utáni (újra)gyújtáshoz már nem kell nagyfeszültség (sem 50Hz-en, sem nagyobb frekvencián).
Régen az élettartam növelése céljából voltak olyan megoldások, ahol a már üzemelő fénycső végeiben levő izzószálat rövidre zárta egy relé, hogy a kondi árama ne melegítse tovább. A kondira amúgy menet közben is szükség van, mert így áll be a megfelelő áram, ha kivesszük akkor kisebb árammal megy a cső (vagy akár ki is alszik).
Ha az izzószálakat előfűti az elektronika, akkor a kondi kisebb feszültsége mellett gyújt be a cső, ilyenkor szoktak "spórolni" és kisebb feszültségű kondit beépíteni.
-
ekkold
Topikgazda
Pedig ez többnyire az LC körön múlik. Annak idején hosszú szolárium csöveket is be tudtunk gyújtani. Ritkán kellhet olyan megoldás ahol kétfelé van osztva a kondi, az egyik közvetlenül a tekercs utáni pontokon, a másik kondi az izzószálak közé bekötve. Így nagyobbra növekszik a feszültség, de könnyebb is kinyírni a FETeket.
Másik módszer az izzószálak átkötése schottky (vagy sima gyors) diódával, így pl. meg lehet felezni az izzószálak áramát. -
Dr. Szilikát
őstag
-
ViZion
félisten
....és
Ha ilyesmit produkál, akkor az a gépnek tutira nem használ, de Te tudod.
Lehetne 200 W-os is, a laptop nem fog többet felvenni. Másrészt ezek is kínaiak, kínai wattokkal sok esetben. Szal. utángyártottnál nem árt a rátartás, bár ez normális cég, gondolom szűrik a beszállítóikat is kicsit. -
ViZion
félisten
-
leweegee
aktív tag
-
Dr. Szilikát
őstag
-
ViZion
félisten
-
Dr. Szilikát
őstag
-
hcl
titán
Igen, gagyi a tápod, és a gép felé eljutó zavarok zavarják a touchpadet.
Ha C-s, akkor dugj rá egy telefont, valószínű az érintő is meg fog bolondulni.
Fogtam már ilyet párszor, élmény
De nem gyakori, inkább az a jellemző, hogy ha veszel egy bármilyen tápegységet, azzal jól működik minden. -
mzso
veterán
-
ekkold
Topikgazda
Végülis milyen multimétert vettél (típus, fotó, specifikáció)?
A pontos induktivitás mérés amúgy nagyon nehéz téma, több okból is, mivel a vasmagos tekercsek induktivitása függ:
- az áramerősségtől
- a frekvenciától
- a vasmag hőmérsékletétől
A műszerek mérési módja, ill. a mérés elve, valamint a frekvenciája különböző. Ezért a különböző műszerek mutathatnak eltérő értékeket. A mérési elvtől függően a tekercs és a vasmag veszteségei, és a saját menetek közötti kapacitás is meghamisíthatja a mérést. Műszertől és a mérési elvtől függ, hogy melyik paraméter hamisítja meg jobban a mérést.
Emiatt nem árt ha van többféle, különböző módon mérő műszer is - ha ezzel akarsz foglalkozni.
Mostanában én ezt a saját építésű műszert szoktam használni: [link]

Ez sem hibátlan, de a tekercsek zömét (99%-át) elfogadható pontossággal méri meg. A kapacitás mérése pedig gyakorlatilag minden kézi multimétert lekőröz.
Van egy régi Maxwell kézi műszer is itthon, régen azzal mértem induktivitást, az se volt rossz, de elég alacsony frekvenciával mér, az LCM3 meg viszonylag nagy frekivel. Az üzemi körülményekhez általában ez utóbbi van közelebb. -
ekkold
Topikgazda
Lehet nagyobb is a 2x 100nF-os kapacitás, annál jobban elviseli az áramot. Több csőhöz lehet közös.
Összedobtam egy áramkör szimulációt TINA-ban, hogy milyen szkópábrákat láthatnánk, (nagyon hasonlít egy valóságos méréshez):
A félhíd feszültsége csak az alsó FET nyitásakor billen át, tehát a FET tölti át a félvezető kapacitásokat.
A felső FET zárásakor elkezdődik az áttöltődés, de részlegesen az alsó FET fejezi be a folyamatot.
Teljes áttöltődés, még az alsó FET kinyitása előtt, az induktivitás tölti át a félvezető kapacitásokat.
Itt is az induktivitás tölt át, de akkora árammal, hogy egy pillanat alatt lezajlik a folyamat, és jóval az alső FET nyitása előtt befejeződik.
Kondival kiegészítve, hogy az áttöltődés ideje optimális legyen.
És végül túl sok kondival.... -
ekkold
Topikgazda
Terhelés nélkül azért melegednek a FET-ek , mert jelentős saját kapacitásuk van, amit minden átkapcsoláskor ki kell sütni, ill. fel kell tölteni. Ez az energia veszendőbe megy, és ettől felmelegszik a FET. Ha induktív terhelés van rajta, akkor a holtidőben, az induktivitás elvégzi a kapacitások feltöltését és kisütését, ezért kevésbé fog melegedni. Ha sorbakötsz több előtét induktivitást, és ezt ráteszed terhelésnek (cső nélkül) az is megoldhatja a melegedési problémát. De, ha kevés az induktivitás akkor megint csak melegszik és esetleg tönkremegy, ha túl sok akkor meg hatástalan. Ha tudnád vizsgálni üzem közben oszcilloszkóppal, akkor a hullámformából látszik hogy mikor optimális (amikor az áttöltődés ideje, éppen egy hangyányival rövidebb, mint a holtidő) - ha ez nem megy akkor marad a kísérletezés.
-
Oryctolagus
tag
Így munka utáni agyhalott állapotban nézd el nekem hogy egyiptomi nyelven próbálom elmonadni mire is gondoltam.
hcl
Az akksit már rég kivettem a képen látható BT-reci-ből, nekem inkább a saját hangom átviteli minőségével van gondom(gyakran nem értik amit mondtam), amit én az elhelyezkedésére és méretének rovására írnék. -
ekkold
Topikgazda
Tegyél valamilyen apró hűtőbordákat a fetekre, hogy ne tudjanak túlmelegedni.
A fénycsövén levő kondival köthetsz be soros ellenállást, ahogy ezen a rajzon is szerepel (22Ω)
100nF-ból azért van 2db, mert így megoszlik a cső árama a két kondi között, és az egyenirányító pufferkondija így valamivel kisebb nagyfrekis áramot kap. Enélkül is jól megy, de így picivel hosszabb az élettartam. -
hcl
titán
-
ekkold
Topikgazda
Kb 20 éve én is kísérleteztem hasonlókkal:
Ma már sokmindent másképp csinálnék mint akkor, de manapság kevesebb szükség van ilyesmire. Az utolsó ilyen jellegű fejlesztésem egy 3x 36/40W os fénycsőarmatúrába rakható elektronika volt, ami két vezetékkel (azaz rövidrezárt izzószálakkal, csak a fénycsövek két végét bekötve) hajtotta meg a 3db fénycsövet. A prototípus baromi jól sikerült, gyakorlatilag a 110....120W teljesítmény mellett, minden alkatrésze hideg maradt, de végül (tudtommal) mégsem került gyártásba, mert drága volt a trafót elkészíteni hozzá. 40...50kHz-es, 1000V körüli csúcsértékű feszültséget állított elő, erről előtét kondenzátorokkal működtek a fénycsövek. Gyakorlatilag 3db-nál több fénycsővel is simán ment volna. Ma meg már azt sem tudom mi lett a prototípussal. -
ekkold
Topikgazda
Több dolog is lehetett az ok. A légszerelt megoldásban valószínűleg hosszabb vezeték-összekötések lehettek (csak tipp, mert azt nem láttuk). A FET félhíd kimenetén levő kondenzátor az ún. "ZVS kondenzátor", ennek a funkciója (ha jó van méretezve) akkor javítja a hatásfokot, és csökkenti a négyszögjel meredekségét.
Amikor az IR meghajtó vált egyik FETről a másikra, akkor van egy holtidő (amikor mindkét FET zárva van) ebben az időtartományban a soros tekercs megmaradt árama "húzza át" a féhíd kimenetet a másik polaritás felé. Ennek a sebessége függ a ZVS konditól is. Ha jól van méretezve akkor a FET kapacitások és a kondi áttöltődése kb. a meghajtó holtidejével egyezik meg, vagy kicsit rövidebb. Ilyenkor "trapéz jelet" kapunk, és kicsit jobb hatásfokot.
A rezonáns tápokról több cikket is írtam, és ez a fénycsőmeghajtó is lényegében egy rezonáns tápegység, tehát a működése megérthető a cikkek alapján - majd valamikor olvasd el ha esetleg még nem tetted.
Mindenesetre a rosszul méretezett kondi árthat is, szélsőséges esetben a FET is tönkremehet - pl. ha a félhíd áttöltődése jóval hosszabb lenne mint a holtidő, és az éppen bekapcsolódó FET tölti fel ezt a kondit, egy hatalmas áram impulzussal.
Az, hogy a kondi kapacitása megfelelő-e a félhíd jelalakjának vizsgálata megmutatja, a legprecízebb mérés ha az alsó FETnek nem csak a drainját hanem a a gate hullámformáját is látjuk egyszerre. Ez persze veszélyes játék, nem minden szkóp tolerál ekkora feszültséget, és érintésvédelmi szempontból is veszélyt jelent. Ilyenkor célszerű ideiglenesen leválasztó trafóról járatni az áramkört, és/vagy a szkópot meg akkuról-ha van ilyen lehetőség. Kezdő elektrósoknak, ezek nélkül, sok kellemetlen meglepetést okozhat. -
tordaitibi
veterán
A területe megvan, még tudok tolómérővel mérni bár nagyítóval olvasom le a tolókát
Minden más fehér folt sajnos.
Rá volt írva egy hosszú számsor a rátekert sárga szalagra (tényleg ennek mi a neve, hogy keressem) de ez nem a mag hanem a már kész trafó kódja, gugli semmit nem talált róla. -
ekkold
Topikgazda
Az ilyesmit bele szoktam dobni egy excel táblába, azzal a legkönnyebb számolni:
[ir2153.xls]
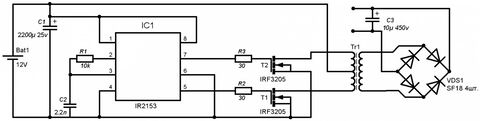
Ja még valami - ha nem írják, hogy milyen prefixum+mértékegység, akkor mindig alapegységről van szó: azaz az ellenállás Ω-ban, a kapacitás F-ban, frekvencia Hz-ben, stb... -
aujjobba
addikt
-
Reggie0
titán
-
Dr. Szilikát
őstag
"Igen, ezzel a TNY255-tel már találkoztam, konkrétan Skori áramkörét is néztem már korábban."
Lehet, nem tudtad, hogy Skorival kommunikálsz, ő a topikgazda. Szerintem ért a dolgokhoz, de tényleg csak azért írom, hogy jobban érzékelhető legyen a helyzet (ha nem sejtetted). Amúgy nem volt olyan vészes szerintem a hozzászólás, vannak helyek az interneten, ennél sokkal többet kell néha elviselni. Ez semmiség.
-
Reggie0
titán
-
ekkold
Topikgazda
-
ekkold
Topikgazda
Nem lesz jó, a félhullámú egyenirányítással sem.
Tényleg nincs egy régi eszközből megmaradt 12V körüli feszt adó dugasztápod?Egy rendes elektronikai fejlesztés esetében először működni kellene a készüléknek, csak utána lehet/érdemes gondolkozni azon, hogy mit lehet egyszerűsíteni, mit lehet kihagyni...
Ráadásul bocs, de halványlila gőzöd nincs a működésről... Pl. a fénycsővel soros tekercset méretezni kellene, hogy megfelelő áram folyjon át rajta, ugyanakkor a fénycsövön levő kondenzátorral azon a frekvencián rezonáljon, ahol az IR2153 működik. Ha ezek nincsenek jól belőve, akkor nem fog elindulni az áramkör akkor sem, ha minden alkatrésze hibátlan, és jól is van megépítve. Ha pedig a rezonancia jó, de a fénycső nem gyújt be egyből, akkor könnyen megszaladhat az áram, ami kinyírhatja az áramkört. A kapcsolásod jelenleg semmiféle védelmet nem tartalmaz ez ellen. A rezonáns kondival soros ellenállás, nem túl elegánsan, de képes lehet a FETek max árama alá korlátozni a csúcsáramot, és ha hiba van akkor legfeljebb elég ez az ellenállás, de az áramkör túléli, és könnyen cserélhető az ellenállás.
Továbbá nem látjuk a kivitelét az áramkörödnek. Ha csak úgy valahogy össze vannak huzalozva az alkatrészek, akkor nem csoda hogy tönkremegy. Kapcsolóüzemű áramkörökben a huzalozás ellenállását és induktivitását is figyelembe kell venni a tervezéskor, ellenkező esetben "megmagyarázhatatlan módon" fog viselkedni az áramkör és esetleg tönkre is megy. Többször nem kérdezek rá, de: fotót készítettél?
Fénycsőmeghajtókat utoljára tavaly nézegettem, akkor még lehetett kapni mindenfélét. Manapság meg érdemes lehet elgondolkozni a világítás "ledesítésén" is.
-
ekkold
Topikgazda
- A korábban berakott rajzodon, c1, c2 kondival sorosan lehet ellenállást tenni. Ha megszaladna az áram akkor max ezek füstölnek el (filléres tétel)
- Az IC tápját legalább a fejlesztés/tesztelés alatt más forrásból oldd meg, pl. stabil 12V-os dugasztápról, így legalább egy hibalehetőség ki lesz hagyva.
A jelenlegi előtét-ellenállásos megoldás az egyik legrosszabb megoldás, az egyszerűségén kívül, már csak hátrányai vannak.Pl. nézd meg ezt a rajzot [link] tudom, bonyolult, de lehet ötletet meríteni belőle, pl. hogy hogy van megoldva az IR2153 táplálása.
Az IR21xx ic és a köré épített kapcsolások elég érzékenyek a jó nyáktervre is, ha nem jó az elrendezés, akár az is elég lehet hozzá, hogy kinyiffanjon az áramkör.
Lefotózod, hogy mit alkottál eddig? -
Dr. Szilikát
őstag
Ha 10 V kell neki legalább az adatlap szerint és 15,6 V-on határol, akkor a kettő között, 12 vagy 13 V-os Zener-dióda megfelelő lehetne. De elvileg az eredeti tervezéssel is menni kellene. Léteznek ugyan hamisítvány IC-k, MOSFET-ek is, de nem tudom, ez milyen lehet.
Kapacitív előtét problémás lehet a csúcsáram miatt, ha pont a szinusz csúcsára kapcsolsz rá, ezért is szoktak még betenni egy soros ellenállást is, ami ezt korlátozza. Ellenállás nélkül ráadásul minden hálózati impulzust jobban közvetít a kondenzátor, miután nagyobb frekvencián csökkenő impedanciát mutat.
Vagy másképp fogalmazva, a meredek impulzusokat jobban átviszi, mint a szinuszhullámot, amire méretezte valaki.
A kis áramkörnek, a fénycsövek nélkül, menni kellene egy 25 W-os izzón keresztül, ami egy kisebb tápegységet is elindít.
-
ekkold
Topikgazda
Az LC körök soros rezonanciája miatt is megnövekedhet annyira az áram, hogy kinyírja a FET-eket. Erre sokféle megoldás létezik, a legegyszerűbb a fénycsöveken levő kondival sorbakötni 22...47 ohm ellenállást.
Az IR2153 IC előtét-ellenállásos táplálása sem túl szép megoldás, ennél még az is jobb megoldás, ha egy dugasztápról adsz neki 12V-ot... -
Dr. Szilikát
őstag
Előbb az alsó FET kapcsol GND-re, a kondi a diódán keresztül feltöltődik. Utána a felső felhúzza, a dióda pedig elengedi felfelé.
Feszültségutánhúzó kapcsolás néven szerepelt nagyon régóta a hangerősítők világában is, már amelyik tartalmazta, csak ott dióda helyett ellenállással, a linearitás érdekében.
Vagy a képcsöves készülékek vertikális eltérítőjében diódával, az is egyfajta hasonló végfok. Amikor a kondi kiszáradt, a kép tetején zavaró, fehér vízszintes vonalak jelentek meg, egyre több, ebből lehetett tudni a bajt. Majd elpukkant az IC, ha valaki halogatta a javítást.
-
And
veterán
Erre annyi a válasz, hogy mivel két n-csatornás fetet vezérel az IR2153, a felső (high side) fet nyitófeszültségét a kapcsolt, esetenként sok száz voltos rendszer feszültsége fölé kell emelni, hogy az kinyisson. Hasonló okból nem lehet a VS sem a GND/COM potenciálján, hiszen akkor a felső fet nyitófeszültsége irdatlan nagy értékre adódna, amit nem viselne el. Utóbbi nem lenne probléma, ha csak 12V-os rendszerben működne, mint a legutóbbi rajzodon (bár van olyan mosfet, amelyik 20 helyett csak max. 8V-os Ugs-t visel el, ), de a bootstrap akkor is kellene a vezérelhetőség miatt.
-
Dr. Szilikát
őstag
Az adatlap szerint legalább 10 V kellene neki, amit felülről a belső Zener-dióda korlátoz 15,6 V-on, sőt ajánlja is, hogy fel kell húzni "ütközéséig".
"Enough current should be supplied to the VCC pin of the IC to keep the internal 15.6V zener diode clamping the voltage at this pin."
5 mA tápáram kellene neki, amihez elvileg 62 kohm is elegendő lenne. De valószínűleg nem ok nélkül lett 33 k, ha úgy állt be megfelelően.
Biztosítékként soros izzólámpát szoktam használni tápjavításokhoz, kisebbekhez 230 V / 40 W elegendő, ehhez (terhelés nélkül) annyi sem kellene.

-
Dr. Szilikát
őstag
Kimenetről le kellene kötni a terhelést, a C3 kondenzátort is, előbb önmagában beüzemelni.
A C3 fontossága is kérdéses, sok alkalmazásban nem is szerepel, ha ránézünk a képkeresőben. Viszont okozhat éppen gondot, ha a kelleténél nagyobb kapacitású, illetve nem bírja elviselni a meredek négyszögjelet, feszültséget.
-
leweegee
aktív tag
-
laed
senior tag
-
rednifegnar
senior tag
-
Dr. Szilikát
őstag
Nem azt mondom, hogy kockáztass, csak az elmélet kedvéért: készülékeknél általában 100-150 W teljesítmény felett alkalmaznak aktív PFC-t, határesetnél passzív megoldást esetleg.
Alábbi képen a nagy vasmagos fojtó (passzív PFC), de több más esetben még ez sem:
https://www.google.com/images?q=Compressor+Inverter+Control+Board

-
leweegee
aktív tag
Szerintem túlpörgöd, egy átlagos fagyasztó ha tele van durrantva, kb 48 órán keresztül tartja a hőmérsékletet, ha félig van m kb 24 órán át. Nem kell nyitogatni az ajtaját.
Esetleg ha elárulod a pontos típusát, meg lehetne mondani milyen táp lakozik benne, ha mindenképp ragaszkodsz az inverteres megoldáshoz. -
rednifegnar
senior tag
-
tordaitibi
veterán
Szia igen jól gondolod és ha greatz-puffer, akkor elmegy ac dc 3szög 4szög mindenről. Pl. nekem 8. éve megy 275V DC-ről a kazánkeringető szivattyúm.
De HA aktív pfc-s a hűtőd tápja akkor nem szabad rákötni.
Ezt meg a hűtő gyártóján kívül nem sokan tudják megmondani, csak ha szétszedik a hűtőt és megnézik a táppanelt. -
ekkold
Topikgazda
-
ekkold
Topikgazda
A kapcsoló-félvezetők holtidejében (amikor le vannak zárva) A trafó induktivitásában tárolt energia és a többi alkatrész együtt határozza meg milyen lesz a hullámforma. Tehát az áramköröd nem hibás, hanem egyszerűen ilyen.
- Ha ez zavar akkor ú.n. fázistolós inverter kell, abban a teljes híd mindkét félhídja 50%-os kitöltési tényezővel megy, de egymáshoz képest fázisban eltolva.
Ennek a kimenő jele majdnem ugyanolyan, de nincs olyan holtidő, amikor a trafó szabadon lengeni tudna (inaktív állapotban gyakorlatilag rövidre zárt a primer)
- A másik ehetőség ha nem foglalkozol ezzel, ha arra a célra jó, amire használni akarod, akkor használd (sok hátránya talán nem is lesz)...
Magyarul: snubberrel ezt csak nagyon nagy veszteséggel lehetne kezelni, vagy aktív snubber kellene, ami kb. majdnem ugyanolyan bonyolult, mintha fázistolós invertert építettél volna.Szerk.: Azt ugye látod te is, hogy nem 50Hz-en megy, hanem alacsonyabb frekvencián... miért nem állítottad be 50Hz-re?
Ezen kívül ezt úgy kellene beállítani hogy a feszültség csúcsértéke 320V körüli legyen, de az effektív értéke 230V, akkor a leginkább univerzális.
Ja és ha már kérdezel, egy kapcsolási rajzot is illett volna betenni, hogy értelmesebb válaszokat is kaphass.
-
Janos250
őstag
-
hcl
titán
-
Janos250
őstag
Sárga szögletes? Nekem van átalakítóm.
https://vi.aliexpress.com/item/1005005069010355.html -
hcl
titán
-
lanszelot
addikt
Először is köszönöm szépen a válaszokat mindenkinek
A tárolás a gond. Ha 12V lenne kevés A -el akkor nem lenne gond.
De az ördög és az alvási szokásai miatt inkább nem.
Nem is a töltés, hanem tárolás kozben ha víz éri... No nem egy medencényire gondoltam.
Gondoltam a kompresszor olajra is, az tuti lenne, de ismét tárolási probléma. Hova rakjam az akváriumot.
Ház tető leszedése, ventilátorral levegő mozgatás lenne a legegyszerűbb, csak ki kell találnom hova tegyem ahol senki se jár. -
lanszelot
addikt
-
Batman2
addikt
-
leweegee
aktív tag
-
rednifegnar
senior tag
en biztos cserelnem ezeket, ahogy latom 200-300ft pl egy 74-es is. tobbe kerul a foglalat mint az ic. azert szoktam inkabb foglaltba tenni hogy ha valami ilyesmitol megmakkan akkor egyszeru kicserelni, nem kell szaz labat ki/be forrasztani meg simogatni a nyakot harisnyaval stb.
en azokat az ellenallasokat kihagynam egy proba erejeig, legalabb kiderul hogy ott van e valami gond. ha kezzel piszkalod akkor az okoz zavart a szamlalasban? alufolia nem tom mennyire vedi meg barmitol is. -
aujjobba
addikt
Meglett az elso ketoldalas nyakom, igaz az egyik oldal majdnem full GND.
Modellfestek nem volt itthon, ezert a GND oldalt celluxal vedtem meg a marastol!
Probaltam elotte mindenfele festeket amit itthon talaltam, de mindet leoldotta a perszulfat, volt amelyik pezsgett rendesen es elemeire hullott.
-
Reggie0
titán
-
Aryes
nagyúr
-
rednifegnar
senior tag
ic-t nem csereltel? multkor nekem most volt egy pic-em ami mukodott de nagyon bizonytalanul eltartott egy darabig mire rajottem, hogy azzal van a gond mert latszolag mindene jo volt (az is kulso kvarcos volt), betettem egy ujat es minden meggyogyult. ha levalasztod a 74-esekrol es ugy mered a szkoppal akkor is bizonytalan?
-
ecaddsell
senior tag
A jel stabilitását valami kevésbé leosztott kimeneten próbáld megnézni pl. Q3.
Egy időben foglalkoztam pontos frekvenciamérő tervezéssel, a kristályok stabilitását hőmérséklet, vibráció vagy éppen az is, hogy melyik oldalára van fordítva befolyásolja (ma az összes hobbi szintű komoly mérő GPS vevő kimenetére van szinkronizálva és dupla termosztátos).
Az aging sem lineáris, van amikor megugrik, bekapcsolás után nem onnan indul mint amikor kikapcsoltad stb.
Komoly műszerekben termosztátban ill. dupla termosztátban is csak olyan 8 digit pontosságot lehet elérni GPS vevő nélkül (a felbontás ennél lehet jóval több is 12-15 digit).
A kristály cseréjével érdemes kezdeni ha nincs hozzá műszered, ez filléres tétel. -
Aryes
nagyúr
-
aujjobba
addikt
Nincs itthon kétoldalas, ráadásul a helyi elektromos üzletben sem.
Plusz a másik oldalt maratás elleni védelme is hiányzott nekem, de most már tudom: modell festék.
Köszi!Más: először egy darab 22uF tantál kondit tettem a kimenetre, majd aztán plusz egyet így lett 180-200mV a kilengés, de a jelalak szép szabályos mint az adatlapon.
Aztán tettem mellé plusz egy 10uF kerámiát, így lett 40-80mV a kilengés, de ennek a nagyját az éles kilövések adják (amiket MLCC nélkül nem láttam) és középen fut kisebb amplitúdóval a hullámos jel.
Itt most a szkóp csap be (rosszul nézem és a kilövések valójában nem is léteznek), vagy tényleg ott vannak és az probléma?
A rugót használom a GND-hez nem a hosszú klipet.
Inkább több mlcc-t érdemes használni, vagy inkább tantál, vagy vegyesen? -
Aryes
nagyúr
-
weiss
addikt
-
tsu
tag
-
mezis
félisten
-
tsu
tag
-
weiss
addikt
-
mezis
félisten
-
Batman2
addikt
-
Dr. Szilikát
őstag
Nagyobb frekvencián nagyobb impedanciát képvisel ugyanazon induktivitás, viszont egyre jobban bejön a képbe a lemezelt vasmagban keletkező örvényáramok okozta veszteség, amivel a vasat fűtöd gyakorlatilag.
Ezért van az, hogy kisebb frekvencián még csak lemezeléssel mérséklik az örvényáramokat, nagyobb frekvencián porvasmaggal, ahol már a ferromágneses szemcsék is egymástól szigeteltek, nem csak a lemezek.
A vasmagba iktatott légrés csökkenti a primer induktivitást, ezzel együtt impedanciát, nő a primer áram. Ugyanakkor a trafó terhelhetősége, kimeneti stabilitása romlik, kvázi nő a szekunder impedancia (áramgenerátoros jelleg), ha jól emlékszem. Ezt használták ki azon hegesztőtrafóknál, ami állítható légréssel készült.
Egyenetlen tekercselésnek nincs nagy jelentősége, az a legkevesebb. Vagy gyakorlatilag semmi.
-
Dr. Szilikát
őstag
-
#32277248
törölt tag
-
tordaitibi
veterán
"V3 éve megcsúszott a csavarhúzó és a 400V-ba nyúltam bele, no az még nagyobb csapás volt, mint a 230."
Ezt nem tudom hogyan csináltad, hacsak nem egyik kézzel-lábbal álltál az egyik fázison és megfogtad a másik fázist.
Kishazánkban bármelyik fázis és a föld között 230V van és a 400V csak 2 fázisvezető között létezik azaz minimum 2 fázisvezető egyidejű érintésével lehet 400V áramütést elszenvedni.Tanulságos és jó képet mellékelek, az évtizedes orvosi és mérnöki tapasztalatokat szedték össze egy grafikonba.
A kép alatt idézem a fokozatok leírását.
15-100 Hz közötti frekvenciájú áramerősségek hatásai.
AC1: Általában semmi hatás
AC2: Általában semmi káros hatás
AC3: Szervi kár nem keletkezik. Az áram növekedésével és a behatási idő növekedésével visszafordítható szívritmuszavarok, pitvari fibrilláció és ideiglenes szívleállás várható. 2másodpercnél hosszabb idejű behatások esetén görcs szerű izom összehúzódások és nehézségek léphetnek fel a légzés során.
AC4: Veszélyes halálos hatások mint szívmegállás, légzésleállás, és súlyos égések léphetnek fel az AC3hatásain felül.
AC4.1 A szívkamra fibrilláció valószínűsége 5%
AC4.2 A szívkamra fibrilláció valószínűsége 50%
AC4.3 A szívkamra fibrilláció valószínűsége több mint 50%A cikk leírja hogy bizonyos körülmények esetén 25V érintése 77mA áramot is előidézhet, meghaladhatja az elengedési áramot és az időbehatás függvényében halálos is lehet. 25V.
Forrás: villanylap
[link] -
darvinya
titán
-
daninet
veterán
-
Dr. Szilikát
őstag
Mivel ez egy egyszerű, vagy egyszerűsített rádiófrekvenciás adatátvitel, így lehet, hogy kritikus az 560ohmos ellenállás értéke...
Nincs jelentősége, ahogy írja is:
To operate, you need three resistors: 2x4.7kΩ and one 560Ω (precision not critical), wired to GPIO4 and GPIO17 like so...
-----------------------------------------------
De ha túl közel van az antenna az órához az is lehet baj, mert interferencia lehet az óra ferrit antennájával és akkor bizonyára hibás lesz a jelátvitel.Azzal nem tud interferálni (frekvenciák keveredéséből van az interferencia), túlvezérelni tudná esetleg az érzékeny vevőt, amitől torzulna a jel. Az interferencia itt a környezet, avagy mások kártékony zavarására értendő, kiemeltem a vonatkozó részeket:
The signal is very weak, so bring this wire-loop close to your radio watch/clock.
Being too close to the clock can confuse a sensitive receiver, so you might need to experiment with the distance.
The antenna set-up is intentionally not optimal to just be good enough for a local watch but hopefully not causing interference. Further improvements of course can be done to the antenna for increased transmission distance, such as using a ferrite, making it an LC circuit or adding an amplifier. Only go in this direction after familiarizing yourself with allowances of radio transmissions in your area on your frequency of interest.
---------------------------------
Úgy értem a leírásból, hogy vannak olyan régebbi órák, amik manuálisan gombokkal nem állíthatóak be, csak rádiófrekvenciásan a gyártó régiójának megfelelő időjellel.
Időzónára vonatkozó infók vannak a DCF77 szabványban is:
https://hu.wikipedia.org/wiki/DCF77
De arra még nem tudtam rájönni, hogy a (német) WT-300D időzítőm miért állítja el magát mindig plusz 2 óra és 15 perccel, amint veszi a jelet.Tehát pl. 19:45 helyett 22:00 (volt nyáron). Régebben mintha jó lett volna, bár pontosan nem emlékszem.
-
hzsolee
őstag
-
cibere11
tag
Köszönöm.Ha 560 helyett 570 az ellenállás az számít?https://github.com/hzeller/txtempus Ezt szeretném összehozni.A feltekert vezeték vastagsága számít?
-
hzsolee
őstag
-
ekkold
Topikgazda
Ezek eléggé alap kapcsolások, alaphelyzetben párszáz W-ig lehetnek jók. Nagyobb teljesítménynél már megjelenik pár olyan probléma, amivel kis teljesítménynél még nem, de egy bizonyos teljesítmény felett már muszáj foglalkozni.
De erre az IC-re akár sok kW-os inverterek vagy tápegységek építhetők.
Nagy teljesítmény esetén , ami még kellene (csak nagy vonalakban)
- Lágyindítás: hogy bekapcosláskor a kimeneti kondik töltőárama ne robbantsa fel a feteket.
- Hasonló okokból valamilyen áramkorlátozó vagy túláramvédelmi megoldás.
- Erősebb fetmeghajtás a nagyobb teljesítményű fetekhez (ez további 4db tranzisztorral megoldható)
- Ha nem 12V-ról akarod járatni akkor az IC tápjához kell egy külön "stabkocka", vagy valamilyen egyéb tápforrás.
- A feteket védeni kell a túlfeszültség tüskék, és a trafó lengései ellen. Magyarul úgynevezett snubber áramkör és/vagy esetleg tranziens szupresszorok beépítésére is szükség lehet.Amúgy nem kell kizárni az összes önrezgő megoldást, mert van egy ami kellően szimmetrikus jelet ad, bár némiképpen bonyolultabb mint az itt szereplők. Ez teljesen saját, és egyedi fejlesztés (amikor feltettem a netre, akkor sehol nem találtam ehhez hasonló megoldást):
Skori konverter
Ez egy több részből álló cikkemnek egyik fejezete - esetleg érdekes lehet az elejétől átolvasni. -
ekkold
Topikgazda
Csatolok pár rajzot, de kereshetsz Te is még a neten. At IR ic-k 0,6...1,2usec holtidővel működnek, egy régebbi PC trafót általában 60kHz körül lehet meghajtani. Ilyenkor az eredetileg 5V-os tekercseire mehet 12V, az eredetileg 12V-os tekercsekre pedig akár 24...28V. A eredetileg primer tekercs, amit ez esetben szekunderként használhatunk, egyenirányítható kétszerezővel, és máris van 300V körüli feszültségünk, amiről a kapcstápos cuccok, kompakt fénycsövek és hasonlók képesek működni.
FIGYELEM - a 300V DC Életveszélyes!!!!
Sose legyél egyedül amikor ezzel kísérletezel, legalább legyen aki mentőt hív ha baj van - de reméljük erre sohasem lesz szükség.


-
ekkold
Topikgazda
Az a probléma, hogy az úgynevezett push-pull kapcsolás esetén - tehát amikor két kapcsoló-félvezető felváltva kapcsolja egy trafó két "féltekercsét", akkor a legkisebb asszimmetria is felmágnesezi DC-ben a vasmagot, amitől az időnként telítésbe mehet, és pl. a két félvezető közül az egyik jobban fog melegedni.
Erre többféle megoldás van:
- az egyik tordatibi által berakott megoldás, ahol a flip-flop áramkör megoldja, hogy a két vezérlő jel tökéletesen egyforma legyen. Ebből csak a rendes FET-meghajtás hiányzik, ami ahhoz kellene, hogy ne csak 50Hz-en lehessen jó hatásfokkal használni, hanem nagyobb frekvencián is.
- a másik megoldás amikor viszonylag nagy holtidőt hagynak a két FET nyitása között - azaz van egy olyan (viszonylag rövid) időintervallum, amikor mindkét FET zárva van, ilyenkor a vasmag valamennyire le tud mágneseződni (nem teljesen) de az erősebb asszimmetriák ki tudnak egyenlítődni. A legegyszerűbb árakör erre pl. az IR2153 vagy IR21531 IC-vel megvalósított kapcsolás. Ez használható félhíd és push-pull elrendezésben is. Ezzel akár 100W átvihető úgy egy PC trafón, hogy hűtőborda nélkül sem melegednek a FET-ek. Keresek neked rajzot róla. -
ecaddsell
senior tag
Lehet jobban jársz ha aliról veszel egy tiszta szinuszos invertert, mint ismeretlen viselkedésű komponensekkel megfelelő műszerek nélkül próba szerencse alapon csinálsz valamit ami elég korlátozottan használható, semmi védelme stb.
Ha nagyon olcsót akarsz akkor 700W körüli inverter panelt már kb. 50 dolcsiért adnak (mondjuk 20k), dobozolva 60 dolcsi (itt már lehet válogatni DC fesz. ill. telj. alapján, persze többért).
Ezek 95% feletti valószínűséggel rögtön mennek (azaz lehet érdemes kettőt rendelni belőle, de még mindig kevesebb mint az akku ami kell hozzá ill. egy olyan mérőfej amivel én egy ilyennek a közelébe mernék menni), és ha nem nagyon terheled a venti sem zajong ill. az élettartamát is javítja (a hő ill. a kapcsolási tranziensek max. néhány éven belül úgyis megeszik, azaz ezek nem a komoly kategória, de még mindig komolyabb mint amit most próbálsz).
Az elsőn jól lehet egyébként tanulmányozni, hogy miként működik ez. (Az elvet már írtam korábban, van 1 DC-DC konverter ami kb. 350V DC-t állít elő amiből egy MOSFET híd kapcsolgatja az 50Hz szinuszt. Amiért mégis olyan töménytelen alkatrész van rajta az a védelem meg a vezérlés/visszacsatolások amiből nálad semmi nincs.) -
Dr. Szilikát
őstag
Olyat nem lehet / nem szabad csinálni, az alapelvet cáfolná meg (a két félhullámnak egyformának kell lenni, úgy korrekt):
#86797 lanszelot
Noha az előzményben nem látom, de van itt egy lényeges dolog:
-
tordaitibi
veterán
Ott kevés a frekvencia, azért vesz fel sok áramot.
A videóba egészen biztos más volt a vas.
Én is küzdöttem 25 évvel ezelőtt önrezgő invertekkel, aztán feladtam.
Helyette csináltam ilyeneket, kb. 40 darabot. Piacos-vásározó voltam 8 évig és az autós izzók pillanatok alatt leszívták az akkut, egy 12/230V inverterrel és kompakt fénycsövekkel 10x annyi ideig világítottam, és az árustársaim is vettek tőlem ilyeneket.
Így nézett ki,
Ez mire összeállt, irgalmatlan sok szívás volt pedig faék egyszerű, egy alap frekvencia generátor, egy 1/2 szimmetrikus osztó/meghajtó és a fetek+trafó.
Először 12V trafóval kezdtem, nem lehetett rendesen megterhelni.
Majd jött a 2x9V primer, ez már jó lett volna ha nem 1,4A a nyugalmi áramfelvétel. Majd felvittem 50Hz helyett kb. 80-90Hz-re, itt jó lett a nyugalmi, megállt 0,4-0,5ampernál. Mivel négyszög a meghajtás, megnőtt a vasveszteség, ezt kicsit ellensúlyozta a nagyobb frekvencia.
Feljebb vive a frekit nem volt érdemi javulás, több 100Hz környékén elkezdtek melegedni afetek és ismét megnőtt a nyugalmi áram, véleményem szerint a négyszög+vasveszteség miatt.
Ha kihagytam a játékból az 1mikrofarad/56 ohm tagot, akkor random 1 perc-1óra múlva üresjárásba valamelyik fet elszállt, gyanítom valami túllövés, túlfeszültség impulus átütötte.Csak azért írtam le mert ez a kapcsolás fényévekre van egy több 10-100kHz porvasmagos trafó meghajtásától, ott amúgy nemcsak a freki nagyobb hanem a terhelés függvényében erősen PWM-ezik is a meghajtás és ezt Te ezzel az egyszerű önrezgő kapcsolással nem tudod lemodellezni. Valamint ahogy nő a freki, egyre inkább szerepet kap a fetek korrekt gate meghajtása, és megnövekszik a primitív kapcsolás egybenyitási ideje is, ami = a fetek halálával.
Lesz még dolgod ezzel a kísérletezéssel

-
Dr. Szilikát
őstag
A tekercs nem tud különbséget tenni pozitív és negatív félperiódusok között, az csak a diódán múlik.
Közös vastag szekunder szolgálja ki, csak a pozitív ágba komolyabb diódák szükségesek, míg negatív ágon gyengébb diódák is megfelelnek.
Épp ezt lehet kiaknázni, ha ilyen tápegységben a negatív ági diódákat is kicseréljük erősebbre, meg persze a vékonyabb fóliarajzolatot / szűrőtekercseket is kiküszöböljük, akkor a negatív ág is erős lesz, hiszen a szekunder maga ugyanaz. Kétféle szisztémában is látható alább.
Szaggatott vonallal jelölik a hűtőbordás diódákat, a pozitív ágban:
-
ecaddsell
senior tag
Az ATX tápok kezdetben kb. 30kHz-en jártak, majd ahogy haladunk az időben úgy mentek fel frekvenciában akár 200kHz-re vagy felette is.
Amivel hajtod az kb. 22kHz, ami attól függően honnan bányásztad (mikori időből származik) lehet csak kicsit, meg nagyon sokkal alatta az ideálisnak, lehet akár több is mint 50kHz-re tervezték.
Azt meg, hogy a MOSFET-ek mennyire összevissza kapcsolnak egy szkóppal meg megfelelő mérőfejjel lehetne nézni, de ez még nem fog javítani rajta.
Persze ha sok felesleges MOSFET-ed van amit nem sajnálsz ezzel is el lehet játszani.A végcél nekem még mindig nem világos.
Hagyományos izzóban 12V voltost simán lehet venni, sőt ma azt talán egyszerűbben is mint 230V-osat, azaz oda ez nem kell, ha világítás a cél
LEDeket is simán lehet 12V DC-ről hajtani, oda sem kell (max egy normális driver, pl. amit lámpákhoz szoktak használni).
A legtöbb fogyasztó nem fogja szeretni ezt a nagyobb frekis kapcsolgatós jelet.
Egyébként meg bármi hosszabb vezeték a terhelés felé antennaként fog viselkedni és jól megszórod a környéket zajjal (EMI). Azaz ez sem igazán célszerű. -
aujjobba
addikt
Az 50%-os kitoltesu 555-os negyszogjel tokeletesen mukodik ezzel a kapcsolassal:

(forras)Ra es Rb egyformanak kell lennie, 10nF kondival es 2db 2k2 ellenallassal 24kHz kozotti jelet ad nalam.
49.5% kitoltest mond a szkop, de az ellenallasok sima 5%-osak (nem valogattam ossze oket), ebbol adodhat elteres az 50%-tol gondolom.
Új hozzászólás Aktív témák
-
Fórumok
LOGOUT - lépj ki, lépj be!
LOGOUT reakciók Monologoszféra FototrendGAMEPOD - játék fórumok
PC játékok Konzol játékok MobiljátékokPROHARDVER! - hardver fórumok
Notebookok TV & Audió Digitális fényképezés Alaplapok, chipsetek, memóriák Processzorok, tuning Hűtés, házak, tápok, modding Videokártyák Monitorok Adattárolás Multimédia, életmód, 3D nyomtatás Tabletek, E-bookok Nyomtatók, szkennerek PC, mini PC, barebone, szerver Beviteli eszközök Egyéb hardverek PROHARDVER! BlogokMobilarena - mobil fórumok
Okostelefonok Mobiltelefonok Okosórák Autó+mobil Üzlet és Szolgáltatások Mobilalkalmazások Tartozékok, egyebek Mobilarena blogokIT café - infotech fórumok
Infotech Hálózat, szolgáltatók OS, alkalmazások SzoftverfejlesztésFÁRADT GŐZ - közösségi tér szinte bármiről
Tudomány, oktatás Sport, életmód, utazás, egészség Kultúra, művészet, média Gazdaság, jog Technika, hobbi, otthon Társadalom, közélet Egyéb Lokál PROHARDVER! interaktív
- Fórumok
- Egyéb hardverek
- Hobby elektronika
- (kiemelt téma)
- Milyen monitort vegyek?
- Samsung Galaxy A54 - türelemjáték
- Milyen TV-t vegyek?
- A fociról könnyedén, egy baráti társaságban
- Samsung Galaxy Watch (Tizen és Wear OS) ingyenes számlapok, kupon kódok
- One otthoni szolgáltatások (TV, internet, telefon)
- Bittorrent topik
- Megújult mobilos felület, fórumos ráncfelvarrás a PROHARDVER! lapcsaládon
- PROHARDVER! feedback: bugok, problémák, ötletek
- Sorozatok
- További aktív témák...
- 100.000 ft tól elvihető RÉSZLETRE Lenovo Pro 7 16IRX9H 4090
- G.SKILL Trident Z5 Neo RGB 32GB (2x16GB) 6000MHz CL30 - Alza élettartam garancia
- Palit GeForce RTX 4070 Ti SUPER GamingPro OC WHITE 16GB - Alza garancia 2027.11.10 - BESZÁMÍTOK
- PowerColor Radeon RX 7900 XTX RED DEVIL OC 24GB - Garancia - BESZÁMÍTOK!
- Új, Gamer félgép - GIGABYTE B650 EAGLE AX + Ryzen 7 7800X3D + Corsair 2x16GB DDR5 6200MHz
- BESZÁMÍTÁS! Asus Prime X570 R7 5700 64GB DDR4 1TB SSD RTX 5060 Ti 16GB Zalman S2 TG FSP 650W
- Apple iPhone 13 128GB, Kártyafüggetlen, 1 Év Garanciával
- Apple Mac mini M1 2020 - 16GB/256GB SSD - Erősebb verzió! - Szép/Megkímélt állapotban
- REFURBISHED - Lenovo ThinkPad 40A9 USB-C Dock
- AKCIÓ! Dell XPS 13 9305 13 FHD üzleti notebook -i5 1135G7 8GB DDR4 512GB SSD Intel IRIS XE W11
Állásajánlatok
Cég: Laptopműhely Bt.
Város: Budapest


Ha ilyesmit produkál, akkor az a gépnek tutira nem használ, de Te tudod.
De nem gyakori, inkább az a jellemző, hogy ha veszel egy bármilyen tápegységet, azzal jól működik minden.








Amúgy a gépkönyv tartalmazza a visszamelegedési időt, át kell nyálazni.





ekkold