Hirdetés
- bb0t: Ikea PAX gardrób és a pokol logisztikája
- sziku69: Szólánc.
- Luck Dragon: Asszociációs játék. :)
- urandom0: Száműztem az AI-t az életemből
- D1Rect: Nagy "hülyétkapokazapróktól" topik
- f(x)=exp(x): A laposföld elmebaj: Vissza a jövőbe!
- Sub-ZeRo: Euro Truck Simulator 2 & American Truck Simulator 1 (esetleg 2 majd, ha lesz) :)
- Magga: PLEX: multimédia az egész lakásban
- sziku69: Fűzzük össze a szavakat :)
- gban: Ingyen kellene, de tegnapra
-
LOGOUT
Ez itt, az elektronikával hobbiból foglakozók fórumtémája.
Lentebb összegyűjtötttem néhány elektronikával kapcsolatos, hasznos linket.
Új hozzászólás Aktív témák
-
Batman2
addikt
Akkor most küldjem vissza a tápot, vagy lehet valamit egyszerűen csinálni vele?
Tény, hogy nem a 9-10ezres tápot vettem meg, hanem a 3500-asat.
Akkor ebből vajon mit hagytak ki ?
Azért idegesítő ez a kurzor mozgás probléma és nem is mindig reagál, ha érintőpaddal klikkelek rá valamire.
A táp csatlakozója spéci lapos Lenovo csatlakozó, semmi mást nem tudok rádugni próbaképpen.
Üdv. -
Szia a nagyfesz. diódán több V esik nyitóirányban, több sorbakötött si dióda van benne.
Van multiméter ami tudja mérni, de 12 voltot nem mindegyik multi tudja.
Fogsz 18-20 voltot, pár kohm ellenálláson keresztül rákötöd a nagyfesz. diódára nyitóirányban és ezen közvetlenül mérsz.
12V körül mértem edddig. -
Vettem 600mA-st, mert az volt
. Nem vágja le (a legkisebb fokozaton próbálva), de a trafó melegszik mint atom. És persze nem melegít.
Ez magnetron lesz? Gondolom nyeli az áramot, azért forr a trafó. (Szaglik, ahogy ég benne a por, járatás után meg se lehet fogni, olyan meleg.) :S Csillámot persze megpucoltam, de amúgy sem volt mocskos. -
baly81
aktív tag
+1 👍
Korábban (kb 2018-ban) teszteltem...
Egy vásárlásból, gyártásból származó, mindenben megegyező 18650 Li-Ion cellák voltak.
Külső egységben (lámpa akkupakkokban) használtam őket.
4 darabot (egy pakk) "csak" 4,05 Voltig, 4 darabot 4,20 Voltig töltöttem a SkyRC MC3000 töltőimmel. A töltő-/ kisütőáram, a ciklusok, illetve a felhasználás is azonos volt mindkét pakknál, ugyanis egy kerón használtam őket ugyan úgy.
Az alacsonyabb töltöttségű pakk értelemszerűen hamarább lemerült (a pakk elektronikájában van feszültségkorlát a túlmerítés megelőzésére).
Viszont:
Kb. 80 ciklus után látszott a különbség is. A totál feltöltött akkuk belső ellenállása sokkal nagyobb, kb másfélszerese volt a másik pakk celláihoz képest. A névlegeshez közeli kapacitásukat ugyan megőrízték így is, ám a kerólámpák legnagyobb fényerejénél (szó szerint kb az autók távolsági fényszórója), 4 cella 7,4V -os pakkban nagyjából 2,5A-es terhelésre sokkal jobban leesett a feszültsége. Emiatt kevesebb kapacitás is volt kivehető nagy terhelésnél; Érzésre úgy kétharmada. Alacsony terhelésnél a kapacitások megegyeztek a két pakk celláihoz képest.
Töltés közben 2-5°C volt az eltérés a két pakk celláin mért hőfokeltérés.Miután én ezt megtapasztaltam, azóta csak ~4,00 V-ig töltöm a Lítium cellákat. A nagyobb kapacitású IMR celláknál ez amúgy is 6-8%-nyi kapacitást jelent észrevételem szerint. Szóval egy névlegesen 2500-as cella kb 2200-2300mAh energiát tárol 4 Volt körülre töltve. Cserébe élettartama hosszabb lesz.
Nyilván ehhez kell alkalmas töltő is, de annyiban szerencsés helyzetben vagyok, hogy az MC3000-ben minden paramétert teljesen be lehet lőni. Imádom őket emiatt.
-
-
And
veterán
Sokat számít a kapacitás, de megenné a fene úgy általában a kvarcra alapozott oszcillátorokat, ha 10...20 pF-dal százalékokat lehetne elhúzni azokat. 2-3 nagyságrenddel kisebb elhangolás a reális. Néhány száz ppm-nél (azaz pár század százaléknál) nagyobb mértékű elhangolás egyszerűen nem fog menni.
-
And
veterán
"Nézegettem ennek a Holteknek az adatlapját, ott 10pF írnak a 32768kHzkvarchoz. De ez a mikrokontrollertől függ, vagy a kvarctól?"
Mindkettőtől. A kvarcra megadják, hogy milyen terhelőkapaccal működik jól, az adott hibahatáron belül. Az oszcillátorra meg specifikálhatják azt, hogy mennyivel terhel. De ez az egész csak legfeljebb néhány 100, inkább 10 ppm-es nagyságrendekről szól, te pedig sok százaléknyi hibát említettét. Ekkora eltérést kapaccal már bőven lehetetlen behúzni, ott máshol kell a problémát keresni. Például a szoftverben. -
-
huhh, ehh... azt hittem valami "rendes" alaplap. Ezekben iszonyat bezsúfoltak mindent. Céges környezetben voltak, így sok okosság nincs a neten a javításról, max a bővítésről. Nem tudom, h mivel voltak forrasztva, ha nem melegszik semmi, akkor még ez is lehet vagy valami más...
Jó mulatást hozzá, ez igazi hőstett
-
-
-
Batman2
addikt
Ha csak villan egyet a tápot jelző LED, akkor esetleg lehet hibás kondi is, egyik sincs felpuposodva?
De ha nincs, akkor is lehet az elkó kiszáradva, vagy akár zárlatos is. Ha lecsökken a kapacitásuk, vagy megnő az ellenállásuk, a kimenöfesz erősen ingadozni fog, amitől a védelem idő előtt lekapcsolja a tápot.
Persze lehet más hiba is.
Üdv. -
Dr. Szilikát
őstag
Nem mondom, hogy mindennapos, mert naponta több eset is a szervizekben, amikor induláskor rövid ideig világít, vagy csak villan a LED-háttér és ezt LED-hiba okozza.
Elegendő a sorban egy elfáradt LED, ami csak rövid ideig bírja az áramot, utána "beleszakad". Több sorra osztott driver lehet ugyan, amikor csak egy szakasz tilt le, de letilthatja a "társait" is egy hiba.
Ami érdekes, hogy ezt ismételni is tudja sokszor, a következő indulásnál. Egy idő után persze kinyíródhat teljesen. Meg az is jó, valaki ráakasztja a LED-tesztert, de az csak kisebb áramot tol rá, amitől nem akad ki, simán világít.
Inhomogenitást pedig nem veszel észre akkor sem, ha vannak zárlatos LED-ek, egyrészt a diffúzor nagyon jól eloszlatja a fényt, de ha nem, az LG-logó akkor is vicc, azon nem fogod észrevenni, pláne olyan hamar.
-
-
Magnós kérdésre: másik magnóban ugyanaz a kazetta rendes hangerővel szól?
Az biztos, hogy a kopott fejnek nem sok köze van a magnó kimenő feszültségszintjéhez. Ha kopott a fej, akkor a magashangok esnek vissza, és/vagy a két csatorna hangereje nem egyforma.
Tippre inkább az erősítő áramkörben van bibi (kondik meghaltak, tranyók haldokolnak), vagy esetleg nagyon-nagyon koszos a fej.
-
Nekem ilyen krimpelő fogóm van, ennyit még én is rászántam, pedig évente egyszer krimpelek
-
-
laed
aktív tag
Nem erről van szó. De nekünk van három is, és egyikkel sincs ilyen gond. Ennek tükrében én bizony megmondanám neki, hogy vegyen valami jobbat, ezt meg hajítsa el. Már csak azért is, mert ha legközelebb valahol máshol lesz vele gond, és erre mondjuk kigyullad, akkor azért is én leszek a hibás.
-
-
Anyós levehető (ajtós
) vízforralójában sz@rrá vannak égve a kontaktusok, minden évben több alkalommal órákat bajlódom vele.Tavalyelőtt kapott karácsonyra másik vízforralót, mondván, hogy a régi javíthatatlan már, ne azt használja.
Természetesen az új vízforraló el van téve a szekrénybe, a régit használja merthogy azt szereti, szóval ugyanúgy javítgatni kell időről időre
Mondtam az asszonynak, hogy vagy vízforralót cserélek, vagy anyóst
Nem értékelte a viccet, így javítgatom a régi sz@rt
-
Vízforraló projekt?
Annyit tudok hogy nemrég lyukadt ki a melóhelyi Atmos kazán és kimentettem belőle kb. 10 méter szilikonos szigetelésű első osztályú ultrahajlékony rézvezetéket. 0,75 és 1,5 vastagság.
9 évet kibírt úgy hogy nyoma sincs keményedésnek vagy más öregedésnek a vezetékeken.
Egy kazán vezetékelés azért eléggé ki van téve melegnek.
Ugorj át dáélután adok belőle szívesen
-
Amúgy erre; az a terv, hogy egy megfelelő, sarus kábelről az egyik végét levágom, majd ez a vége lenne a relé lábára forrasztva (és mechanikailag is rögzítve), kihagyva a NYÁK felőli oldalon a sarut. A kancsó felőli érintkezős oldalon nem volt gond, bár a kábel szigetelése égett ott is.
Ez működhetne?@Reggie0 : Köszi! A fene, akkor ezt külön kell rendelni.
Van vastagabb kábel itthon, azzal jó lenne megoldani, csak sarut nem tudok rá crimpelni, szóval jó lenne szereltet.@baly81 : Köszi! Lehet újrahasznosítom a meglevő harisnyát... A kancsó felőli végén kb. mindegy, van-e.
-
Dr. Szilikát
őstag
Ha az lenne a kapcsoló, értelemszerűen az érintkezőpogácsát is rendbe kell tenni, síkba csiszolni, magát a forrfület is fémtisztára dolgozva, reszelve, alaposan ónozva, gyantázva.
A szenes rész nem tűnik vészesnek, mivel nem képez olyan áthidalást, ahol áram indulhatna el rajta, nem kívánatos irányba. De gravírozó eszközzel vagy késsel fel lehet tisztítani, utána a kötést pótolni, huzalt ráforrasztva.
Egyéb esetben a szenes részt mindig nyomtalanul el kell távolítani, ha olyan helyen van, ahol átvezetést / áthúzást képezhet.

-
Dr. Szilikát
őstag
Lehet, hogy elpukkant az egyik független tápkör PWM meghajtója:
https://www.youtube.com/watch?v=0_t1-uP4Q8Y
Betáp után van egy nagyobb tekercs, valószínűleg az aktív PFC, két nagyobb trafó a kettős táphoz, kisebbek a meghajtásban játszhatnak szerepet, gondolom.
FOR Gospower G0683-25013240A / 250W / 26.5V 8.1A / 53V 4A
-
-
Én már egy 17 collos LCD monitor javítására sem vesztegettem energiát.
Egyszer már sok éve szétszedtem, kondikat cseréltem benne, utána évekig jó volt. Most megint kezdte a problémázást, gondolkodtam, hogy megjavítom és jó lesz világító panelnek, de aztán mégis ment a lomtalanításba
-
Szia sajnos esélytelen vagyok ebben.
Igaz némileg konyítok a csövekhez de tévét nem javítgattam csak nagyon keveset, azt is utoljára sacc. 40 éve. Analóg erősítéstechnika, ezt nyomom 40 éve, abban még talán tudok valamit bár ez is fakul.
Max. a képcső meghajtást még fel tudom idézni, de erre se vennék mérget.
Nem sokra mész velem, pláne távolról.
Ha el tudod juttatni hozzám talán sikerül vele valamit ügyködnöm de erre is nulla garancia van sajnos. -
-
Na ettől féltem
Motoron sebességet állítani az még OK, de nincs mihez, nincs olyan szalagom, amin pl. lenne egy 1KHz, vagy szkópom se.Egy hang frekvenciájának a megmérésére több lehetőség is van, a legegyszerűbb, hogy a számítógéppel generálsz 1 kHz-s hangot és a magnó motorjának a sebességét addig buzerálod, amíg nincs interferencia a magnóról jövő 1 kHz-s jel és a számítógép hangja között.
Persze ha számítógéped van, akkor tehetsz rá egy szkóp programot, én a Visual Analyser nevűt használom, ez mutatja a jelformát, meg kiírja a frekvenciát, ha a számítógép line bemenetére kötöd a magnó hangkimenetét.
A pontos 1 kHz-s etalon jelet tartalmazó kazettafelvétel előállítása már nehezebb ügy, nekem van ilyen, de azt oda-vissza elküldeni 2x1700 ft-ba kerülne, szóval nemhiszem, hogy megéri

"Nagyjából" úgy lehet beállítani a sebességet, hogy előveszel egy gyári műsoros kazettát, amire rá van írva, Korda György: Reptér (3:25) és addig babrálod a sebességet, amíg az adott számot 3 perc 25 másodperc alatt tolja végig

-
baly81
aktív tag
Igen, 2.3 évig! A nálad lévő egér szerintem evett egy kis Tritox-ot, hogy ilyen betegecske! Szeptember közepén költöztünk át az új lakásba, de már előtte is ment legalább egy jó fél-egy évet. Most van az egér 55%-on Duracell elemmel, két évesen...
Mérjek valamit a panelen? -
baly81
aktív tag
Logitech M185
Ennyire keveset venne fel az egér?
Nekem is van egy ilyen egerem az itthoni szerverhez. Jópár egerem volt már itthon és az irodában is. Azt nem tudom milyen feszültségek szaladgálnak ide-oda (ha kell, mérek neked referencia értéket), de az biztos, hogy elemcsere után a kb 2-3 évig megy napi használat mellett is normális alkáli elemtípussal, pedig még ki sem szoktam kapcsolni.
A leg energiagazdaságosabb egerek egyike ez a típus.
Linux alatt pedig az elem energiáját (töltöttségét) is kiírja. -
Dr. Szilikát
őstag
Azt észreveszed, hogy PCB-füles és trimmeres motor, ami elektronikus. Mechanikus regulátorral a 80-as években volt kapható pár típus, Bush rádiómagnó például, de más most hirtelen nem is ugrik be. Javítottam olyat is, szét kellett pattintani a motort, de általában megoldható volt.
Ami elektronikus és túlpörög, zárlatos a szabályzó, esetleg a kefe szennyeződése is megbolondíthatja a szabályzót, vagy valaki kicsinálta a trimmert például.
Ez itt egy kiváló alaposságú dolgozat a back EMF szabályzás technikájáról:
https://www.precisionmicrodrives.com/ab-026

-
"Mondjuk a motoros infót köszi, világéletemben azt hittem, hogy elektronikus szabályzású."
Persze olyan is van, külön áramkörrel vagy az egész picike áramkör a motor seggére van ráépítve.
Régi, jellemzően japán magnókba gyakori volt az elektronika nélküli mechanikus röpsúlyos szabályzó.
kölönösn szerették elemes hordozható kismagnókba beépíteni.
Az AN nagyon sima, szűrt tápot igényel hisz 1000x is lehet az erősítése, egy magnófejből átlagban 30-100 mikrovolt jön ki.
Ezért vannak még soros R-C tagok a tápvezetékén. -
Magnó.
A mechanikán a kapcsoló átad?
Amikor a play gombot lenyomod, egy kis mikrokapcsoló szokott az egésznek áramot adni.
Az AN-nek semmi köze a motorhoz, az egy kiszajú korrekciós erősítő, a magnófejről jövő mikrovoltokat erősíti.
A motor 99% hogy beépített centrifugális röpsúlyos szabályzású.
Vagy összeragadtak a röpsúlyok vagy elállítódott de ezt nagyon nehéz házilag megjavítani. -
Megtörtént most 2 perce, lassabban forog már az agyam
3wattról 7 wattra emelkedik az áramfelvétel lehúzott csövekkel.
Így marad 3 másodpercig, majd visszaesik 3 wattra, gondolom leáll az inverter, érzékeli hogy nincs ajta a cső.
Akkor cső megmurdelt?
Mérni nem merek a kimeneti trafókon mert a panelre szitázott kis táblázat szerint 860-1190V közötti a kimenet.
Nem akarok multimétert venni, meg ez nagyfreki, nem tudom előtétellenállással mérjek-e.
De lehúzott csővel normális az áramfelvétel, üresjárás. -
-
-
-
-
-
Dr. Szilikát
őstag
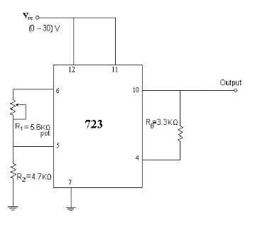
Nincs különösebb gyakorlati jelentősége, lábkiosztást ugyan nem adják meg, de nem életszerű, hogy variálnának vele.

Ha rákötöd a tápfeszültséget, már be kell állni a referenciának a 6. lábon (7,15 V). További tesztáramkör egyszerű:

Sőt, ennél is egyszerűbb:

Ilyen bekötéssel a referenciát adja le (7,15 V) és a rövidzárvédelem ki van iktatva, de az IC működését bizonyítja. Kísérleti célra szoktam használni olyan panelt, amin csak egy vagy két IC-foglalat van és a lábak kivezetve, forrasztható rá akármi. Vagy ma már vannak egyéb lehetőségek is, breadboard, ilyesmi.
-
Stimmelnie kéne, hc sorozatú digit ic-knél is van 10féle betű és szám keverés gyártónként de az alap ha megegyezik akkor kompatibilis.
Tedd be és próba.
Van itthon 2 marék 723-mam, miért nem szóltatok? Igény szerint MEV, LM, SEC és orosz gyártmányú is
ingyenvást küldtem volna borítékba
-
Dr. Szilikát
őstag
Nem kefés (már csak a kefezaj miatt sem), hanem aszinkron motor elterjedt a klasszikus konstrukciónál.
Szinterezett bronz siklócsapágy is a csendes járást szolgálja, de lehet néha szorulása is, ami olajozást igényel. Vagy elmozdult forgórész pozicionálása, emiatt összeér az állórésszel, nincs meg a rendes légrés.
Segédfázis-kondenzátor is lehetne hibás, de olyankor belökés után forog tovább, csak esetleg lassabban, ami egy barkácsolt lassító eljárás része is lehet.

-
Az ac motor abba nem lesz kefe.
Nincs a szinterbronz csapágy, kis golyó az első pajzsban, benne a tengely, előrefelé kimozdulva? vagy elkopott valami támasztó alátét és a forgórész nincs az állórészzel egy helyzetbe. Valamelyik irányban kilóg a forgórész az állórész mágneses mezejéből.
Szétszed, kihézagol.
Segédfázis kondi acélos? Ez is okozhat fejtörést ha kapacitásvesztett. -
-
Ettől tartok, más nem maradt, erre írtam hogy val.szeg megkattant az agya.
Még lecsekkoltam az optokapukat és tápot, minden rendben.
Bakker egy 47ezer forintos prémium vezérlés és élt 6 évet.
A gagyinak mondott 18ezres Roll vezérlőket meg van amelyiket 10 éve telepítettem és még mennek. -
Nem acélos.
Ha nem használsz töltésvezérlőt, simán rákötöd az akkura őket, ennek is van buktatója.
A napelemet simán fel lehet fogni áramgenerátornak, és valóban akár rövidre is zárható, nem lesz baja.
Pl. csinálsz egy 8 voltos kombót ami tud 0,5 ampert. Ez ugye 4W.
Ezt az akkura kötve, az akku lehúzza pl. 3,5 voltra. Az amper marad ez logikus, de a feszültség nagyon rossz munkapontba kerül.
Máris a 4W helyett csak 0,5*3,5=1,75W lesz a töltés. 60% veszteség ami elég durva.
Ilyenkor, direkt megoldásnál törekedni kell hogy a napelemsor feszültsége minél közelebb legyen az akkuéhoz, pl. 5V az teljesen jó.
Ugyanígy működnek és beváltak a 12 voltos akkukhoz a 16-17V kimenetű panelek, minden elektronika nélkül.
Ha így csinálod, arra ügyelj hogy nincs töltési végfeszültség védelem, fel tudja fújni a cellát simán.
Erre találták ki a töltésvezérlőt, persze ilyen picinél nem egy 25ezer forintos MPPT-be kell gondolkodni.
De egy jó hatásfokú mini step-down PWM is sokat segít ilyenkor. -
Hát sok a hát. Meg a has is

Akkor lesz némileg jó ha a Voc meg a Vmp 10-15%-on belül van a párhuzamos tagoknál.
Az Imp meg lehetőleg egyforma mindegyiknél.
Ezt valószínű te az életbe nem tudod meg mert ezek a paraméterek normális napelemeken vannk rajta egy matricán.
Voc-t tudsz mérni az már segítség, meg Isc-t is.
Voc=üresjárási feszültség
Vmp=optimális munkaponti feszültség
Imp=optimális munkponti áram.
Isc=rövidzárási áram.Pl. van akármennyi panelcskéd, kimész a tűző apra és mérések idején lehetőleg ne változzon a megvilágítás, ne legyen beborulás felhősödés és minden panelt pont a Nap felé fordíts.
Mindegyiket rövidre zárod a multiméterrel felírod a hátuljukra az áramokat.
Mindegyiket megméred feszültségre, ráírod a hátuljukra ezt is.
És elkezdesz sakkozni.
Próbálod úgy sorolni őket hogy az Isc egyforma legyen a soros tagoknál, és a soros tagok összege Voc kb. megegyezzen a többi sztringével és az így kapott soros ágakat párhuzamosítod.
Pl. 5 panelnek 20%-on belül van Isc, azok sorba, és ezek így tudnak pl. 23 voltot.
Másik 4 panelnek sokkal kisebb a Isc, de kb egyforma, és ezeket sorolva szintén 21-25V körül kapsz, így a két sztring akkor párhuzamosítható.Nem udom ki tudtam-e fejezni érthetően

Vagy mivel lehet nem ér ennyit az egész, fogod ad-hoc sorolod-párhuzamosítod és használod, annyit tud amennyit.
Diódázni felesleges, amelyik sornak nagyon kevés a Vmp-je a többihez képest, az diódával vagy anélkül se fog sokat beadni a közösbe.
2 párhuzamos sztring között azért ne legyen 50% eltérés mert akkor a magasabb feszültségű elkezdi fűteni a kisebbet, ilyenkor nem árt dióda de ilyen kötés meg full felesleges mert a kisebb semmit nem fog termelni. -
rednifegnar
senior tag
proba cseresznye.
ha hibas akkor annak ugyis mindegy, en leszednem elsore a cimkeket es a gumirozast teljesen. gumi valoszinuleg ra van ragasztva. aztan utana ugyis latod hogy mi van alatta.
ha ugy sincs sehol csavar akkor eselyes, hogy ossze van ragasztva. eleg teleshopos filingje van a cuccnak. az is lehet, hogy ossze van bajonettzarazva.
pl az alap oralb fokefe is ugy van megcsinalva hogy baromi eros bajonettzar van kialakitva a sajat anyagabol es azzal osszepasszitva. nincs benne csavar, de olyan eros igy is, hogy vizhatlan.
persze egy ket szetszedesnel tobbet nem bir, de egy akkucseret meg kibir es vizhatlan marad. teny hogy baromi erosen kell csavarni hogy szetjojjon, ehhez lenne jo egy videot latni de nincs. -
Dr. Szilikát
őstag
2835 tokozású COB LED létezik még 18 V névleges nyitófeszültségű is, ahogy látom a neten (1 W / 60 mA). Vagyis sorosan 6 x 3 V chip integrálva.
13 x 18 = 234 V lenne a sor nyitófeszültsége, a szinusz csúcsa ennél több, de azt már leszabályozza az áramgenerátor.
A LED-ek világában viszont létező dolog, hogy mondjuk 2 chip zárlatos lesz (a tokon belül, jelen esetben), marad 12 V névleges. Míg a többinek a 12 V kevés. Megfelelő tápról kellene tesztelni, akár egy 24 V-os tápegység is jó, ha az van kéznél, de ellenálláson keresztül.
-
-
Dr. Szilikát
őstag
Vannak ilyen megoldások is, az IC egy lineáris / disszipatív áramgenerátor, az ellenállás egyik lábára megy, azzal konfigurálható a LED-áram.
De pufferkondi nélkül a nullátmenetnél nem világít, ami szemet fárasztó vibrálásban nyilvánulhat meg. Ha eleinte nem is feltűnő valakinek, de valószínűleg nem valami egészséges.

-
Ha nagyon elveszek az ellenállások színkódolásában, akkor ezen az oldalon szoktam a színeket beállítgatni.
Az oldal szerint 5 sávval kódolt ellenállások esetében arany/ezüst színek nincsenek a számértékeket jelölő csíkoknál, arany/ezüst színek a szorzó és a pontosság értékeknél lehetnek. Persze szürke és narancs színek vannak a számoknál, azokat nézheted ezüstnek és aranynak

Ha az általad megadott színeket megfordítom, akkor az tényleg 33 ohmos ellenállást mutat

-
Dr. Szilikát
őstag
Nem kezdődik arany vagy ezüst színnel és egy fémréteg ellenállás nem szokott így módosulni sem. Nyúlás fogalma ismert ugyan, de viszonylag ritkább és nem így, hogy beáll szépen 33 ohmra, ami még reális érték is:
narancs
narancs
fekete
arany
ezüst= 33 ohm +/- 10 %
Kapacitív előtétes lámpában lehet 33 ohm, mivel a soros kapacitív előtét a bekapcsolás pillanatában kellemetlen áramimpulzust, kapcsolót beégető szikrázást hozhat létre, ha valaki pont a szinusz csúcsára indít rá, amit korlátozni ajánlatos.
Egy megnyúlt ellenállás (a ritkább találkozás mellett) jellemzően megviselt külsőt is mutathat, mert már annyit izzadt életében, magas hőfokon, hogy bele is fáradt.
-
PROTRON
addikt
Mennyire faék egyszerű az a LED lámpa?
Csak mert bizonyos digitális LED szalagok esetében pont 33 ohm ellenállás kell a zavar hatások csillapítására hogy ne vibráljanak a LED csipek a szalagban.
Lehet más okból is kereken ilyen értékű, nem feltétlen azért mert tönkre ment, vagy mert 1-esnek kellett volna lennie. -
And
veterán
Ahogy gondolod. De a dolog problémásabb annál, minthogy egyetlen tranzisztorral szépen meg tudjad valósítani: a celláról elég kis szintű és differenciális jelet kapsz, ráadásul az átlag Arduino-k ADC-je 10-bites. Az említett modul ezt magában megoldja, és 24 (effektív ennél nyilván valamivel kevesebb) bites szigma-delta ADC-je van.
-
And
veterán
A kettős tápfesz egy op-amp esetén általában viszonyítás kérdése, hiszen nincs 0V / GND lábuk. De van dedikáltan egytápfeszes (5V körüli) kialakítás, aminél a bemenet is lemehet nulla környékére és a kimenet is rail-to-rail. Pl. a Microchip gyárt ilyeneket, ezek beszerezhetőek a ChipCad-nél, lásd mondjuk az MCP601 típust.
De a HX711 képességeit és árát elnézve annál jobban nem fogsz kijönni..
Új hozzászólás Aktív témák
- Milyen routert?
- Bestbuy játékok
- Több száz játékban kezdi meg karrierjét az FSR Redstone
- Házimozi belépő szinten
- Filmvilág
- CADA, Polymobil, és más építőkockák
- Milyen alaplapot vegyek?
- Milyen egeret válasszak?
- Digitális Állampolgárság Program DÁP
- TGA2025 - Lara Croft felbukkanása már szinte borítékolt
- További aktív témák...
- Bomba ár! Dell Latitude E7450 - i7-5GEN I 8GB I 256SSD I 14" FHD Touch I HDMI I Cam I W10 I Gari!
- Corsair Vengeance White RGB 2x16Gb 6000 cl36 bontatlan/új eladó (XMP/Expo)
- Dell Latitude 7290- I5 7 gen - 8Gb -256Gb
- Nikon D750 + 50mm f/1.4G + 24-120mm f/4G + Lowepro Mini Trekker AW szett
- GAMER PC - TUF B450, Ryzen5 5600x, Rtx 3070 8gb, 32gb DDR4, 1 TB Nvme
- Telefon felváráslás!! iPhone 15/iPhone 15 Plus/iPhone 15 Pro/iPhone 15 Pro Max
- Telefon felvásárlás! Samsung Galaxy A15, Samsung Galaxy A25, Samsung Galaxy A35, Samsung Galaxy A55
- Apple iPhone 16 Pro 128GB, Kártyafüggetlen, 1 Év Garanciával
- LG 27GR83Q-B - 27" IPS / QHD 2K / 240Hz & 1ms / NVIDIA G-Sync / FreeSync / DisplayHDR 400
- GYÖNYÖRŰ iPhone 13 mini 128GB Green -1 ÉV GARANCIA - Kártyafüggetlen, MS4051, 100% Akkumulátor
Állásajánlatok
Cég: BroadBit Hungary Kft.
Város: Budakeszi
Cég: PCMENTOR SZERVIZ KFT.
Város: Budapest

. Nem vágja le (a legkisebb fokozaton próbálva), de a trafó melegszik mint atom. És persze nem melegít.


) vízforralójában sz@rrá vannak égve a kontaktusok, minden évben több alkalommal órákat bajlódom vele.











ekkold
