Hirdetés
- btz: Internet fejlesztés országosan!
- Luck Dragon: Asszociációs játék. :)
- D1Rect: Nagy "hülyétkapokazapróktól" topik
- sziku69: Szólánc.
- sziku69: Fűzzük össze a szavakat :)
- Sub-ZeRo: Euro Truck Simulator 2 & American Truck Simulator 1 (esetleg 2 majd, ha lesz) :)
- BerserkGuts: 9800X3D Hitvallás, Dogma megcáfolása egy RTX5080+12600K-val
- Meggyi001: Áram nélkül....méltóság nélkül.....
- Lalikiraly: Mercis kalandok - Huszonkilencedik rész
- balojazz: Szódakészítés üzembiztosan és olcsón! Figyelem, csak hardcore szódázóknak!
-
LOGOUT
Mindent a robogókról / kis motorokról topik
Első hozzászólás előtt olvasd át a téma összefoglalót!
Új hozzászólás Aktív témák
-
válasz
SoulReaver
#77499
üzenetére
Mit keressek benne?
-
SoulReaver
veterán
válasz
sityupityu
#77496
üzenetére
Van egy ilyen kézikönyv.
-
válasz
Entee84
#77495
üzenetére
Értem. Viszont valami nem kerek. Ha az a henger lenne rajta amit ő mond, az meg sem tudna moccanni egy gyári csővel. Jó, mondjuk ez kicsit túlzás, de az biztos, hogy a fele teljesítményt nem tudja a henger leadni egy rezo nélkül. Az egy egygyűrűs aluhenger ami csak fordulaton megy, és ami fordulatot csak egy rezonátor tud biztosítani, a gyári cső az nem.
Nem lehet, hogy szépen visszaépítette a robogót, és visszarakta a gyári hengert is? -
SoulReaver
veterán
válasz
sityupityu
#77496
üzenetére
Akkor nem tudom. Feladom...
-
válasz
SoulReaver
#77493
üzenetére
Nem, ennek semmi köze hozzá. Mármint a karcokhoz sincs, meg ahhoz sem, hogy nem fut ki jobban.
-
Entee84
csendes tag
válasz
Entee84
#77494
üzenetére
Jajj,lemaradt. Amúgy erről a robogóról van szó konkrétan. Ezt a volt tulaj küldte el nekem.
[link]
Minden ugyan ez kivéve a kipufogót. Az egy teljesen gyári amit adott hozzá. Azt már eladta régen,azt mondta az is olyan összeget képviselt amiből anno vett valami autót.
Na meg persze már elég fakó, meg ütött kopott, horzsolások,de ez az. Csak nekem az sok,hogy megeszi a tankot 80km alatt. Nem kell nekem,hogy leforgassa a 90-es órát pikk-pakk,tudjon csak 70-et csak ne egyen annyit.
-
Entee84
csendes tag
válasz
sityupityu
#77490
üzenetére
Köszi a tanácsokat. Pár napja kezdtem el itt írni amikor kaptam ezt a robogót apró darabokban(szó szerint). Lehet az akkori írásomról lemaradtál. Összeraktam, megy is, durván jól. De rohadt sokat eszik. Műszakilag nem vagyok analfabéta, ezt leírtam akkor is. Autószerelő technikus vagyok, de a robogókhoz nem sok közöm van, azért kérdezem a nálam járatosabbakat ebben a témában. Akitől kaptam annak a kocsiját javítottam amúgy és abban egyeztünk meg, hogy ezekben az ínséges időkben nem tud fizetni, odaadja ezt a robogót apró darabokban. Neki ez volt a mániája,hogy az utolsó csavarig szétszedte télen,majd szezonkezdetkor összerakta. De utoljára szétszedve 5-6 éve volt kb. Ő is lassan 4éves,abbahagyta ezt a tuning-racsing vonalat.Így kaptam meg. Én is kb 15 éve nem ültem robogón eddig. Nekem csak jól jön boltba szaladgálni meg elugrani alkatrészekért, anyámat meglátogatni stb.
-
SoulReaver
veterán
válasz
sityupityu
#77492
üzenetére
Igen. De itt épp azt forgatja a srác.
-
válasz
SoulReaver
#77491
üzenetére
Nem tudom pontosan, hogy milyen csőre gondolsz. Arra esetleg, ami közvetlen a variátor mögött van? Tehát a variátor és a blokk között helyezkedik el a főtengelyen?
-
SoulReaver
veterán
válasz
sityupityu
#77490
üzenetére
Na, ma volt egy kis túra, pár haverral. Meg lettek húzatva a gépek. A szíj 2mm-el jobban kifut a variátoron, de még mindig sok marad kihasználatlanul...
Következő lenne a tippem...
Van a főtengelyen gyárilag egy cső, amire a variátor csapszeg ütközik... Látszik a nyoma a kinyomó tárcsán. A variátorban a görgőpályákban van 1-1 csík/karc, mint ha ott hirtelen megállna minden görgő... Végállás szerűen, de még lenne görgő pálya... Ez ellen lehet mit tenni?
-
válasz
Entee84
#77489
üzenetére
Ha egy Stage6 pro sport mk II-es henger van rajta, akkor jobban jártál volna, ha nem nyúlsz a hajtáshoz. Meg úgy semmihez sem. Ez egy elég nagy teljesítményű aluhenger, nem véletlen eszik annyit. A 2,7-es görgők sem véletlen voltak benne (bár ezen kellett volna még módosítani a hangolásnál, mert ez már extrém kis súly, de ebbe most ne menjünk bele). Ezzel ment normálisan, gondolom rezonátor van rajta....Bár hülye kérdés, mert ha valóban egy ilyen henger van rajta, akkor az csak rezonátorral fog menni, gyári csővel kis túlzással mozgásképtelen. Nem tudom, hogy próbáltad-e a görgőcsere után, de ha jól ment a 2,7-el, akkor az 5-el tuti, hogy extrém rossz lett. Az meg csak egy dolog, hogy a variátorhoz milyen súlyú görgőt adnak, az majd az adott motornál fog kiderülni, hogy pontosan hány grammos is kell majd bele. A 21-es karbi szintén kell egy ilyen hengerhez, ha valóban az van rajta. Szerintem vaktában ne nagyon piszkálj bele, egy ilyen szintű hengert hamar meg lehet szorítani.
Ha azt akarod, hogy gyári legyen a motorod ideértve a fogyasztást meg mindent, azt csak úgy éred el, ha leveszitek ezt a hengert, és egy jó minőségű, a gyárira hajazó vashengert raktok rá. -
Entee84
csendes tag
válasz
nyogo83
#77477
üzenetére
Nincs mit! Ma volt időm robogózgatni. A kuplung hibátlan, mondjuk ez a gyári Kymco 3 pofás, ami benne volt valami Stage6 Racing fityfene az csak 2 volt,nem hiszem,hogy sok jelentősége van, na meg úgyis agyon volt kopva ehhez képest. A harang maradt a Stage6,kicsit megpucoltam, fel érdesítettem. A variátor is Stage6 pro sport amiben 2,7g-os görgők voltak,ahogy neten néztem ezt a vario szettet gyárilag 5g-al árulják, így beleraktam én is most olyat ha már vettem pár különböző garnitúrát. Ráadásul a Kymco görgő pont 13x16-os mint ami ebbe a Stage-be kell. A nagy rugó az is a fekete Stage6(Medium). Már csak a karbi van amivel kísérleteznem kell. 21-es Dellorto van rajta 110-es fúvókával,gondolom azért zabál annyit. Szerintetek cseréljek karbit is vagy elég ha csak belerakok kisebb fúvókát? Azt a régi tulajdonosától tudtam meg,hogy Stage6 pro sport mk II 70-es henger van rajta.
-
SoulReaver
veterán
válasz
tothferenc
#77484
üzenetére
Én valami drágábbat néztem
Ez így oké amúgy.
-
NYPD
senior tag
Léteznek robogókhoz univerális kesztyűtartók, vagy marad a sufni tudnig ahogy sikerül? A kis Kymco Agilityn nincs elöl a műszerfal alatt semmilyen rekesz, jó lenne pedig apróságoknak.
-
nyogo83
Topikgazda
válasz
tothferenc
#77484
üzenetére
Szerintem itt nem feltetlenul az a lenyeg, hogy valaki sajnalja mondjuk ra a penzt.
En egyszeruen lusta vagyok es varoson belul ha maszkalok, akkor kesztyun es bukon kivul ritkan veszek fel mas motoros cuccot(nyaron foleg). Cipobol mondjuk nyaron is magasszaru van rajtam, meg ha "sportcipo" is, de nem papucsban nyomom.
Pedig emellett van kabat,nadrag, gerincprotektor, kesztyubol vagy 5 par, terdvedo.
Felelotlen vagyok es maceranak erzem a beoltozest, ennyi.
Ahol varoson belul kozledekek nagyreszt, ott a kesztyu es a buko fog a legtobbet vedeni rajtam ha van valami. Ha elindulok varoson kivul valahova motorozni, akkor az mas teszta.Szoktam a fiammal is maszkalni(7eves), buko+kesztyu+terd+konyok protekor nelkul fel se ultetem magam moge.
Ennek ellenere teljesen igazad van

-
tothferenc
senior tag
válasz
SoulReaver
#77480
üzenetére
[link] most nem azert, de akinek nem er meg az izulet-vedelme 5 tank benzin arat, az meg nem tudja milyen robogoval is a terdere esni, vagy megfazott izulettel szenvedni
szerintem ennyiert tenyleg nem veszes a vedelem. Az olcso addig jo, ameddig nincs perec. Az aszfalt pedig nem valogat. 
-
-
lesli.h
aktív tag
-
energy4ever
addikt
válasz
SoulReaver
#77476
üzenetére
Acerbis Impact-ot hasznalok, teljesen jo, es gyorszaras, igy par masodperc alatt fel-le lehet venni. Kemenyebb anyag a kulseje, igy erre szoktam felvenni a farmert, hogy ne karcolja a motort. Elerheto aru terd es sipcsont vedok teteje.
-
SoulReaver
veterán
válasz
tothferenc
#77479
üzenetére
-
tothferenc
senior tag
válasz
SoulReaver
#77476
üzenetére
Azt a gerincnel levo szivacsot ne hivjuk gerincvedonek
Terdvedobol ajanlom az Asesso-t, en nagymotoron is azt hasznalom. Kenyelmes, jol ved, es nem vag be terdhajlatnal. -
NYPD
senior tag
válasz
SoulReaver
#77476
üzenetére
Megkérdezhetem hol szerezted ezt a kabátot? Én is tervezek venni egyet.
-
nyogo83
Topikgazda
válasz
Entee84
#77475
üzenetére
Koszi az infot!

Erre mar kivancsi voltam egy ideje, mert nekem is van 3kj blokkos robogom, csak alkatresz nem volt GY6-bol amit kezbeveve ossze tudnek hasonlitani az eredetivel.
Kuplungot en is neztem korabban, de mivel konkret meret nem volt feltuntetve az atmeron kivul, igy rendelni nem akartam feleslegesen.Lesli.h: szerintem nem tiszta olaj lesz az amit latsz. Maximum a lecsapodo para keveredik a kipufogoban lerakodott koksz/olajsarral. Probald meg hasznalni, aztan majd eltunik.
Az olaj nem tud ennyire kulonvalni a benzintol, mert ha ennyi felesleges elegetlen olaj lenne a benzinben, akkor jopar km alatt lerakodna a gyertyatol kezdve mindenhova, plusz olyan fusttel mennel mint a 7-es busz.
Higitsd fel a tankban a benzint frissel a biztonsag kedveert es hasznald
-
Entee84
csendes tag
válasz
Entee84
#77454
üzenetére
Uraim !
Megkaptam a választ a kérdésemre. Méghozzá KYMCO formájában.
Tegnap meg is vettem, bent is van, tökéletes. GY6 kuplung teljesen jó a 3KJ-ba. Nem tudom ki hallott a kínai Linea márkájú motorokról, én soha. Kymco design (koppintások), 3KJ alapú(itt-ott módosított) blokkokkal. De egy ilyen robogókat forgalmazó szalonban és szervízben kaptam kuplungot. Gyári Kymco 3 pofás,105mm. Náluk ez katalógus szerint a GY6 50ccm 4T-be rakják. Pofátlanul olcsó volt(3260 Ft),ahogy más is, így vettem több dolgot. Görgőszettek(szintén Kymco feliratú dobozban) 970Ft volt. Vettem pár garnitúrát. Na meg kaptam végáttétel szuszogót is,csővel együtt 330 Ft-ért. Nagy az öröm, tök jó így kb 15 év után újra robogózgatni,csak vissza kell alakítgatni ezt a sok tuning vackot rajta mert az durva,hogy a teli tankot kb 70-80km alatt megeszi. -
lesli.h
aktív tag
Tavaly vettem egy Aeroxot, nyáron nem is volt semmi baj.Viszont télen már 50 is rá kellett rúgni, hogy elinduljon. Szétszedtem cseréltem a membránt a szívó csónakot, és egyből jó lett. Cserében most álló helyzetben hidegen veri az olajat a kipufogó. Mitől lehet ez? Lehet hogy tavaly tettem a benzinbe is egy kis olajat. Télen nem motoroztam egy métert se csak próbáltam 2 hetente járatni. A szerviz után mentem 20 kilómétert, akkor is volt kevés olaj a cső oldalán.
-
-
Csabi001
csendes tag
Sziasztok, 70ccm-es hengernek elég a gyári olajozás, vagy célszerű külön olajosra átalakítani a gepet ? Vespa 2t top trophy henger
-
SoulReaver
veterán
válasz
sityupityu
#77470
üzenetére
-
válasz
SoulReaver
#77469
üzenetére
Tehát akkor most új szíj új tárcsa...kíváncsi vagyok.
-
SoulReaver
veterán
válasz
sityupityu
#77468
üzenetére
Igen a hátsó szíjtárcsánál gondoltam.
Akkor megnyugodtam.
Mentem most vele egy karikát, de valszeg nem jól húztam meg az anyát a főtengelyen, nagyon zőrgött, megálltam azonnal, leállítottam, haza toltam...(szerencse, hogy nem messze voltam)
Most variáltam a hézagoláson. A csapszeget feltoltam teljesen, koppanásig, így 3 karika ment rá, ezelőtt 2 meg egy vékonyabb volt rajta, de mivel a szíj feszítette a csapszeget, azt hittem felnyomtam teljesen.
-
válasz
SoulReaver
#77466
üzenetére
Nem lesz semmi gond belőle.
(#77467) SoulReaver Mármint a hátsó szíjtárcsánál? Teljesen nem fog kijönni, ráadásul egye ez 2mm-el szélesebb is mint a gyári.
-
SoulReaver
veterán
válasz
SoulReaver
#77466
üzenetére
-
SoulReaver
veterán
válasz
macilaci78
#77464
üzenetére
Igen
-
macilaci78
nagyúr
válasz
sityupityu
#77463
üzenetére
Aprón, szóval lehet, belefér a keretbe.

-
válasz
SoulReaver
#77462
üzenetére
Persze, ez még jobb. Te írtad a keretet...

-
SoulReaver
veterán
válasz
sityupityu
#77461
üzenetére
Közben találtam egy picivel jobbat itt Aprón. Ezt tudja.
Köszi a segítséget!
-
válasz
SoulReaver
#77460
üzenetére
Ez elég jó kis kamera, kb 2-3 évvel ezelőtt jóval drágább volt. Ez jó kamera az árához képest, de ettől ne menj lejjebb.
-
SoulReaver
veterán
válasz
sityupityu
#77459
üzenetére
Hááát... Nem tudom attól függ, hogy mi az az ár szegmens, ahol már nincsenek gagyik.. 30.000Ft?
-
válasz
SoulReaver
#77458
üzenetére
Igen. Mennyit szánsz rá?
-
SoulReaver
veterán
Motorozáshoz szeretnék valami nem túl gagyi, de nem drága sport kamerát.
Ti használtok ilyet?
Amit szeretnék, hogy tudjon. FHD 60fps, sisakra lehessen rögzíteni...
-
NYPD
senior tag
Szia. Nekem egy Kymco Agility 50 4t van, szintén 2005-ös évjárat, most az előbb hasonlót csinált 4 nap állás után, leszámítva a leállást. Szintén frissen tisztított karbi, automata szivató is cserélve lett, akksi is új - legalább is a szervizben ezeket mondták. Kiszaladtam most a közeli boltba vele, indulásnál indult pöccre, de mikor a boltnál megint indítani akartam, csak nyekergett az önidító, rúgni kellett. Mondjuk volt egy olyan érzésem is, mintha kevés lenne az alapjárat is, elég döcögősen szólt.
Lehet, hogy túl hideg van neki? -
hp16
tag
Sziasztok!
Van egy 2005-ös karburátoros 4 ütemü Honda Today robogóm, ami azt csinálja, hogy hidegen nehezen indul, beröffen 1-2 másodpercre, majd leáll, kb 5-15 perc alatt lehet berúgni, melegen tökéletes, pöccre indul önindítóval is.Van amikor hidegen is egyből indul, de kb. 10-ből 8x nem. Mi lehet a baj? Karburátor nemrég volt kitisztítva. -
Entee84
csendes tag
Üdv! Na, megint itt vagyok. Kuplung terén lenne kérdés. Ez ugyebár egy minarelli ( 3KJ )és 105mm-es harang van rajta,tehát ebbe való pofát kell vennem. Eddig tiszta. Na de ahogy nézelődöm kb fele annyiba kerülnek a GY6 vagy 139QMB motoros robogókba való ugyan úgy 105mm,képre tök ugyan olyan kuplungpofák. Max a felfekvő felületén lévő egyenes oldalfalú nylás lehet más méretű de arról meg senki nem tud semmit mondani. Valakinek van erről információja, hogy egyáltalán van különbség? Köszönöm
-
Entee84
csendes tag
válasz
nyogo83
#77452
üzenetére
Köszönöm a segítségeket! Sejtettem valami ilyesmi lehet ami oda kell nekem. Na de ilyet sehol nem találok. Egy helyen volt valami végáttétel dugó néven valami,de az csak egy sima menetes csavar volt. Azt keresek egyet és én is bele tudok csavarni. De gondolom nem ártana neki levegőzés,nem viccből találták ki. Na de azt is megoldom én okosba.
Na hát még egyszer köszi, lett egy boltba meg környéken szaladgálós robogóm, nem kell kocsiba ülni mindenért. 2000-es évek elején volt egy Area 51-em,azóta nem ültem robogón. -
nyogo83
Topikgazda
válasz
Entee84
#77447
üzenetére
Igen, soknal rugas kozben is kell huzni.
A kihajtasnal a dekli teteje fele szokott lenni egy kics muanyag csonk, szuszogonak/szellozonek, csovet is szoktak rarakni. Ha nyomja kifele, akkor lehet kicsit tul van toltve.
[link] Itt a 3-as szamu alkatresz kellene, gondolom.
SoulReaver: egy masik topicban(nagyrobogos) pont ezt fejtegettem nemreg. En kb 1,5-2 hete amikor latszodott hogy kezd a forint "mocorogni", minden eddig betervezett szervizhez megvettem az alkatreszeket.
Sajnos mivel az alkatreszek szinte 100%-a import, igy nem kell csodalkozni, hogy a 360-as eurohoz igazitjak az araikat, hogy ne bukjanak rajta
Motorgumi szinten. Aki gondolkodik rajta, az szerintem most cserelje, mert pl a Michelin is mar most a nagykereknek "igazitott" arfolyamon adja megrendelt gumikat es nem is annyit amennyit rendeltek, mert leallt sok gyarjuk. -
SoulReaver
veterán
Ez a scootershop aka. kókusz scooter shop bekaphatja... Megörültem, hogy náluk 24.000 Ft- volt a Top szíjtárcsa, na mondom rákérdezek, hogy van-e raktáron... Mondja a koma, hogy van, de nem annyi az ára, nem volt ideje átjavítani, már csak egy van, 29900... Fasza mondom.. Mind1 megrendeltem+egy kuplung leszorító anyát. Első körben 31.150Ft lett postával.. Utána egy polini szíjat is csaptam a rendeléshez, azzal együtt már 39.075Ft lett... Mondom ez hogy? De nem kaptam választ az emailre... Mind1 nem ezen a pár ezer forinton fog múlni, de elég lehúzónak tűnik ez a shop... Többet nem rendelek tőlük...
-
Entee84
csendes tag
válasz
nyogo83
#77445
üzenetére
Működik, minden működik. Annyi, hogy ugyebár csak rúgni lehet,mert se önindító semmi. Sosem merültem el a robogókban tehát most lehet nagy baromságot kérdezek de rúgással való indításhoz is kell a fékkart húzni egy "rendes" robogónál? Mert ezen most nem, csak rápöttyintek a berúgóra már indul is. Viszont azt nem vettem észre, hogy kinyomja kicsit a hajtómű olajat, a blokk belső felén a kerék felé van egy lyuk. Ott valami dugónak vagy szuszogónak kéne lennie? Keresgéltem neten meg motoros boltok blokk alkatrészei között, de nem lelek odavaló semmit. Mondjuk a nevét sem tudom,hogy mit keressek.
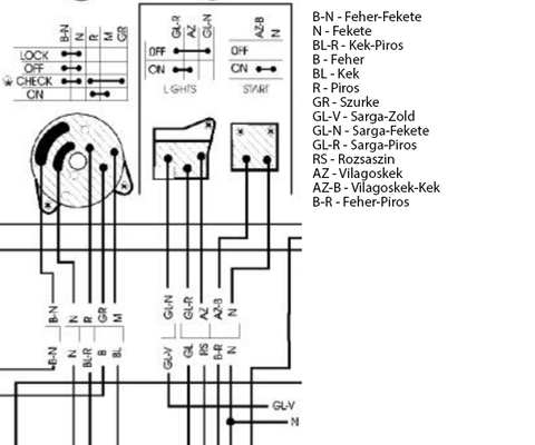
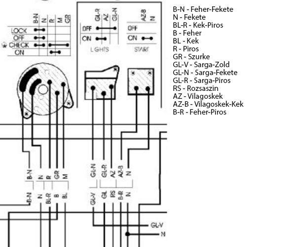
-
Tothgera30
veterán
Aki esetleg gyári állapotú Scarabeo 50-est keres, épp a minap láttam meg ezt a szép példányt.
-
nyogo83
Topikgazda
válasz
Entee84
#77444
üzenetére
"akkor ezek a féklámpa kapcsolóhoz mennek, gondolom, hogy csak ugye akkor indítható ha húzom a fékkart."
Igen, lehetseges, altalaban ez mindegyik robogonal igy van bekotve

Most nem neztem at reszletesen a kapcsolasi rajzot, de ha anelkul is indul, akkor pont ugy van kotve a gyujtaskapcsolonal a vezetek, hogy a kapcsolok nem szakitjak meg a pozitivot.
Feklampa mukodik? Mert ha nem, akkor max bekotod igy a kep alapjan. -
Entee84
csendes tag
válasz
nyogo83
#77443
üzenetére
Ohh, köszi! Ez alapján talán rájövök de ahogy látom is akkor ezek a féklámpa kapcsolóhoz mennek, gondolom, hogy csak ugye akkor indítható ha húzom a fékkart. Az viszont nekem nem is fontos,mert se akksi,se önindító,de még olajtartály sincs benne. Akitől kaptam az mondta,hogy ez egy brutál gép volt,agyon tuningolva ezért csak plussz súly,na meg olyan kompresszió volt, hogy nem is forgatta az önindító. Az olajozást meg inkább maga keverte a benzinbe, abban jobban bízott. Csupa Stage 6 benne minden,jól is megy, pedig gyári kipufogóval adta,azt mondta azért ami rajta volt abból autót vett anno.
-
-
Entee84
csendes tag
Üdv!
Nem tudom mennyire él ez a topik, de azért kérdezek egy fantasztikusat. Kaptam egy Malaguti F10 robogót darabokban. Szó szerint, húsos ládákban kaptam apró darabokban,az utolsó csavarig szétszedve. Pár apróság kivételével teljes robogó. Összeraktam pikk-pakk, indul, megy. Nem is gyengén, meglepően jól hasít. Hozzáteszem autószerelő vagyok, tehát a mechanikai dolgokkal nincs bajom,na de az elektronika az egy másik szakma. Színt a színre, csatik a csatikba ami ugye összeillik,eddig ok, mondom megy is hibátlanul,világít,indexel,mér. De az orridom mögött,a gyújtáskapcsolónál nem tudok mit kezdeni 2 kábellel,mert nincs párjuk. Egy kék-piros csatival a végén és egy rózsaszín(vag kifakult narancssárga) ami meg csak úgy lóg. Idegesít,mik lehetnek? Köszi ha valaki tud segíteni. Bocs ha hosszú lett.
-
NYPD
senior tag
válasz
Runner_fxr
#77435
üzenetére
Köszi neked is és a többieknek is! Dodort én csípem, van egy stílusa, de jól magyaráz, egy ideje követem már őt it illetve az onroados srácokat is, motovloggereket. A bringa az megy, János-hegyről való erdei csapatást is megjárta már a szerkezet. Mostanában meg bringával megyek dolgozni mert a bukót még idő míg beszerzem. Valószínűleg csak a lábtartás és a nagyobb súly, ami számottevően különbözik az MTB-től, ezt kell még megszoknom. Az már nagyjából tiszta, h kanyarban folyamatosan finoman tolni kell a kormányt abba az irányba ahova megyek, felállítani a motort meg az ellenkező oldal megtolásával tudom, már csak gyakorlatba kell majd átültetni. A gumikról nincs sajnos infóm, a barázdák ránézésre elég mélyek. Azt is el tudom képzelni, hogy gyári. (2005-ös) Akitől szereztem a motort nem használta, csak állt évekig a garázsában. 7600 km-t ment eddigi életében összesen a gép.
-
nyogo83
Topikgazda
Evjaratot nem irtal, de eros a gyanum, hogy nincs benne olajszuro(hagyomanyos ertelemben vett papir szuro).
Regebbi kisebb kobcentis gepnel soknal nem nagyon vacakoltak szurovel.A leereszto csavarnal van egy kis femhalos "szuro", amit cserelni nem kell, csak jol atmosni fektisztitoval mielott visszarakod.
Ha megis lenne(bar szerintem ez a nagyobb ccm-eseknel van regi blokkbol 300cc korul, illetve az ujabb injektoros 125-osnel), akkor a hajtas feloli oldalon a blokk elejenel, alul keresd.Kb igy:

Olajbol 10W40 API:SG/CD, kb 0.8-0.9L, pl Motul 5100, vagy barmi hasonlo normalisabb.
-
Runner_fxr
addikt
válasz
Tamás9x
#77436
üzenetére
A bringa mindenképpen jó alap, főleg a mtb. Az utcai motorozásnak is nagyon jó alapja a cross motorozás, sőt, akik crossoznak, azok általában jobb utcai motorosok is mint akik csak utcán motoroznak. Robogó viszonylatban talán nem kell elmenni a mtb-ig, mert egy rendes montis terep (tudnék mutatni párat
), jóval komolyabb tudást igényel mint az utcai robogózás, de csak simán bringázni az utcán, túrázgatni, jó kezdésnek, akinek semmilyen vagy minimális két kerekű tapasztalata van. -
Tamás9x
őstag
válasz
Runner_fxr
#77435
üzenetére
Ezt lehet egy BMX-el vagy montival kellene szerintem gyakorolni, ahogy mi is megtanultuk fiatal korunkban. kimenni az erdőbe és megismerni a fizikát.
Winne: Erre sajna semmit nem találok.
-
Runner_fxr
addikt
A srácok említették Dodort. Hogy az Ő szavaival éljek, ha úgy ülsz a motoron mint egy zsák krumpli, akkor ne csodálkozz azon ha nem azt csinálja amit szeretnél.
Ezért is említettem a kerékpározást, mert ott ezeket az alapokat jól meg lehet tanulni. MTB-on is 2 másodperc alatt észre lehet venni ha valaki nem tud bringázni, szó szerint úgy ül a bringán mint az a bizonyos zsák krumpli. Két keréken fontos, hogy együtt mozogj a járgánnyal, érezd, hogy mikor hol kell lennie a testsúlyodnak. -
Runner_fxr
addikt
Én azt javaslom, hogy egyelőre menj nagyon lassan, amíg nem kezd el kicsit melegebb lenni. Ha lassan mész, nagy baj nem lehet. Amint kezd melegebb lenni, 20 fok körül, onnantól kezdj el gyakorolni. A problémád szerintem abból fakad, hogy nem bízol a motorodban és a gumid tapadásában. Ahhoz, hogy a motorod úgy viselkedjen ahogyan szeretnéd, a testsúlyodat is úgy kell helyezni. Nem elég a kormányt kanyarintani, dőlni is kell a kanyar irányába. Ezt most, ilyen hideg aszfaltnál még jobb nem forszírozni, de hamarosan, pár hét múlva már akár lehet. Persze ehhez azért nem árt ha a gumid jó állapotban van és nem 10 éves vagy még öregebb. Amint ráérzel arra, hogy egy kis testsúly döntéssel mennyivel jobban kanyarodik a motor, már is magabiztosabb leszel. Mivel egy kis robogó jellemzően nem megy túl gyorsan, semmi baj nem lesz abból ha egy kicsit belefékezel a kanyarban, ha úgy érzed elmérted az ívet vagy a tempót. Csak ne tépd be hirtelen az első féket.
-
Winne
nagyúr
Sziasztok!
Egy Kymco People S 125-be milyen olajszűrő kell vajon? Moshatót és betétest is látni a neten.
Van valami ajánlott olaj ebbe a típusba?
-
SoulReaver
veterán
válasz
sityupityu
#77418
üzenetére
A szíjam is olyan, hogy nem egyforma vastag. És kicsit fel van gyűrődve a széle... Tavaly vettem... 300km sincs benne.
-
nyogo83
Topikgazda
válasz
sityupityu
#77428
üzenetére
Igen, onnan tudod hogy mar rendelheted az ujat, amikor mar vilagit az egesz kipufogo

-
-
nyogo83
Topikgazda
válasz
Tamás9x
#77422
üzenetére
Ha nincs nagyon koksz meg lerakodva, akkor leszeded, veget ledugozod es nagyon durva zsiroldoval/sutotisztitoval megtoltod, hagyod allni+ neha razogatod. Utana kiontod+atoblited.
Ha rezos kipufogo, akkor meg johet a masik kevesbe drasztikus megoldas. Drotsodrony veget megbontod hogy "bolyhos" legyen, a masik veget befogod furoba es mint az uvegmosoval, vegigdolgozod az elejetol a vegeig es kiszorod amit leszed.
A kiegetes a tokeletes es egyben a legszopatosabb megoldas. Leszerelve belocsolsz egy kis benzint, amit ovatosan begyujtasz es gazlampaval a leomlo oldali vegen izzitasban tartod a benne levo egest, amig a belselyeben a koksz/olaj meg nem gyullad. Ha begyulladt, akkor olyan tomeny feher fustot fog kiokadni, hogy a katasztrofavedelemt radhivjak
Addig kell egetni, amig ez a fust el nem tunik, utana az elegett koksz maradekat ki lehet szorni belole.
Es itt jon a szivas resze ezen felul: garantaltan ujra kell az egesz kipufogot festened.En epp most vettem egy uj kipufogot emiatt az egyik robogora, mert a gyariban olyan lerakodas van, hogy szerintem 2x olyan nehez. Probaltam a zsiroldos modszert, de az ilyenkor mar nem segit es mivel nem rezos, igy a benne levo kamras kialakitas miatt a drotos tisztitas se jatszik.
Kiegetni meg nem fogom a 4 emeletesek kozott a parkoloban
Szoval elrakom, majd meglatom mi lesz vele, helyette megy fel az uj. -
yuing
őstag
válasz
sityupityu
#77424
üzenetére
Értem, köszönöm. Pedig YouToube-on is lestem hangteszt videót előtte, élőben azért más a történet. De akkor ez marad ebben a formában.
-
spanglee001
addikt
esetleg valaki nem tudja az sr 50 ditech benzinszűrőjének a csatlakozó méreteit? sehol nem találom, de jónak néz ki, bár már van itthon ami jónak néz ki, de nem az

-
-
yuing
őstag
válasz
sityupityu
#77420
üzenetére
Ez lett feltéve a gyári helyett. [link]
Nyilván az én keresztem, nem gondoltam rá, hogy ennyivel élesebb lesz a hangja, ha tudom, akkor egy gyárit próbáltam volna vadászni helyette. A szerelő tájékoztatott a várható kimenetelről.
Szóval ennek a hangjával lehet valamit kezdeni? Ha nem, akkor így jártam, majd anyáznak a szomszédok.
Én végülis nem dőlök a kardomba. Tanulságként szolgál. Úgy gondoltam, hogy a hangtompító része csak jó valamire... -
Tamás9x
őstag
Ha már kipufogó, hogy érdemes "kiégetni" a rendszert kíméletesen? mert már orrán száján olajos vagy mindenhol.
-
Most a gyári cső helyére felrakott egy rezonátort? Kérted tőle? Miért nem lett rárakva egy, a gyárira hajazó sima cső? Nem is értem.
A hangtompítóba próbálkozhatsz több gyapotot bele passzírozni, de olyan halk mint a gyári sosem lesz.
Ha nem a te világod az ilyesmi, akkor miért lett ilyen cső rárakva? Tényleg nem értem. -
yuing
őstag
A miskolci Angyal Motorral kapcsolatban pozitív tapasztalatokkal gazdagodtam. Az ősszel vásárolt Kymco People típusú robogómat vittem be hozzájuk állapotfelmérésre és tavaszi karbantartásra megspékelve a kipufogónak és a gumiknak a cseréjével.
A szerelő teljesen korrekt, minden kérdést megválaszolt, minden kérést teljesített, részletesen beszámolt a motor állapotáról. Szerencsére szép példányt sikerült kifogni, az elmondottak szerint gyári állapotban van műszakilag a robogó, csupán a gyertya és a fúvóka lecserélésére volt szükség a betervezett olajcsere mellett.
Az esztétikai érték javítása miatt került sor a gyári össze-vissza hegesztett kipufogó száműzésére. Az utóda egy Giannelli Extra V2 lett, amellyel nem vagyok maradéktalanul elégedett. Az ízlésemnek zavaróan hangos. Lehet ezzel kezdeni valamit?
Dinamikusabbá vált mindeközben a motor, bár korábban sem volt gond vele e téren, mert tudta 60-65 km/h-s utazótempót.Alapvetően azért írtam, mert nem igazán esett szó erről a motorszervizről a topicban, én bátran ajánlom őket. Másodsorban, ha valaki tud megoldást a kipufogó hangproblémára, kérem ne tartsa magában. Köszönöm!
-
válasz
SoulReaver
#77414
üzenetére
Rakd.
"Az a durva, hogy ehez a variátorhoz sehol nem írják, hogy kell egy nagyobb tárcsa, mert soha nem tudod belőni nélküle.."
Senki sem mondta, hogy kéne nagyobb tárcsa. A Top tárcsát meg azért rendelted meg, mert nem tudjuk (nem tudtuk), hogy valóban jól működik-e a te gyári hátsó tárcsád (ha gyári egyáltalán), és ugye beszéltük, hogy a gyári helyére az egyetlen normális alternatíva a Top. Valamivel nagyobb a gyárinál, de ez a működésére semmi hatással nem lesz. Az csak egy plusz hogy nagyobb, tuningnál hosszabb szíjjal is lehet használni. Ennyi.
Rugó: Bár korábban már írtam, hogy rápróbálhatsz egyel gyengébb rugóra is (sárga), de szinte biztos vagyok benne, hogy nem az miatt nem fut ki. Egy egyszerű 70-es vashenger-rezonátor kombónak sem akadály ez a piros rugó, legalább is én még nem találkoztam ilyennel. Az már más kérdés, hogy egy ilyenhez a legtöbb esetben felesleges, bőven elég a sárga is. Viszont nálad szerintem teljesen jó ez a piros rugó, hiszen a próbálgatásaid alapján nagyjából ez a kb 5,5 gramm a legjobb neki, amivel teljesen jó helyen lavírozol. Ha beraksz egy sárga rugót, akkor tapasztalatom alapján az optimális görgőméret a te esetedben nagyjából letolódik 4-4,5 grammra. Kipróbálhatod, de kb ez lesz az eredmény. Természetesen indokolatlanul erős kontrasztrugót használni nem jó, már csak az általa okozott felesleges hőtermelés miatt sem. Viszont nálad mint azt feljebb írtam nem indokolatlan a piros rugó, mivel ezzel az 5,5 környékével abszolút jó tartományban mozogsz. Sárga rugónál lejjebb kéne menned, és 4 gramm alatt kezdődik a "zacskós helyzet" ami már nem épp ideális, kerülni kell ha lehet. Ugye a hangolási szabály szerint ilyenkor (is) szoktunk erősebb kontrasztot használni, hogy feljebb tudjunk menni a görgőkkel egy kényelmesebb tartományba. Tehát nálad mindezeket alapul véve én azt mondom, hogy kb jó az a piros rugó. Ennyit tudok így segíteni, többet nem így távolról.
-
spanglee001
addikt
válasz
robogo81
#77416
üzenetére
mondjuk itt nemlátni a szívocsonkot de igen, de majd szétszedem és elviszem a boltba hátha a karbis is olyan lenne, vagy kis ragasztóval bekenegetem
mert ugye itt nincs karbi. a szívócsonkra csatlakozik egy érzékelőkkel ellátott folytószelep, majd arra légszűrő amiket szintén át kell alakítanom, mert légszűrő nem létezik hozzá
de ha leszedem akkor sárvédő és díszítő elem sincs, tehát a gyárit kell megmókolni, hogy légszűrőként funkcionáljon valahogy
illetve keresnék 15mm-es benzinszűrőt, még linket sem találok sehol
sajna tévedésből 15mm-est vettem

-
robogo81
senior tag
válasz
spanglee001
#77415
üzenetére
Akkor elnézést,benéztem.
A tieden ilyen van? -
SoulReaver
veterán
válasz
sityupityu
#77413
üzenetére
Már említették azt is, hogy túl erős a piros kontraszt rugó..
Az a durva, hogy ehez a variátorhoz sehol nem írják, hogy kell egy nagyobb tárcsa, mert soha nem tudod belőni nélküle..
Most mentem egy kört 4,7grammos görgőkkel... Szarabb volt sokkal..Az 5,5grammosokkal volt eddig a legjobb, és ugyan úgy nem futott ki a szíj...
Most, ha megjön a tárcsa, rakjam össze ugyan ezzel a piros kontrasztal majd?
-
válasz
SoulReaver
#77409
üzenetére
Bármi lehet. Én már azért nem szólok hozzá a beállításodhoz, mert érdemben csak akkor tudnék segíteni ha ott lennék a motorod mellett. De egyenlőre nálad a szíj kérdést kéne először megoldani illetve rájönni arra, hogy miért nem megy ki rendesen. Már korábban írtam, hogy ha esetleg nem jó súlyú görgők is vannak benne, a szíjnak akkor is ki kéne futnia ha nem is olyan gyorsan mint normál esetben. Ehhez nincs köze a görgőknek, illetve ahhoz brutálisan mellé kéne görgőzni, hogy ilyen bekövetkezzen, de nálad nem ez van.
Az sokszor előfordul, hogy 3-4 max 5 mm megmarad a teljes kimenetelig, de ami nálad van az nagyon sok. Várd meg a tárcsát amíg megjön. Utána legalább azt ki lehet zárni, ha ne adj isten megmarad a probléma.(#77411) nyogo83 Egyből Dodor jutott nekem is eszembe, de inkább nem írtam...

-
nyogo83
Topikgazda
Eleg hosszu tema lenne, en azt ajanlom, hogy keress ra pl youtubeon Dodor videoira. Van akinek bejon a stilusa, van akinek nem, de alavetoen jol magyaraz. Van kifejezetten egy ilyen par videobol allo “magyarazo” sorozata, ami nagyjabol minden kerdesedet megvalaszolja.
A tobbi meg gyakorlas kerdese
-
suste
veterán
válasz
robogo81
#77403
üzenetére
Az összes qmi152/153-ashoz ezt a szíj szélességet ajánlják. De nem is találtam kicsit szélesebbet. A hosszban van kis eltérés (a hosszú blokkhoz képest is): 827, 835, 842. Valszeg a 827 nevű a gyári, de ezt lemértük és külső szélén mérve pont 835 :)).
Egyébként már megoldottam, reszelő/csiszolóvászon komboval a megfelelő méretre szabtam mindent. Lejött a dobból és fixtárcsából is egyformán annyi, hogy az asztalon pont éppen bent legyen a szíj. A görgőpályakat is megnyújtottam én is. A görgőkkel eljatszottam egy kicsit, de mostanra állt össze olyanra, ahogy a gyárból kellene kijönnie. 80-nál 6500-7000-es fordulat között még alig van hangja, nagyon jól húz, stb. És most meg el is adom, mert megjött a PCX 😋..... -
SoulReaver
veterán
válasz
sityupityu
#77407
üzenetére
Lehetséges, hogy a görgők súlyát még csökkentenem kell? Ezt innen szedtem.
... Ehhez kell a tapasztalat meg némi utána olvasás. Szerencsére a robogó tuning korai úttörői már letették kiindulási alapokat, így előre tudhatjuk, hogy motorunkban az adott alkatrésznek "körülbelül" milyennek kellene lennie. Például utcai sportkipufogóhoz és 70 cm3-s öntöttvas hengerhez általában jó kiindulási alap a 4.5 grammos görgő és a 28-33 kg közötti kontrasztrugó. Ezek a számok persze nagyon durva saccolások, de arra mindenképp jók, hogy ha beállítás ügyileg teljesen az erdőben vagyunk és végképp nincs ötletünk, hogy mitől nem jó a hangolás, akkor ezekből meríthetünk. Ideális esetben a motor, közepes tempójú menet közbeni gázadásra 0.5 ~ 1 másodperc alatt felveszi a megfelelő fordulatszámot, de ez sem aranyszabály, hisz függ a sebességtől, a karburátor méretétől, a kipufogó jellegétől, stb. Ha jól dolgoztunk, motorunk álló helyből való elindulástól egészen a végsebességig, többé-kevésbé egy fordulatszámon kell, hogy dolgozzon.
-
NYPD
senior tag
Üdv! Lehet, hogy most kérdezek egy olyat aminek egyértelműnek kéne lennie, de valahogy mégsem az.
Ellenkormányzás. Az rendben van, hogy a kanyar irányába megtolom azt az oldalt a kormányon, amerre menni szeretnék, és ezzel ledől a gép és elkezd fordulni, viszont az nem világos, hogy hogyan tartom kanyarban? Egészen addig íven marad, míg ki nem gyorsítok, vagy rá kell tolni többször, esetleg megtartani? Hogy hogyan megyek bele a kanyarba, az tiszta, ott maradni illetve kijönni onnan - leszámítva azt, hogy ha gyorsítok egyenesbe áll - már nem annyira. Ha esetleg túl szélesre sikerülne a kanyar, akkor hogyan szűkítem ( pl hogy sávban maradjak)? Fékezést nem nagyon javasolják, mert akkor veszik a tapadás és méginkább kijjebb csúszik.
Bocsi, ha nagyon barom a kérdés, de még az elején járok

-
válasz
SoulReaver
#77395
üzenetére
"Mikor kell teljesen kifutnia a szíjnak? Amikor elérte a motor a végsebességet?"
Nem. Közel hozzá, de már valamivel előtte. Hiszen amikor már a legnagyobb a végáttétel amit a cvt váltó enged, utána még a fordulat tud emelkedni valamennyit ezáltal a végsebesség is.
-
robogo81
senior tag
válasz
spanglee001
#77405
üzenetére
-
spanglee001
addikt
új akksi berendelve.
viszont peugeot jetforce tsdi 50-hez vajon honnan tudnék szerezni szívócsonkot? A régi bevanrepedezve. -
Tamás9x
őstag
válasz
spanglee001
#77401
üzenetére
Lehet de oda kell egy sav csere is, illetve mosás. Megéri?
-
macilaci78
nagyúr
válasz
spanglee001
#77401
üzenetére
Nem, kuka.
Főnököm decemberben lecserélte a kocsiját, a régit árulja. Abban álltában merült az akku, terhelés nélkül 2,35 V-ot mértem rá, akkor kérdezgettem után. -
spanglee001
addikt
Egy 2,5 voltra merült akkut életre lehet kelteni valahogy? a töltő nem csinál semmit sajna
Új hozzászólás Aktív témák
Hirdetés
- Bluetooth hangszórók
- Milyen belső merevlemezt vegyek?
- Digitális Állampolgárság Program DÁP
- Kutya topik
- Elektromos cigaretta 🔞
- One otthoni szolgáltatások (TV, internet, telefon)
- Fejhallgató erősítő és DAC topik
- Autós topik látogatók beszélgetős, offolós topikja
- Filmvilág
- Pixel plus ultra: teszten a 6K-s LG UltraFine monitor
- További aktív témák...
- BESZÁMÍTÁS! ASUS STRIX B550 R5 5600 16GB DDR4 512GB SSD RTX 2080 SUPER 8GB Zalman S2 TG FSP 650W
- LG UltraWide 35WN75CP VA Monitor! 3440x1440 / 100Hz / sRGB 99% / FreeSync
- HP ProDesk 600 G4 USDT,Pentium Gold G5400T,8GB DDR4,256GB M2 SSD,WIN11
- ÁRGARANCIA!Épített KomPhone i7 14700KF 32/64GB RAM RTX 5070 Ti 16GB GAMER PC termékbeszámítással
- 27% - Dell Alienware AW2524HF 500Hz GAMING IPS Monitor! 25" 1920x1080 / 0.5ms / FreeSync
Állásajánlatok
Cég: Laptopműhely Bt.
Város: Budapest
Nem lehet, hogy szépen visszaépítette a robogót, és visszarakta a gyári hengert is?
Na meg persze már elég fakó, meg ütött kopott, horzsolások,de ez az. Csak nekem az sok,hogy megeszi a tankot 80km alatt. Nem kell nekem,hogy leforgassa a 90-es órát pikk-pakk,tudjon csak 70-et csak ne egyen annyit.
Ahol varoson belul kozledekek nagyreszt, ott a kesztyu es a buko fog a legtobbet vedeni rajtam ha van valami. Ha elindulok varoson kivul valahova motorozni, akkor az mas teszta.
szerintem ennyiert tenyleg nem veszes a vedelem. Az olcso addig jo, ameddig nincs perec. Az aszfalt pedig nem valogat. 






de ha leszedem akkor sárvédő és díszítő elem sincs, tehát a gyárit kell megmókolni, hogy légszűrőként funkcionáljon valahogy
