Hirdetés
- gban: Ingyen kellene, de tegnapra
- ubyegon2: Airfryer XL XXL forrólevegős sütő gyakorlati tanácsok, ötletek, receptek
- laskr99: DFI és DFI Lanparty gyűjteményem
- Magga: PLEX: multimédia az egész lakásban
- Cifu: Űrhajózás 2025 - Összefoglaló írás
- Invázió egy novellában 3-4. (Update) +5. fejezet! (18+ nyelvezet)
- D1Rect: Nagy "hülyétkapokazapróktól" topik
- Luck Dragon: Asszociációs játék. :)
- sziku69: Szólánc.
- sziku69: Fűzzük össze a szavakat :)
-
LOGOUT
Ez a KOMOLY kávé topik. Kérjük, olvasd el az alábbi téma összefoglalót!
Új hozzászólás Aktív témák
-
titusz248
csendes tag
Ha mar filter a tema, ma talaltam: [link]
-
titusz248
csendes tag
Sziasztok,
Van értelme GC-ba alumínium felsõszûrõtartó helyett rozsdamentes acélt tenni? Elõny/hátrány?
-
titusz248
csendes tag
válasz
zolnagy
#108408
üzenetére
Évek óta követem passzívan a fórumot és rendszeresen vannak ilyen hozzászólások, hogy : "de ha vendég kér kávét, akkor ciki azt mondani, hogy várj fél órát". Lehet hogy az én értékrendem más, de ez miért ciki?
Valaki meglátgat várva/váratlanul a lakásodba, miért ciki ha várnia kell? Mintha kötelességed lenne azonnal kávét adni mindenféle "jöttmentnek"?
Tényleg nem kötegedésböl írom de kíváncsi vagyok, hogy miért kéne NEKEM a SAJÁT lakásomban rosszul érezni magam, ha nem tudok valakinek kávét adni 5 percen belül? Vagy mi az elvárás, hány percen belül "kell" a vendégnek kávét kapnia hogy ne legyen ciki?
-
titusz248
csendes tag
Köszönöm a nanofoameres válaszokat, még mindig nem tudom, hogy kell-e de gyanús, hogy veszek majd
-
titusz248
csendes tag
Halihó,
Gondolkodom egy nanofoameren. Az utóbbi idöben látom, hogy többen megváltak töle. Aki megvette és eladta az miért? És aki megtartotta/használja miért?
-
titusz248
csendes tag
Sziasztok! Lenne egy off topik kérdésem - sok itt a szaki.
Van egy höprésem (olyan amivel pólókat nyomnak). Abban van egy XMTG-3000 pid illetve egy cjx2-1210 kontaktor. Az utóbbi idöben véletlenszerüen ki-be kapcsolgat a fütés - van, hogy 132 fokon van, hogy 179 fokon abszolult véletlenszerüen. DE, ha a pidet ütögetem egy kicsit akkor bekapcsol és vagy füt egy darabig vagy abban a pillanatban, hogy bekapcsol azzonnal kikapcsol(a kontaktor meg kattog minden ki-ba kapcsolásnál). Valakinek van ötlete, hol keressem a hibát? Köszönöm és bocs az offért
-
titusz248
csendes tag
Sziasztok!
Van már egységes állásfoglalás kinu m47 vs. lido e-t témakörben? Kézi darálóra váltanék a 702-ről de gőzöm sincs melyikre essen a választás. Mindenképp újat szeretnék.
-
titusz248
csendes tag
Sziasztok, 2015-ös GC, gőzöléskor már felfűtés közben is kicsit, illetve használat után a már elzárt állapotban lévő csőből is jön a gőz. Melyik tömítést, hol kellene cserélni?
-
titusz248
csendes tag
Na végül hanyagoltam este a renekát és visszatértem az LM 17g-osra, annak a pogácsája egészen egyenletesnek tűmik. Amit meg most nem értek, hogy 17g-18g-mal próbáltam nem rossz a lefolyás, viszont ugyanolyan finom őrlemény kell mint a renekába. Elszabtam rá vagy 5 adag kofit mire elhittem.
-
titusz248
csendes tag
válasz
Keresztapper
#68737
üzenetére
Igen általában nagy segitség az asszonynak, ha a zacsi tartalmát szétporciózza

-
titusz248
csendes tag
válasz
WiZARD
#68632
üzenetére
Szerintem se/ne variálj nagyon. Biztos, hogy nagy a lelkesedés, hogy valami más legyen mint a többi kávézóban, de egy olyan világban ahol még mindig képesek emberek leirni olyat, hogy a tchibo a világ legjobb kávéja, meg ha minőségi kávét akarok akkor starbucksba megyek, ott vállalkozó szempontból sokkal fontosabb a berendezés megbizhatósága és fenntarthatósága. Ne rúgd magad tökön fölöslegesen.
-
titusz248
csendes tag
-
titusz248
csendes tag
válasz
sz.zs.
#68073
üzenetére
Hali, én általában innen veszek http://www.kavaprodej.cz/ , de ez egy eléggé félreeső helyen van. Közepes illetve kicsit sötétebbre pörkölnek úgy kb. mindent. 0.5kg a minimum csomag, de legalább egyirányú szelepes zacsiban adják és hatalmas választék van, illetve marha jó házi csokijuk van

Ez a központban van http://www.cerstvakava.cz/, náluk van 250g-os a népszerűbb területekről, viszont itt a szelep funkcióját egy igénytelen lyuk váltja ki.
Nekik is jó a kávéjuk https://www.doubleshot.cz/kava, több helyen lehet vásárolni. Célszerű itt venni http://www.mujsalekkavy.cz/en/ mert akkor már közel vagy a mamacoffehoz illetv a a következőhöz is.
Ami a https://www.kafekarlin.cz/ . Ez elég kis üzlet, bemész, vásárolsz, kijössz

Aztán van még a http://www.kafeking.cz/kategorie-produktu/nase-kava/ itt elég kedvesek voltak, tavaly amikor a feleségem volt ott szűrőkosárért akkor megvendégelték egy presszóra meg bemutatkoztak neki, azt mondta, hogy jó volt nagyon,
Illetve van még a centrumban ez http://www.cerstve-prazena-kava.cz/clanky/obchod. Innen még nem vettem.
-
titusz248
csendes tag
válasz
Rush77
#67861
üzenetére
Nekem egyszer egyik ismerősöm esti összeülés előtt kitalálta, hogy kellene kávét inni. Úgyhogy lement a boltba, megvette a szupermarket sajátmárkás kávéjánál IS olcsóbb, darált kávét, amit aztán french pressbe téve, bugyogó forró vizzel leöntött, kevergette, áztatta 3-4 percig, majd kiöntötte pohárba azta fekette zaccos trutymó lét és hmmmmmm valki kér hmmmmm definoooom

-
titusz248
csendes tag
Sok hasznos dolgot lehet tanulni az internetről...

YT video
A megtekintéshez némi angol ismeret szükséges
Szerk.: a megtekintéshez nem kell angol, csak a megértéshez
-
titusz248
csendes tag
Találtam valami régi indexes fórumon egy jó kávé topikot amit elég érdekes volt olvasni. Van egy ilyen bejegyzés:
Jó kávét főzhetünk termoszban is. A frissen és nagyon fi ra darált kávét termoszba tesszük, ráöntjük a szükséges mennyiségű forró vizet és jól összerázzuk. A dugóját csak lazán dugjuk be, mert könnyen kilövődik a kávéval együtt. A kávét 30 percig a termoszban tartjuk, egyszer-kétszer még összerázzuk azután leszűrjük. Olyan zamatos lesz, akárcsak az eszpresszó kávé. Hátránya, hogy lassan készül.
Eszerint tök fölösleges erőlködni, holnap megyek veszek egy la marzocco termoszt
-
titusz248
csendes tag
válasz
fragola.6035
#67508
üzenetére
Hali, irtam privátot, ha lesz időd válaszolj kérlek.
-
titusz248
csendes tag
Sziasztok, van valami előnye/hátránya a kisebb/nagyobb tejkiöntőnek gőzöléshez? 1-2 főre kellene 350ml vagy 600ml.
-
titusz248
csendes tag
válasz
Csápájev
#66535
üzenetére
Tényleg, ezzel kapcsolatban lenne egy kérdésem. Amikor benyomom a gőzgombot elkezd felfűteni kb 150C-ra azátn amikor elkezdem a gőzölést akkor kb 10-15mp alatt visszaesik 122-123C-ra ahonnan ismét felfűt igy két kör alatt tudok csak gőzölni. Viszont kitapasztaltam, hogy ha a gőzgombot benyomom, majd olyan 135-140C körül kinyitom a gőzcsapot kb 10mp-ig amig "száraz" gőz nem lesz, és utána kezdem el a tej gőzölést akkor simán 2dl tejet is meg/fel gőzöl egy kör alatt mielőtt ismét visszaesne 122-123C-ra. Ez normális vagy valamit nem állitottam be?
-
titusz248
csendes tag
válasz
fragola.6035
#66336
üzenetére
-
titusz248
csendes tag
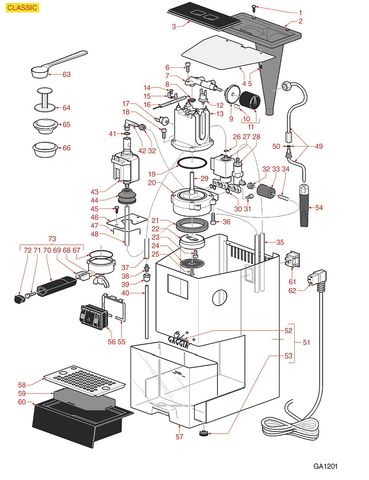
Sziasztok, a közeljövőben bojlert cserélek és rendelem a hozzávalókat. Találtam egy menüpont alatt bojler tömitést ami a képen látható. Ebből van 3 méret : 269 x 218 x 3 mm., 220 x 168 x 3 mm., 220 x 158 x 3 mm. Melyik kell nekem GC 2014-hez?

-
titusz248
csendes tag
válasz
Peti...(16v)
#66259
üzenetére
Pl.: autó fékbowden?

-
titusz248
csendes tag
Sziasztok! Az én karácsonyom is a kávézás körül forgott, vettem magamnak a Jézuskával egy reneka kosarat meg loveramics csészéket. A renekával egyelőre ismerkedek, felszerelés hiányában eddig inkább kapucsinoztunk a feleségemmel, de ahogy egyre jobb "cuccaim" vannak kacsingatok a presszó felé. Úgy érzem a reneka is ezt erősiti. A loveramics csészék pedig fantasztikusak

Korábban olvastam, hogy néhányan jó eredményeket értetek el filter pörköléssel presszónak, úgyhogy rendeltém még Etiop Hunkute kávét, filter pörkölésre. Eddig 4-ből 4-szer 10mp-es citromlé. Valami tipp?
-
titusz248
csendes tag
válasz
fragola.6035
#64091
üzenetére
Akkor tiszta helyről vettem, legalább nem kötött bele a karba
A DDT aromájú igencsak zamatos volt. -
titusz248
csendes tag
válasz
Sinisi
#64085
üzenetére
Azt irják, hogy 4 féle arabika van különböző módon pörkölve de hát nyilván el is hiszem... Gondolom a tojáslikőrösnél az egyik féle arabikát alkohol izűre pörkölik a másikat meg tojásra aztán összekeverik...

And06: Frei kávéhoz még nem volt szerencsém vagy szerencsétlenségem, de ez nem bűzlik, nincsen kellemetlen erős szaga, akkor érezni csak, hogy ha megszagolom. Illetve a kész kávéban is inkább csak úgy visszadereng az izesitése.
-
titusz248
csendes tag
Lehet, hogy szentségtörés de nemrég vettem aromatizált kávét
Valami likőrös, meg karamellás. Valóban lehet érezni ilyesmi izeket, de sanszos, hogy nem ismétlem meg ezek vásárlását.. Tudja valaki, hogy készitik? Beáztatják valamibe? Érdekes, hogy a babszemek nem olyan szépek mint egy sima SO-nál és abszolult nem statikusak. -
titusz248
csendes tag
válasz
eddhunter
#62924
üzenetére
Szerintem amig nincs "normális" kávéd ne is éld bele magad semmibe abból amit itt látsz/hallasz. Ha egy iható valami jön ki akkor az már jó. Nem bántásból irom ezt de kb 1 hónapja volt itt, nem emlékszem rá ki akinek ugyanez volt a gond, hogy a bolti kávéval nem igazán ért el sikereket, aztán amikor megérkezett hozzá a friss kávé, egyből eredményesebb lett

-
titusz248
csendes tag
Pár napig nem voltam gépnél és visszaolvastam a hozzászólásokat, tapasztalatokat a kávé döglésével kapcsolatban. Erre reflektálva irnám meg a saját tapasztalatom.Én általában 500g-osokat szoktam venni, mindig friss pörkölést. Eleinte mindig szétporcióztam, aztán beleuntam - azóta jó a kávé. Az 500g kb. felét beleöntöm egy csatos üvegbe, a másik felét bennehagyom a zacsiba, feltekerem és szikszalaggal áttekerem és megy a spejzba. Az üvegből pedig kanállal veszem ki szemeket. Naponta 3 dupla fogy, ami napi három üvegnyitást jelent és egy hét után sem kell állitanom a darálón abszolult konstans minden. Ha jól emlékszem egyszer fragola is irta, hogy a co2 nehezebb mint az o2 ezért ha nem borogtjuk a kávét hanem "kanalazzuk" akkor nem fog elszökni a co2 és megmarad a természetes védelem.
-
titusz248
csendes tag
válasz
8nemesis8
#62121
üzenetére
Én nem cseréltem tömitéseket, igaz az enyém 3 ével fiatalabb. A PID-et aliexpresszről rendeltem, kb.3000Ft. Ahhoz a nem ajánlott hőelem van amin M6-os menet van a gyári M4-es helyett. Mivel türelmetlen voltam megfúrtam a bojlert M6-osra, Fragola irta, hogy ha ezt a hőelemet cserélni akarom akkor kicsavarásnál tuti beletörik a menet, de ez a probléma nem fenyeget mert már amikor becsavartam beletört...
Kábelek meg egyéb saruk nem több egy ezresnél. Időben meg nekem egy hétig állt a gép mert csak este tudtam szerelni és nyilván mindig volt valami gebasz ami miatt tolódott, de az már egyéni szoc. problem 
-
titusz248
csendes tag
-
titusz248
csendes tag
Sziasztok!
Ma reggel újabb érvet találtam az adagonkénti őrlésre ahelyett, hogy csak beleönteném a babtartályba a kávét. Azt hiszem ezzel a darab kaviccsal nem csak a kávém lett volna keserűbb...

Más, fényképet arról nem csináltam, de mitől lehet habos a crema? 20g > 20g kávé, szép mintás crema, de habos. Túl friss pörkölés lenne?
-
titusz248
csendes tag
Nekem is mint lelkes amatőrnek az a tapasztalatom, hogy nagyon fontos a friss kávé és bár érthető, hogy szeretnél minél előbb finomat inni, szerintem is elég csekély az esély csütörtökig. Tapasztalatom, hogy amikor friss kávé után csináltam döglöttet akkor csináltam életem leggyorsabb 5mp-es ristrettóját
Jelenleg valamilyen ecuadori kávém van amit X fokozaton csinálok és nagyon jó, de vettem mellé kolombiai decaf-ot az pedig X-4es fokozaton csak átzubog,de a 18grammot ledarálni majd egy perc. -
titusz248
csendes tag
Tegnap nagy várakozást megelőzően végre ittam Yirgát. (ez volt az első alkalom). Kb. egy hónapos pörkölés és elég sötét, olajos szemek. Első próba 92fok, 18.5g > 36g--mal probáltam, kb. 35mp, az elég töményen savas lett de nem citrom. Másodjára 91fok, 17.5g > 36g-mal kb. 35mp, első izlelésre nagyon finom barack aztán a többi izlelésre valahogy eltűnt de még mindig nagyon kellemes volt. Reggel 92fok 17.5g > 36g ez kb 25 sec volt és teljesen jellegtelen
Fene se érti. Sajnos elég nagy a hőingadozás 92 fokról lemegy 88ra is, a héten megpróbálok beszerezni minden alapanyagot a rézcsőtuninghoz. -
titusz248
csendes tag
-
titusz248
csendes tag
Jó reggelt mindenkinek! Végre beszereltem a PID-et, egyelőre tok/burkolat nélkül.
Fragolának köszönöm a tippet! Működik is, de lenne egy gyakorlati kérdésem. Beállitok rajta pl.: most 91 fokot. 15-20 perc alatt stabilizálja, de nyilván korrigálnia kell. A reprodukálhatóság érdekében az jó megoldás, hogy ha látom, hogy 91 fokon áll, elszámolok 5-ig és csapolok? Úgy vettem észre, hogy kb. 10-15 mp után kezd el korrigálni, fűteni ilyenkor felmegy kb 97-re majd vissza.
-
-
titusz248
csendes tag
Pár hónapos kávés múltam alatt, mióta "komolyabban" kezdtem foglalkozni a témával és pörkölőtől veszem a friss kávét kb. 4 hónap, mindig csak valamilyen random ország kávéját ittám általában ahogy elnézem közepes pörkölés. Az utóbbi napokban itt olvasottak hatására - miszerent többeknek van otthon rendszeresen valamilyen olaszosabb pörkölés is "bótbó" én is beruháztam egy fekete lavazza espressora. Májusi pörkölés. Egy számomra (egyelőre) megofghatatlan más izt kaptam (nyilván...), nagyon finom krémes volt, mondjuk kapucsinónak iszom. Ennyi
Kérem kapcsolja ki... -
titusz248
csendes tag
Tegnap kipóbáltam az új LM kosarat. 17 g-osat vettem. Vásárlás előtt átolvastam itt a fórumot valaki azt irta, hogy semmi különbség a gyárihoz, valaki ég és föld. Nos én valahol középmezőnybe kerültem, Van valamilyen 6 arabikás presszó blendem azzal próbáltam, sokkal intenzivebb marcipán ize volt és az LM-nek köszönhetően kóstolás után amikor már nem vártunk semmit egy erős aszalt barack iz ütött be.
Egyébként apropó marcipán, nagyon sok kávénál érzem. Ez kávéfüggő vagy valami rossz elkészitésre utalhat. Azért probléma csak mert utálom a marcipánt....

Másik, hogy a LM kosárral nem tudom annyira ráhúzni a kart a fejre. Kb. minium 10fokkal előrébb van az egyenestől (nem tudom máshogy körülirni). Ez jelenthet problémát a későbbiekben, vagy ha nem dobja le nyomás alatt akkor tökmindegy?
-
titusz248
csendes tag
Sziasztok, azt hiszem beszippantódtam és nem tudok várni tovább a PID beszereléssel...
Azt szeretném kérdezni, hogy az alább linkelt szett az úgy ahogy jó e?Fragola leirása alapján úgy látom, hogy benne van minden, de örülnék ha szakértőis megerősitené, hogy jó e. Gondolok itt az értékekre, fesz. amper, etc... Illetve, hogy ha ez jó akkor jól értem e, hogy ezen felül már csak tokra, meg kábel+sarura van szükségem? -
titusz248
csendes tag
-
titusz248
csendes tag
Szép jó napot!

Tegnap sikerült összeraknom nyomásmérőt. Beállitottam az OPV-t 10 bar körülre. Viszont a nyomásmérőm eléggé ugrál. Ez utalhat valamilyen hibára a géppel? Egy korábbi link alapján csináltam a beállitást, előmelegitett gépen, kosár nélküli karba engedtem vizet, felraktam, elinditottam a vizet, közben kiengedtem a gőzőlőn a maradék levegőt. Egyébként itt mi a pontos közvélemény 9 vagy 10bar? Nyomásnak van akkora hatása a kávéra mint a hőmérsékletnek?(világosabb pöri hidegebb, sötét pöri melegebb viz). Csináltam egy videót a könnyebb vizualizáció érdekében
[youtube video] -
-
titusz248
csendes tag
válasz
Csápájev
#59442
üzenetére
Levettem a vizteritőt irtam is. Elmostam kicsit a vizköoldóban, meg fogkevével "lesuvickoltam" aztán lekapargattam a maradék követ onnan ahonnan nem jött le előtte. Vakszűrőm ha minden igaz ma lesz(a kis gumikupak) meg végre normális duplaszűrő (igaz csak sima). Vakszűrős tisztitáshoz levegyem a zuhanyt?
-
titusz248
csendes tag
Tegnap este vizkőtlenitettem a GC-t. Igaz az eladó irta, hogy ő is megcsinálta, de gondoltam, hátha különböző éleményen vagyunk... Igazam lett félig meddig. Szerencsére a gép belseje valószinűleg abból nem sok kosz jött ki, de ilyen gusztustalan viztartályt még nem láttam. Foltokban félcentis vizkődarabok és kb az egész tartály felülete érdes volt... Megpucoltam a vizteritőt meg a csavarokat is úgyhogy most már szép. Igy két nap után az a tapasztalatom, hogy a presszókávé valóban iható
A delonghival efelől elég erős kételyeim voltak nem is ittam csak kapucsinonak... -
titusz248
csendes tag
-
titusz248
csendes tag
Van egy kis öröm, tegnap megjött a GC-m
Egész jó állapotúnak tűnik. Burkolatot levéve belülről patent, szerintem volt szervizelve mert a kis vezetékcsatlakozók be vannak számozva. A vizteritő "fej" kuka lesz (tegnapi ajánlásra lecserélném rézre, ebben ha kérhetnék segitséget, hogy kell), illetve a felsőszűrő is kuka. A karra úgy rá volt szorulva a dupla kifolyó, hogy a feleségemmel ketten egy csőfogó segitségével 5 perc alatt tekertük le, de sikerült. A gyári nyomásfokozós szűrő egy rémálom-vicc kategória. Nem is kezdtem el méricskélni semmit, tök random szemre őröltem bele X mennyiséget, kicsit lenyomkodtom a gyári tamperral lefőztem és nagyságrendekkel jobb volt mint amit előzőleg csináltam a delonghival, úgy hogy tizedre mértem a kávét, WDT-ztem, normálisan tampereltem. Leginkább az végre az az égett keserű iz szűnt meg. -
-
titusz248
csendes tag
Úgy néz ki megjön ma a GC-m.
Állitolag gyári állapotban van az OPV. Van arra lehetőség, hogy vakon beállitsam valahol 10.5 és 9 bar közé? Találtam róla cikket külföldi forumon de nem tudom, hogy van e létjogosultsága. Később szerkesztenék nyomásmérős kart, de egy jó darabig biztos nem lesz rá időm, viszont szeretném addig is használni. Tudtok valamit ajánlani? Illetve még egy olyan kérdés, hogy a burokolatot milyen szerszámokkal fogom tudni lebontani?
Új hozzászólás Aktív témák

A topikban szabad hirdetni ezen szabályokkal.
- A legrosszabb CPU-k – az ExtremeTech szerint
- OLED TV topic
- Milyen videókártyát?
- Hogy is néznek ki a gépeink?
- Napelem
- OTP Bank topic
- Folyószámla, bankszámla, bankváltás, külföldi kártyahasználat
- Motorola G86 - majdnem Edge
- Tőzsde és gazdaság
- AMD K6-III, és minden ami RETRO - Oldschool tuning
- További aktív témák...
- Akciós kisWorkstation! Dell Precision 3560 i7-1165G7 4.7GHz / 32GB / 512GB / Quadro T500 2GB FHD 15"
- Eladó Abit Radeon 128MB videokártya
- Apple iPhone 13 128GB,Vodafone,Átlagos,Dobozaval,12 hónap garanciával
- BESZÁMÍTÁS! Gigabyte H610M i5 12400F 16GB DDR4 1TB SSD RTX 4070 12GB Zalman S2 TG GIGABYTE 750W
- AKCIÓ! Apple Studio Display 27 5K Nanotexturált üveg monitor garanciával hibátlan működéssel
Állásajánlatok
Cég: PCMENTOR SZERVIZ KFT.
Város: Budapest
Cég: Laptopszaki Kft.
Város: Budapest
Valaki meglátgat várva/váratlanul a lakásodba, miért ciki ha várnia kell? Mintha kötelességed lenne azonnal kávét adni mindenféle "jöttmentnek"?
Tényleg nem kötegedésböl írom de kíváncsi vagyok, hogy miért kéne NEKEM a SAJÁT lakásomban rosszul érezni magam, ha nem tudok valakinek kávét adni 5 percen belül? Vagy mi az elvárás, hány percen belül "kell" a vendégnek kávét kapnia hogy ne legyen ciki?





De nagyon kellemes ize volt.

