Hirdetés
- sziku69: Fűzzük össze a szavakat :)
- Luck Dragon: Asszociációs játék. :)
- Real Racing 3 - Freemium csoda
- droidic: Windows 11 önállóság nélküli világ: a kontroll új korszaka
- Gurulunk, WAZE?!
- sziku69: Szólánc.
- D1Rect: Nagy "hülyétkapokazapróktól" topik
- Brogyi: CTEK akkumulátor töltő és másolatai
- Sub-ZeRo: Euro Truck Simulator 2 & American Truck Simulator 1 (esetleg 2 majd, ha lesz) :)
- kraftxld: Diáklaptop - Dell Latitude 3140 - Királyunk ajándéka
-
LOGOUT
Ez itt, az elektronikával hobbiból foglakozók fórumtémája.
Lentebb összegyűjtötttem néhány elektronikával kapcsolatos, hasznos linket.
Új hozzászólás Aktív témák
-
darvinya
titán
válasz
Lompos48
#29068
üzenetére
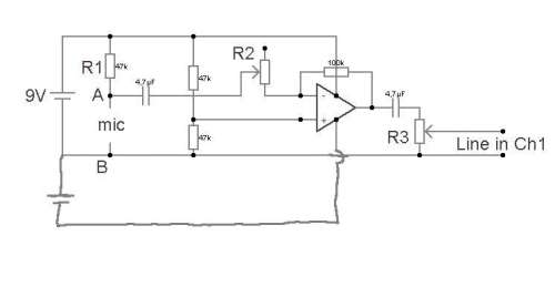
Igaz igaz igaz

Siettem, mert az erősítőt csináltam.
Már
tőle.Kipróbáltam amit javasoltál.(BC212-est fordítsam meg K-B-E-re az E-B-K-ról)
Eredmény búgás.
A szenesedő ellenállás 10Ω-os, de még jó volt.
Kicseréltem 100Ω-ra és mintha csönkkent volna a zaj.(még próbálom nővelni az értéket, hátha még jobban zajmentesebb lesz)
48.6V feszültséggel megy.
És változtattam a vég tranyó bekőtésen.
Új hozzászólás Aktív témák
- Sweet.tv - internetes TV
- Linux Mint
- Sony MILC fényképezőgépcsalád
- sziku69: Fűzzük össze a szavakat :)
- Luck Dragon: Asszociációs játék. :)
- Vicces képek
- Egyéves Gemini AI Pro a Google-től a magyar egyetemistáknak is
- Számítógépház-választás 2025: airflow, kompatibilitás és hibák
- Real Racing 3 - Freemium csoda
- Milyen asztali (teljes vagy fél-) gépet vegyek?
- További aktív témák...
- Fujifilm 33/1.4 R LM WR
- Crucial P310 1TB M.2 2230 NVME PCI-E 4.0 x4 - Új, bontatlan - 7100-6000 MBs - Eladó!
- Használt NVME M2 SSD-k - 1000 GB tól 2048GB-ig Samsung Hynix Intel Kioxia WD Micron Toshiba
- WD Black SN770M 2TB M.2 2230 NVME PCI-E 4.0 x4 - Új - 5150-4850 MBs - Eladó!
- Gamer PC 2025, Komplett gép, Garanciális alkatrészek, BESZÁMÍTÁS
- ÁRGARANCIA!Épített KomPhone i7 14700KF 32/64GB RAM RTX 5080 16GB GAMER PC termékbeszámítással
- LG 40WP95XP-W - 40" NANO IPS - 5120x2160 5K - 72Hz 5ms - TB 4.0 - HDR - AMD FreeSync
- ÁRCSÖKKENTÉS ASUS HD6870 videókártya
- GYÖNYÖRŰ iPhone SE 2020 128GB Black -1 ÉV GARANCIA - Kártyafüggetlen, MS3582, 100% Akksi
- AKCIÓ! Apple Pro Display XDR 32 6K Nanotexturált üveg monitor garanciával hibátlan működéssel
Állásajánlatok
Cég: PCMENTOR SZERVIZ KFT.
Város: Budapest
Cég: NetGo.hu Kft.
Város: Gödöllő

tőle.
ekkold
