Bevezetés

Az alapképernyő
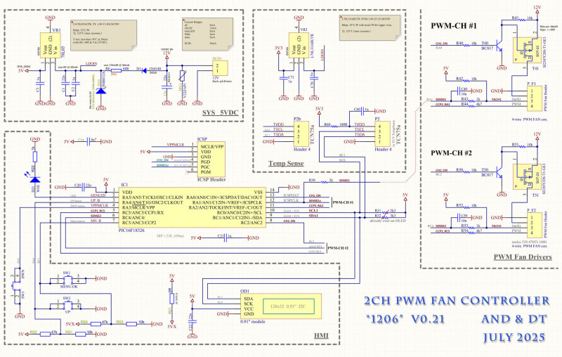
Az eszköz két független, 12V-os, PWM-rendszerű ventilátort kezel automata vagy manuál módban, ahol a paraméterek a közkedvelt SSD1306, "egysoros", 128x32px OLED kijelzőn monitorozhatóak. Csatornánként 500mA a terhelhetősége, bár a legtöbb, ma kapható venti megelégszik ennek a negyedével, ha fullon hajtjuk is.
A kapcsolási rajz, a hozzá tartozó NYÁK-terv (gerber fájlok), illetve a kód hex (égethető) formátumban, magánszemélyek számára magáncélra ingyenes.

Top és Bottom layer (a Top layer, eltekintve 7 rövidke átkötéstől, egy teleföld fólia)
Maga a PCB 1206-os passzívokat tartalmaz, hogy bárki, minimális gyakorlattal nekivághasson az ültetésnek, akár nagyító/mikroszkóp nélkül is. Igyekeztünk minden alkatrészt hazai, könnyen beszerezhető típusként meghatározni és azok értékei is elég tág határok közt változtathatóak. Lomexben szinte minden van, a PIC-et a ChipCad forgalmazza, az egyetlen kakukktojás a "hivatalos" PWM FAN-csatlakozó, de most már ezt is árulja a Lomex, cikkszáma: [43-30-91]. (Mi régebben Mausz-on keresztül rendeltük).
A 0.91" OLED kijelző HE-Store-ban fellelhető.
A rém egyszerű, 2-rétegű nyák bármelyik ázsiai gyártónál bőven a legalacsonyabb ráfordítással rendelhető, nincs benne semmi "árnövelő fícsör".

Kapcsolási rajz
A cikk még nem ért véget, kérlek, lapozz!





