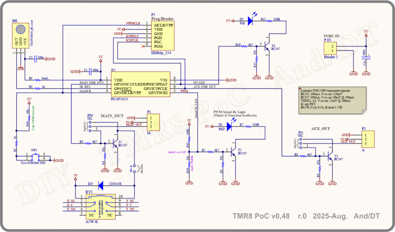
Bevezetés, kapcsolási rajz
Egy nyúlfarknyi, terapeutív projekt a rekkenő hőségben azoknak, akik már unják a Csendes-óceáni szigetvilág punnyadt egyhangúságát és inkább valami hasznos dologgal töltenék az idejüket. Angol tudósok szerint a hosszú szabadságok okozta családibéke-mérgezés tüneteit is enyhíti, de gyógymódként csak mint kiegészítő beavatkozás javallt, amit a jereváni rádió is több ízben megerősített.

TMR8 PoC Szekvenciális Időzítő, elöl- és hátulnézeti rajzai
Egy programozható, infráról is vezérelhető, két kimenetes, kaszkádolt időzítőről van szó. A kapcsolás alapvetően otthon épített berendezések, illetve retró készülékek On/Off gombbal (soft-button) való ellátására készült.
Az alábbi eszköz egy régebbi, jól bevált terv permutációja, mivel kis átvarrás árán tulajdonképp egy PC-t is ki-be kapcsolhatunk róla. Eredetileg ez nem volt szempont, de ha már a pH-n kerül publikálásra, akkor ez is kell rá! Meg pont maradt annyi hely ezen a terven…
A timer indítható nyomógombbal, infrával, de tud automata (szabadonfutó) módban is működni, amikor is a saját tápjának a megjelenésekor a két időzítési ciklus minden egyéb külső noszogatás nélkül lezajlik.

A kapcsolási rajz
PC-s felhasználás

5V-os megtáplálás és vezetékezés PC-s felhasználás esetén
Igazából a felhasználást tekintve ez a legegyszerűbb, mert a megtáplálás mehet az ATX táp Stand-by 5V-os ágáról. Talán valamelyik belső USB csatlakozón is megjelenik ez a fesz a mai alaplapokon(?).
Fejhallgató erősítőt, kisebb near-field amplifiert is némíthatunk vele automatikusan a PC infrás / relés bekapcsolásával szinkronban. Vagy csak szimplán egy épített médialejátszó analóg kimenetét némíthatjuk vele a távkapcsos On-Off funkcióval együtt. Nem hátrány, ha a kimeneteken nem jelennek meg a rendszerünk hosszabb-rövidebb éledéséből fakadó tranziensek.
De nem csak audio mute-ként lehet felhasználni az AUX-Out-ot. Ott is jól jöhet, ahol valamiért fontos, hogy a második eszköz csak a PC elindulása után startolhasson el, különben nem épül fel a kapcsolat.
Az extra beforrasztott szignál relével kapcsolhatjuk a PC-t remote módon, tulajdonképp a házon lévő nyomógomb "fizikai leszimulálásával". A legtöbb esetben működne egy filléres optocsatolóval is, viszont a relés megoldás bolondbiztos. Sajnos szabványt nem találtunk, ami leírná, hogy ez pontosan hogyan is illesztik a rendszerhez, van-e előírás, hogy pozitív vagy negatív-e a logika; földre vagy tápra zár-e a gomb, a rövid gombnyomásnak mik a paraméterei, stb. Ezért maradt végülis a relé, mint potenciálfüggetlen kontakt, azzal nem lehet mellélőni.
A normál időzítési viselkedést ebben az esetben nem tudjuk használni, mert az 'folyamatosan ON, ha ON'. A PC-s alkalmazásra And írt egy kissé módosított kódot. Minden gombnyomás vagy infra parancs kb. 500ms-ra rövidre zárja a relé C-NO kontaktuspárját, pont mintha a fizikai gombot nyomtuk volna meg. Hogy a kikapcsolás is működjön, néha a biosban is be kel állítani a gombkezelést.
Inrush Current Limiter
Bekapcsolási áramlökés korlátozó
A legtöbb modern készülékben általában 40-250msec bekapcsolási késleltetés elégséges az indulási áramlökések korlátozásához, ill. a kimenet is pár másodperc után aktiválható "csattanás" nélkül.
Viszont sok retró eszköz igényli a megszokottnál hosszabb időzítéseket; némely csöves motyónál percekig is eltarthat, mire biztonsággal ki lehet engedni a kimenetét a külvilág felé...

Inrush Current Limiter
Hogy mind a rövid, mind az elnyújtott bekapcsolások egy eszközzel abszolválhatóak legyenek, a kód az alábbiak szerint lett megírva:
• Az első részben (Main-Out) durván 10sec-ig növelhetjük a várakozást,
• A másodikban pedig 200sec-ig (Aux-Out).
A két rész egymást követve aktiválódik, de a kikapcsolás már fix értékekkel zajlik, mivel ez utóbbit nincs értelme állítgatni, nem is lenne felhasználóbarát a jelenlegi "HMI" mellett.
A nagy áramfelvételnek induláskor két okozója van. Az egyik a trafó felmágnesezéséből adódik és nullátmenetnél a legdurvább; a másikat a tápegységben lévő nagy kapacitások okozzák a hálózati szinuszhullám csúcsánál történő bekapcsolásnál. Szinte mindkettő pillanatnyi rövidzárként viselkedik az első félhullám erejéig; ami korlátozza, az a trafó primer tekercsének az ellenállása és „áramszolgálatói forrásimpedancia” a lakásvezetékezéssel együtt.
Gyakorlat szerint ilyen áramkorlátozásra csak 250VA-nél nagyobb trafóknál van szükség, de nem ritka, hogy a jól átgondolt berendezés még 400-500VA-nél is elvan e nélkül. Ha több ilyen fogyasztót teszünk egy konnektorra, akkor néha le tudja verni a kismegszakítót a lakásban, hiába csak 100-200VA-esek az eszközeink egyenként. Ilyenkor általában elegendő a legrenitensebbet megregulázni.
Egy 4 ohm körüli hurokimpedancia a 230VAC csúcsánál 57.5A-es áramlökést ad. Ezen a C10A-es kismegszakító már működésbe léphet (50-100A közt bárhol a szabvány szerint).
Az 5V DC megtáplálás kb. bármilyen stabil tápegységről történhet, a jól bevált „nokia-töltő” is megteszi. Egy bizonyos határig még jól is jöhet a kapcsolóüzemű tápegységek kis értékű kimeneti kondija, mert rövid áramkimaradás esetén, maga a TMR8 is gyorsan újra alapállapotba vált (mert brown-out reset miatt „újrabootol”) és csak az időzítés lejárta után engedi rá megint teljes gőzzel a kraftot a berendezésre. Ehhez viszont magának a kis segédtápnak kell gyorsnak lennie. Tehát ne egy olyan helyről származtassuk az 5V-ot, ami sok-sok hálózati ciklus kimaradása esetén is tetemes energiát tárol, mert akkor csak egy „rémbonyolult digitális NTC-t” kapunk. NTC-knek pont ez a hátránya, hogy ha nincs ideje visszahűlni, akkor a következő bekapcsoláskor nem korlátozza az áramot.
Hirdetés
Programozás/Setup

Blokkvázlat, ha valaki saját kódot írna rá; és a működést leíró grafikon az időzítési szekvenciák könnyebb megértéséhez
Az időzítések beállításához a gomb lenyomása mellett kell áram alá helyeznünk a kis panelkát. Ilyenkor tanuló módba vált és várja tőlünk az inputot. Minden egyes LED-felvillanás egyet hozzáad az adott időalap szerinti értékhez.
A Main-Out max 10.2sec-es értékig számol alapból, az Aux-out, pedig 200sec-ig.
A Main-Out időzítése „két részből áll”, jobban mondva két saját időalappal rendelkezik, de ennek gyakorlati oka van:
• az első 10 felvillanás egyenként 20msec-et jelent (vagyis össz. max: 0.2sec)
• a maradék 100 felvillanás pedig egyenként 100msec-et (vagyis össz. max: 10sec)
Az Aux-Out:
• 200 felvillanás mindegyike 1sec-et jelent (vagyis össz. max: 200sec)
(Egyébként minden érték gyorsan bevihető égetéskor is, direktben a PIC adat-EEPROM-jába írva, ha valaki beleunna a számolgatásokba! Sőt, nem csak maguk az értékek, de a hozzájuk tartozó időalap is módosítható, tehát akár 10msec, vagy bő egy nap is ráoktrojálható, ha valakinek erre van igénye.)
Maga az input lehet a tactile megnyomása, vagy egy NEC alapú infrás távirányító bármelyik gombjának a lenyomása. NEC protokoll mellett döntöttünk, mert ebből hever a legtöbb a sufnikban. Az infra jel érzékelésekor természetesen annak a címtartományát is elmenti, elkerülendő más NEC-s eszközök általi vezérlést (lásd kínai vicces vevők, ahol csak a gomb-parancs kerül kiértékelésre, de a cím-mezőt ignorálja).
A setup fentebbi látszólagos elbonyolításának oka az egészen finom beállíthatóság lehetősége.
Kicsit kacifántosnak tűnik, de összesen 2db LED-ünk van a visszajelzésre, plusz egy nyomógomb. Viszont szerettük volna mégis a maximumot kipréselni a kis 6 I/O-s kontrollerből. Nyilván, egy valódi HMI-vel bíró eszköz meg két tucat I/O-val rendelkező uC könnyebb kezelhetőséget és több funkciót ad, de most ennek a projektnek nem ők a célközönsége. (Dolgozunk egy olyanon, de az nem kifejezetten DIY-barát.)
Normál működés közben, ha türelmetlenek vagyunk és előbb kell az ON állapot, mintsem a bekapcsolási időzítés lejárna, akkor ez természetesen humán interakcióval felülírható.
Az extra onboard szignál reléről:
Ha az "isolated" részt nem egy PC bekapcsolására használnánk, akkor vegyük figyelembe, hogy a szignál relék (ahogyan azt a neve is sugallja) nem teljesítmény kapcsolására lettek kitalálva. A kimenete azonban már működtetheti sokféle 12-24VDC telj.relé behúzótekercsét is.
Hálózati feszültség kapcsolására pedig direktben EGYÁLTALÁN NEM használható!!! Magának a PCB-nek a rajzolata sem nyújt ehhez megfelelő szigetelési távolságokat. (Erre különösen figyeljünk ha webáruházból rendelnénk relépanelt, mert a nagy részük semmilyen vonatkozó szabványnak nem felel meg, de beépítés után a felelősség a kivitelezőé!!!)
A D3 védődiódát semmiképp ne felejtsük el a relé behúzótekercse mellől. Ennek hiányában először a T1 (T3) tranyó megy tönkre, utána pedig a PIC.
RS1-RS2:
Ezt csak cold-startnál nézi a PIC és a szerint folytatja a program futtatását. AZ RS1 legyen fixen ott, az RS2 pedig csak ha szabadonfutó módban szeretnénk használni az időzítőt.
A stand-by LED természetesen pulzál ha aktivitás van, nem csak szimplán ki-be kapcsol.
Az infratanulással együtt meglepően sok helyet emésztettek fel a 2kWord-ös tárterületből, de megérte! :)
Előlapra szerelés

Egy egyszerűen kivitelezhető frontpanelre építés
A 9.5mm magas tactile tűnik az ideális választásnak, ha nem direktben lógatjuk ki a kapcsoló stucniját az előlapon. A távtartók közönséges, 12mm hosszú típusok. A LED-ek kissé befelé vannak hajlítva és jó, ha nem ér a plexi gomb közelébe, mert annál jobban homogén lesz a homokfújt PMMA gombon a megjelenés. Kétoldalas rag.szalaggal a gombunk hátuljára ragasztott vékonyabb papírfecnivel sokat segíthetünk a homogenitáson, cserébe erősebb LED-eket kér.
Az infra port szintén lehet könnyen beszerezhető plexi rúd. Ha spórolunk az átmérőjén, akkor az érzékelő apertúráját szűkítjük vele, ami értelemszerűen ront az érzékenységén. D3mm alá semmiképp ne menjünk, de D10 környékén már az irányérzékenysége sem annyira kritikus. Maga az infra-vevő egyébként 50cm-es távolságon belül szinte bárhova elvezetékezhető. Sőt, ha több timer egységet használnánk, akkor elég egy vevő is, nyugodtan kössük be az összes TMR8 PoC-ba. (Feltételezve, hogy mindegyik TMR8 ugyanarról a forrásról van megtáplálva!)
Összeszerelés, ültetés

Az ültetési rajz és panel fontosabb méretei
Összeszerelés:
Az összes alkatrész furatszerelt, akár forrasztós próbapanelen is összerakható, de aki mégis egy tartósabb formára vágyik, az talál mellékelve nyáktervet is magának.
Cseh pisztolypákával macerásabb, de bármilyen ennél komolyabb forrasztóállomással könnyen leküzdhető a feladat. A kontrollert érdemes foglalatba tenni és csak a forrasztás végeztével a helyére illeszteni. (Ha nem „földelt” a pákánk hegye, akkor ez egyébként sem árt.) A uC környéke elég zsúfolt lett, egy esetleges cserénél spéci csipeszre lenne szükség, ha direktben ültetjük. Még eggyel több indok a dip-foglalatra…
Ahogy az elején említettem ez egy alverziója egy már kész produktumnak. Aki nem molyolna vele ennyit, azoknak van néhány készre ültetett, letesztelt darab is nálunk, viszont az nem barkácsolós, mert apró SMD-kkel van tele. Cserébe sokkal kisebb (kevesebb mint 1/3-a), de ott az infravevő és a relé is külön panelkán ül, mert úgy könnyebb egy zsúfolt gyári előlapon és egy gyári eszköz belsejében helyet találni nekik, továbbá minden elem oda kerülhet, ahol szükség van rá. Talán még lehomokfújt plexi gomb is akad pár darab valahol...
A cikk tartalma a csatolt anyagokkal magánszemélyek számára, magáncélra ingyenes.
Ajánlott irodalom:
Számosan feldolgozták már ezt a témát, a legközérthetőbb talán Rod Elliot weboldala, ami a http://sound-au.com címen érhető el. (Project: 33, 224, 227, 229, stb)
Sok más DIY téma mellett a relék viselkedéséről is elég részletesen ír, mindenképp javasolt az átböngészésük!
Alkatrészlista, megjegyzések
BOM:
Minden ellenállás MF0204 (0.4W) méretű, a kapacitások pedig SSM15 (kivéve az egy szem elko-t), a tranyók TO92 tokozásúak.
(Ahol lehetett, az elemek Lomex-es kódjait feltüntettük)
C1 100nF 50V X7R SSM15 .07-07-46
IC1 16F18313 DIP8 MIC23096 (ChipCAD)
IC fogl. Preci-dip, 8as .41-00-58
R50 10k .02-06-83 *
R2 1k .02-06-80
SW1 tyco FSM 6x6mm .45-05-39
R3/R8 4k7 .02-08-14
R4/R9 47k .02-08-36
T1/T3 BC547 TO92 .21-12-71
R5/R10 4k7 .02-08-14
R6/R11 47k .02-08-36
R7 min 330R .02-06-79 **
R12 min 330R .02-06-79 **
JPM 2.54 tüskesor 6/3mm .43-00-73
jumper .43-07-86 (2x!)
P1/P2 3p conn. NCW250-03S .43-15-78
(P1/P2-höz lengő ház: 43-11-13; krimp: 43-11-14)
P.IN 2p, 2.54mm, NCW254 .43-08-95
(P.IN-hez lengő ház: 43-09-06; krimp: 43-23-13)
Cin 100u 25v D6.3x11, Rm2.5 .12-18-59
P5 ICSP 6p hüvelysor .43-28-13
* R50: csak olyan PIC-ekhez kell, ahol még nincs belső felhúzó-ell. magában az eszközben.
** R7/R11, a választott LED színétől és hatásfokától függ.
Infra vevő:
IRR TSOP34838 SDRT .38-03-29
B1 Bead MF0204 vagy sima átkötés
R1 1k .02-06-80 (vagy sima átkötés)
C2 100nF 50V X7R SSM15 .07-07-46
B1: csak akkor fontos, ha nem a PCB-re ültetődik közvetlenül az IR-vevő. Bead már csak elvétve kapható lábas kiszerelésben. Ha épp nincs kéznél drótra fűzhető ferritgyöngy, akkor egy vezetéket (pl ellenállás levágott lába) mindenképp tegyünk a helyére, másképp nem kap tápot a vevő.
R1 helyére is jó egy sima átkötés az 1k helyett, de valami legyen ott.
C2 is csak akkor szükséges, ha vezetéken lóg az IR-vevő .
3mm-es LED-ek:
D1 Piros/narancs 3mm
D2 Fehér/kék 3mm
Gyakorlatilag előlapra direktben kivezetve bármi jó 40mcd felett. Ha plexi nyomógombot világítunk velük hátulról, akkor nem árt a 150mcd feletti fényerő, de ezt majd mindenki beállítja magának a LED-ekhez tartozó ellenállásokon keresztül. A lentebb megadott fehér típushoz talán az 1.5kR is még kevés lesz...
kék: .34-07-04
fehér: .34-06-44 (10cd!)
piros: .34-07-05 630nm, vagy: .34-07-02 625nm
(narancs: 50mcd, .34-01-41 610nm, Lomexben most nincs erősebb sajna)
PC.ON relés rész:
D3 1N4148, Si, 150mA DO-35 .16-04-98
RY1 Signal relay, 5V DIP10 .42-17-08
A relé kontaktjait csak forrszemekre hoztuk ki, de végszükség esetén csatlakozót is fogad:
3p csatlakozó nyákba: MNCWS254-03S; hozzá lengő ház: DNCHS254-03; krimp: 43-27-24. (Talán az NCW254-es sorozat is odafér, de azokat sok egyéb helyen is használjuk és esetleg később összetéveszthető.) A JW.R átkötést se felejtsük!
Auto-On funkcióhoz (auto cold-start):
RS1 22k .02-06-84
RS2 240k .02-08-52
(egyébként RS2-t hagyjuk üresen...)
Ha erősebb tranzisztorokat használunk, akkor se terheljük 1A-nél jobban az "A" és '"M" kimeneteket. A PCB-struktúra kb. ennyit bír hosszútávon.
A kapcsolás kizárólag általános alkatrészeket tartalmaz. A PIC kivételével még használt elemekből is megoldható, ha zöldülhetnékünk támad. Jó eséllyel a bontott infravevő is működni fog, mert pár exklúzív márka kivételével szinte mindenki az NEC protokollos, 38kHz-es típust építi be! A mellettük lévő kis elko-ból könnyen ki lehet találni a lábkiosztást, nálam eleddig csak a fenti terven szereplő pinouttal jártak.
Letöltés itt.: [link].
A .hex kód kiválasztásánál figyeljünk a megfelelő alverzióra, hogy normál, vagy PC-s alkalmazásra szánjuk-e!
A cikk And hathatós és kitartó közreműködése nélkül nem születhetett volna meg, amit ezúton is köszönök neki!
DT



